職業內容
上傳日子(zi):2018-05-25 16:55:43 看:9735
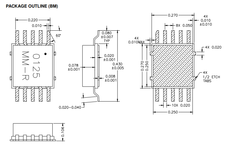
AMCOM的AM012535MM-BM-R與AM012535MM-FM-R是(shi)GaAs MMIC功率放大(da)器(qi)系列(lie)的一部分。它(ta)有(you)20 dB增(zeng)益(yi)和33 dBm輸出功率,超過0.03到2.5 GHz。這個(ge)(ge)MMIC是(shi)在(zai)(zai)(zai)一個(ge)(ge)陶(tao)瓷(ci)封裝(zhuang)(zhuang)(zhuang)中,在(zai)(zai)(zai)包(bao)裝(zhuang)(zhuang)(zhuang)的較低的層(ceng)次上(shang)有(you)射頻和直流導線,以方便(bian)(bian)低成本的SMT組裝(zhuang)(zhuang)(zhuang)到PC板上(shang)。當(dang)直接安(an)裝(zhuang)(zhuang)(zhuang)到PCB板上(shang)時(shi),請參閱應(ying)用說明AN700。由(you)于(yu)高直流功率損耗,我們強烈建(jian)議將(jiang)這些設備直接安(an)裝(zhuang)(zhuang)(zhuang)在(zai)(zai)(zai)金(jin)屬散(san)熱器(qi)上(shang)。AM012535MM-FM-R是(shi)安(an)裝(zhuang)(zhuang)(zhuang)在(zai)(zai)(zai)鍍(du)金(jin)銅法(fa)蘭上(shang)的AM012535MM-BM-R。法(fa)蘭上(shang)有(you)兩個(ge)(ge)螺絲(si)孔(kong),便(bian)(bian)于(yu)擰到一個(ge)(ge)金(jin)屬散(san)熱器(qi)上(shang)。 這個(ge)(ge)MMIC是(shi)符合RoHS要求的。該產品通常(chang)在(zai)(zai)(zai)20V上(shang)有(you)偏差,但它(ta)的工作效率低至(zhi)6V,具(ju)有(you)相(xiang)同(tong)的增(zeng)益(yi)和減少的輸出功率。
倘若您是需要消費AM012535MM-BM-R/AM012535MM-FM-R,請點選右測克服溝通我們的!!!
| 品牌 | 型號 | 描述 | 貨期 | 庫存 |
| AMCOM | AM012535MM-BM-R/AM012535MM-FM-R | 20 dB增益值和33 dBm打印輸出最大功率,超越0.03到2.5 GHz。 | 現貨 | 300 |

應用