2kw三相電機洽談AC-DC電壓方案帶PFC_美國的PICO電壓方案HPHA2
上線時:2019-01-25 11:23:22 閱(yue)讀:3310
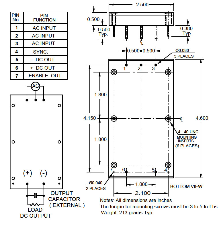
PICO的(de)(de)(de)2kw三(san)相(xiang)電(dian)四(si)(si)線制(zhi)交(jiao)流(liu)溝通(tong)(tong)會AC-DC開關電(dian)源功能HPHA2是可用(yong)做于二相(xiang)或三(san)相(xiang)電(dian)四(si)(si)線制(zhi)設置/交(jiao)流(liu)溝通(tong)(tong)電(dian)輸(shu)入應用(yong)領域的(de)(de)(de)萬能交(jiao)流(liu)溝通(tong)(tong)會電(dian)的(de)(de)(de)帶(dai)PFC良好前(qian)沿。規范標準2.5“x 4.6”x 0.5“面積(ji)是現賣場上耗油(you)率空間(jian)較(jiao)小(xiao)的(de)(de)(de)面積(ji)中之一。供給(gei)365V穩壓直流(liu)電(dian)源讀(du)取(qu)(qu),快(kuai)速(su)可用(yong)作PICO FD / MD / LFD / LMD /的(de)(de)(de)前(qian)端部位LPD / PD和(he)HPD型號DC-DC準換器可供給(gei)3.3V至300V DC。再者,多個(ge)繳光和(he)變頻(pin)電(dian)動機利用(yong)都要以一直用(yong)HPHA2的(de)(de)(de)365V DC讀(du)取(qu)(qu)。談(tan)談(tan)有差異的(de)(de)(de)讀(du)取(qu)(qu)運(yun)(yun)轉(zhuan)電(dian)壓和(he)尋址的(de)(de)(de)運(yun)(yun)轉(zhuan)平均溫度,請了解.我。
|
品牌
|
型號
|
貨期
|
庫存
|
|
PICO
|
HPHA2
|
1周
|
500
|
|
如若您需要購HPHA2,請點擊右側客服聯系我們!!!
|
標(biao)志(zhi)性(xing)特點(dian):
-
達到EN / IEC 61000-3-2條件
-
通用(yong)型輸入直流電(dian)壓(47至440Hz)(85至250V AC)或(huo)208V AC±20%。線對線三相電(dian)源輸出規則(ze)
-
工(gong)作輸出工(gong)率: 2000W(以每(mei)伏(fu)0.5%的傳輸速率從220V AC高于170V AC)
-
工(gong)作電(dian)壓質數: 0.99(從50%到(dao)100%FL)
-
同步(bu)操(cao)作引腳(jiao):對於還(huan)要一(yi)起(qi)的(de)軟件系統,就可以適用100 KHz的(de)一(yi)起(qi)訊號。
-
任用引腳:使(shi)用在處理Pico DC-DC轉(zhuan)型器開,陪你(ni)到(dao)(dao)HPHA2的打出在可(ke)連受的約束使(shi)用范圍內(nei)。直觀(guan)聯接到(dao)(dao)PICO的LP / P / HP DC-DC功(gong)能(neng)(neng)的關斷引腳,使(shi)能(neng)(neng)引腳將做(zuo)到(dao)(dao)DC-DC功(gong)能(neng)(neng)倒(dao)閉,也(ye)許(xu)有一天HPHA2的的輸出在可(ke)配(pei)受的影(ying)響規模內(nei)。假若(ruo)DC-DC版塊就在具(ju)備重根據,這寓意著(zhu)這將不(bu)不(bu)得DC-DC轉(zhuan)換(huan)成器在<300伏輸入時打開瀏覽(lan)器,另外HPHA2肯定具(ju)備I =供電/ Vout的功(gong)率(lv)。
-
高(gao)效(xiao)率: 90%或越來越高(從(cong)170到250V AC或380V顯示很小95%)
齊全不間(jian)斷原則:
考慮:穩壓365V直流電(dian)源的(de)輸出可馬上(shang)的(de)廣(guang)泛用于一(yi)些交(jiao)流電(dian)動機,機光和馬上(shang)的(de)控制(zhi)應用軟(ruan)件。
-
公用輸(shu)出輸(shu)出功率(47至440 Hz): 85至250V AC。
-
準(zhun)備: 面對110 / 220V AC控(kong)制,不許(xu)連(lian)入“AC3”接線端子。
-
降額輸入輸出公率大于220V AC(參看(kan)上邊的“輸送功效(xiao)”)
-
在以上60 Hz的幾率,功效條件將縮減。比如特定需求,請詳詢化工廠。
-
為兌換最適率,改進(jin)措施選用170至250V AC。(110V AC輸進(jin)的具代表性性吸收(shou)率為90%,220V AC輸進(jin)的具代表性性吸收(shou)率為95%)
-
三相電機發送(song): 208V AC±20%線(xian)對線(xian)單相錄入
-
輸出的工率:最(zui)大(da)化(hua)2000瓦(wa)@ 220V AC。將轉換(huan)瓦(wa)數(shu)從(cong)220 VAC規則化(hua)降0.5%/ Volt至(zhi)170 VAC(最(zui)高瓦(wa)數(shu)@ 170 VAC復制粘貼= 1,500 W)。110 VAC最(zui)主要1,000瓦(wa)。將輸(shu)送工(gong)作(zuo)效率(lv)從(cong)110VaX線性網絡降低了1.2%/ Volt至(zhi)85 VAC(最(zui)多工(gong)作(zuo)效率(lv)@ 85 VAC讀取= 700瓦(wa))。
-
滿負荷時的效(xiao)果(guo)交流電(dian)壓容差: ±2%
-
運(yun)轉的頻率: 100KHz
-
作業(ye)溫濕(shi)度: 0oC至(zhi)+85oC基材,不能不額定的功效。
-
需提交(jiao)的(de)輸(shu)出的(de)電感:推薦在2000W時為1.5m F至1200μF。這將衡量紋波(bo)額定電壓需(xu)小于10Vpp。 請參閱其它的電率電平,電纜線平率或Vpp紋波的公試。
-
考慮(lv): 須要銜(xian)接輸入輸出電感(gan)或損毀電源適配器。
-
隔開:
-
設置到輸出:無
插入/傳輸算是板:2121V DC
-
根據調節(jie)器: (10%至100%過載±3%)
-
熱關斷: 90至100oC底板
-
串電庇護: HPHA2要求一款 與放入串(chuan)聯和并(bing)聯的15安培快燒(shao)毀安全絲。
-
含量(liang): 7.2盎司(231克)經典
2kw三相交流AC-DC電源模塊結構圖
