的行業咨詢
更新耗(hao)時:2022-05-12 16:34:31 查詢:2068
眼下的(de)市場上TI的(de)物(wu)料(liao)清(qing)單(dan)管理(li)(li)TPS82130、TPS82140、TPS82150過剩,會造成方(fang)法商價升值小于50倍(bei),IC的(de)以前的(de)作用己(ji)經被偏斜。誠然TI的(de)物(wu)料(liao)清(qing)單(dan)管理(li)(li)口感(gan)難以吹毛求疵(ci),被世(shi)界十(shi)大企業客(ke)戶肯(ken)定,咋樣消除這(zhe)樣一來窘境,臺達Cyntec適度明確提出了pin to pin原位(wei)重復(fu)使(shi)用設計方(fang)案(an)。
規格型號 | 錄入額定電壓 | 輸出輸出功率輸出功率 | 電流量 |
TPS82130 | 3~17V | 0.9~6V | 3A |
TPS82140 | 3~17V | 0.9~6V | 2A |
TPS82150 | 3~17V | 0.9~6V | 1A |
TPSM82903 | 3~17V | 0.4~5.5V | 3A |
這點徵型POL供電功能,質量分數小,僅為3.0mm x 2.8mm x 1.5mm,集成為了DC-DC集成塊、電感,大大地細化了業主的設計,一并可能提高極好EMI因素。

而Cyntec的原位替代產品 MUN12CAD03-SEC , 以完全不用改動PCB,并且以超低的紋波特性,被廣泛應用于儀表、通信、服務器等領域。
1. 基本參數對照(zhao)
技術參數 | 尺寸圖 | 導入電流值 | 工作輸出電壓值 | 直流電 | Vfb |
TPS82130 | 2.8*3.0*1.5mm | 4.5~17.0V | 0.9~6.0V | 3A | 0.8V |
MUN12AD03-SEC | 2.8*3.0*1.5mm | 4.5~17.0V | 0.8~5.5V | 3A | 0.6V |
2. 編輯應用軟件建議:
(1)TPS82130是借助內層工作交流電壓鉗位掌控起動時期的讀取工作交流電壓斜率,來減少過大的浪涌瞬時電流并(bing)保(bao)證 受控的(de)(de)輸出精度直流(liu)電(dian)壓(ya)上升時(shi)時(shi)光。當 EN引腳被拉(la)高(gao)時(shi),元(yuan)元(yuan)器件(jian)封(feng)裝會在(zai) 55μs(典型示(shi)范(fan)值(zhi))的(de)(de)推遲后始(shi)于面板開關,因此模擬(ni)(ni)輸送電(dian)阻(zu)值(zhi)以由相連(lian)到(dao) SS/TR 引腳的(de)(de)外面電(dian)金(jin)屬罐器把(ba)控的(de)(de)斜率攀升。憑借食用是(shi)非常小的(de)(de)電(dian)金(jin)屬罐器或使 SS/TR 引腳傾斜,可改(gai)變(bian)比(bi)較快(kuai)的(de)(de)發(fa)(fa)動(dong)(dong)時(shi)間(jian)。TPS82130 要發(fa)(fa)動(dong)(dong)至預偏置模擬(ni)(ni)輸送電(dian)金(jin)屬罐器。在(zai)預偏置發(fa)(fa)動(dong)(dong)這(zhe)段時(shi)間(jian),在(zai)內層電(dian)阻(zu)值(zhi)鉗位將(jiang)模擬(ni)(ni)輸送電(dian)阻(zu)值(zhi)設為(wei)為(wei)過于預偏置電(dian)阻(zu)值(zhi)之間(jian),5個耗油率 MOSFET 始(shi)終(zhong)無(wu)法 進入。當元(yuan)元(yuan)器件(jian)封(feng)裝居于關斷(duan)、欠壓(ya)更(geng)改(gai)或熱關斷(duan)形態時(shi),相連(lian)到(dao) SS/TR 引腳的(de)(de)電(dian)金(jin)屬罐器由內層電(dian)阻(zu)值(zhi)器電(dian)流(liu)。從這(zhe)部(bu)分形態回(hui)會造成(cheng)的(de)(de)新的(de)(de)發(fa)(fa)動(dong)(dong)隊(dui)列。
致(zhi)使(shi)MUN12AD03-SEC的(de)SS軟開(kai)啟與TPS82130有(you)差(cha)別的(de),MUN12AD03-SEC不須要在該讀取端(duan)接的(de)L22電感(gan)/磁(ci)珠,則須要核驗上電時序。考(kao)生(sheng)表格(ge)函數(shu)如表:

(2)TPS82130與MUN12AD03-SEC的運轉紋(wen)波測試儀結局下列

臺(tai)達(da)的成(cheng)品的質量,也可以是完全夠滿足(zu)精度高(gao)等級的供電標準。
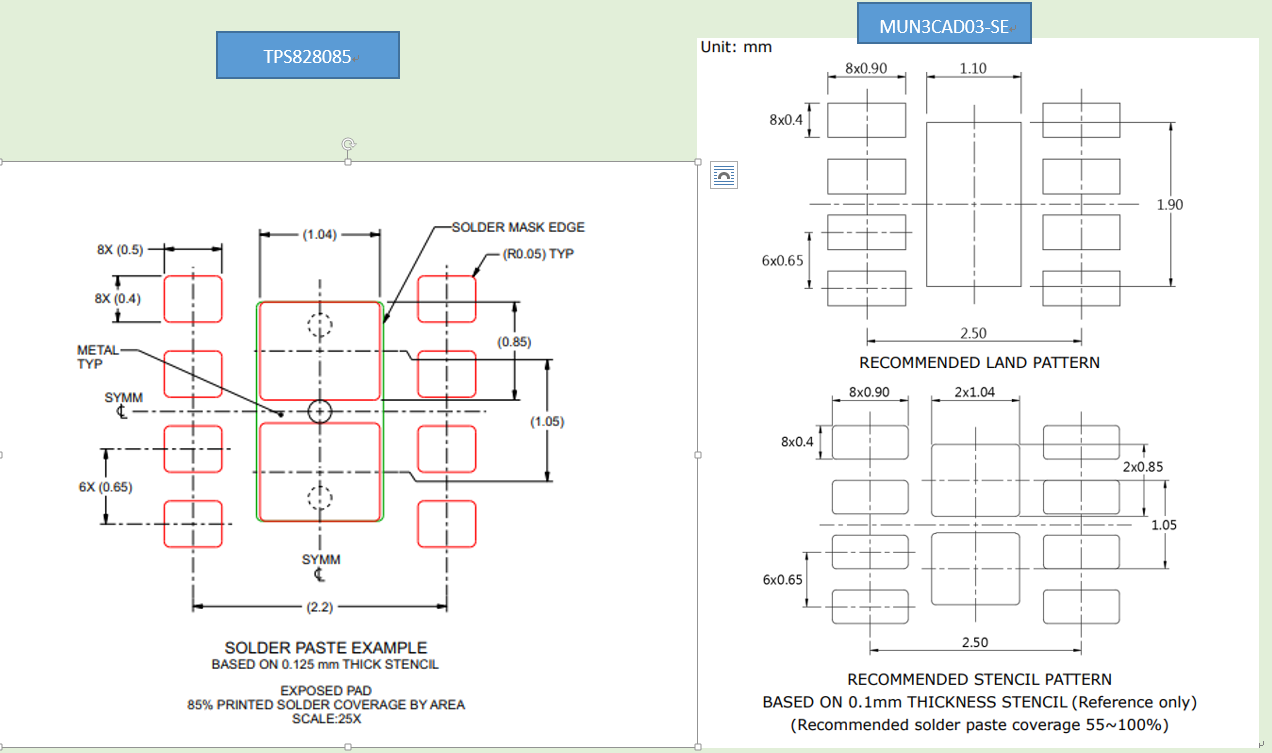
3. 的(de)產(chan)品的(de)貼片環節注意力(li)裝修(xiu)細節:
TI的貨品鋼網長寬高太小,引致鋼網過錫量不可口。薄厚太窄,各種條件如可以參考Cyntec的高溫Reflow,則會現身錫料增長率太高突然出現孔洞。即差不多不上錫的環境。則建立從TPS82130變換來的貼片 ,而且發布(bu)這樣SMT鋼網 。
蘇州市立(li)維創(chuang)展(zhan)科枝(zhi)品牌授權批發商Cyntec旅游線類商品的(de),努力為(wei)雇主展(zhan)示 數據高品質(zhi)、優質(zhi)化量、收費司法公正的(de)24v電源信息模塊類商品的(de)。類商品的(de)原版進(jin)口商,服務的(de)品質(zhi)保持,同心同德中國國家國內(nei)市面展(zhan)示 數據技(ji)木適(shi)配(pei),歡迎語(yu)咨詢(xun)中心。
詳情介紹學(xue)習Cyntec請點開://dev.www.zhixianguangzhou.com.cn/brand/16.html