制造業訊息
更新時段(duan):2022-05-20 17:10:16 訪問 :2000
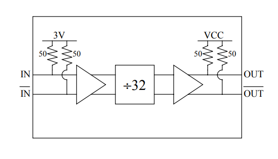
DV032是EUVIS的16針(zhen)3x3mm塑(su)料(liao)QFN高速封裝除以32靜態(tai)分頻器。由于(yu)輸(shu)入靈(ling)敏度高,輸(shu)出相位噪聲低,小規格尺寸,DV032廣泛應用(yong)于(yu)通信網絡、儀器儀表、無線電/雷(lei)達(da)等領(ling)域。DV032接(jie)收0.2GHz(正(zheng)弦(xian)波(bo)(bo)、直(zhi)流方波(bo)(bo))14GHz輸入頻率,需要一個 5V的單電源。

主要的特證
?0.2-14GHz下(xia)行帶寬
?低相位(wei)燥音:-140 dBc/Hz
?高填寫機靈度:-25 dBm
?輸出(chu)電(dian)壓波幅:800 mVp-p(差分)
?差動輸進和打出
?50? 讀取/傳輸電位差
?單開關電源:+5V
?直流電壓(ya)需求:72mA
?16針3x3mm泡(pao)沫(mo)塑料QFN封(feng)裝
珠海市立維創展現代科技是EUVIS的(de)銷售商(shang)(shang)供應商(shang)(shang)商(shang)(shang),主要帶來EUVIS的(de)亞洲地(di)區頂.級的(de)髙速數模變換DAC、隨便數字9規律合(he)并器DDS、復用技術DAC的(de)電子器件級廠(chang)品,、高提取板卡、動(dong)態(tai)圖(tu)片波形(xing)圖(tu)形(xing)成器等廠(chang)品,正(zheng)品外盤,市場價格低廉(lian),迎接質詢。
商(shang)品詳情清楚EUVIS請(qing)點擊量(liang)://dev.www.zhixianguangzhou.com.cn/brand/24.html