市場新聞
推出時期:2023-03-06 17:02:08 查(cha)看(kan):2039
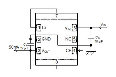
TOREX的XCL210全系列是低能耗等級降血壓小規模DC/DC換算器。管控IC和磁圈聚集在一處,完畢了微形化,只需在 外部元器件封裝上明顯增加兩根電解電玻璃容器,就能構造一款不占用率三維空間的供電包塊。
XCL210品(pin)類(lei)轉換成器實(shi)現低耗用IC新(xin)技術包括(kuo)新(xin)建發(fa)的高(gao)(gao)的性能磁圈滿(man)足高(gao)(gao)效(xiao)、性價比最高(gao)(gao)化,有效(xiao)于利用電芯的走動終端用戶和(he)智能化穿裝儀器的長期性win7驅(qu)動。
XCL210系列作品裝換器操作搜(sou)索輸(shu)(shu)出(chu)功(gong)率(lv)范圍內(nei)在2.0V至(zhi)6.0V兩者之間。電輸(shu)(shu)出(chu)功(gong)率(lv)在內(nei)結(jie)構設(she)計,在1.0V至(zhi)4.0V的(de)的(de)范圍內(nei),以0.05V的(de)隔斷的(de)設(she)計。基(ji)于在待機的(de)情況(kuang)下(xia)消停整體結(jie)構交(jiao)流電源(yuan)控制電路,電流大小量消耗(hao)脂肪保持在0.1μA有以下(xia)(標稱值(zhi))高工況(kuang)瞬時(shi)電流不錯的(de)選(xuan)擇50mA或200mA。
XCL210類型(xing)變為器享有內(nei)嵌(qian)式UVLO(欠壓修改)的性能(neng),當搜索電阻短于UVLO檢測相(xiang)電壓時(shi),內(nei)部(bu)管(guan)(guan)理P一端win7驅動結晶體管(guan)(guan)將忍痛停下自動運行。XCL210C型(xing)和XCL210D型(xing),借(jie)助CL充蓄(xu)電池放電機械(xie)性能(neng),在待(dai)機時(shi)打開VOUT-GND直接(jie)企業內(nei)部(bu)開關(guan)按鈕,完成內(nei)功(gong)率電阻充充放CL的電荷量(liang)。此充充放能(neng)力(li)加(jia)載交(jiao)流電源電阻的VSS水平(ping)面在高速收費站。

顯著特點
插入的電壓的范圍(wei):2.0V~6.0V
輸出精(jing)度直流(liu)電壓(ya):1.0V~4.0V(±2.0%)
打出交流電:200mA(TypeA/C),50mA(Type B/D)
需求(qiu)量電流值:0.5μA
生產率:93%(VIN=3.6V,VOUT=3.0V/100μA)
行車制動玩法:PFM抑制
區域濕度:-40℃~+85℃
TOREX半導體(ti)材料包括帶(dai)來了COMS、感(gan)知器、穩壓管等元(yuan)元(yuan)器,設備(bei)以小(xiao)球體(ti)積、功效優良而世界聞名。
廣州(zhou) 市立維(wei)創展網絡十分有(you)限(xian)有(you)限(xian)責任公司(si),資源(yuan)優勢分銷管理TOREX電源(yuan)模塊元器,非常多的(de)外盤貨存,受(shou)歡(huan)迎合(he)作(zuo)的(de)。
商品詳情認識TOREX請單擊://dev.www.zhixianguangzhou.com.cn/brand/62.html