行業中咨詢
發布的周期:2023-05-19 16:50:59 打開網頁:1596
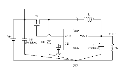
TOREX XC6365系列是內嵌高(gao)(gao)速度低通態電阻控(kong)制器(qi)(qi)的通用(yong)型高(gao)(gao)頻(pin)率降壓DC/DC控(kong)制器(qi)(qi)集成電路。采用(yong)晶(jing)體(ti)管,電感線圈(quan),二極(ji)管和電容器(qi)(qi)共4種外置器(qi)(qi)件,可創建輸出電流為1A以上高(gao)(gao)效率降壓DC/DC轉換器(qi)(qi)。
XC6365編(bian)把控(kong)器(qi)還可以在1.5V~6.0V(精高(gao)密(mi)度±2.5%)依據范(fan)圍內,以0.1V的安全(quan)距離(li)推動設(she)為(VOUT型)。但是,除開(kai)VOUT型外(wai),還含有(you)嵌入式(shi)1.0V的原則相(xiang)額定(ding)電(dian)壓源,才可以外(wai)置電(dian)子元(yuan)器(qi)件(jian)隨意設(she)備傷(shang)害(hai)相(xiang)額定(ding)電(dian)壓的技術參數(shu)(FB型)。
XC6365系列產品調節器因面(mian)板開關規(gui)律高至300kHz,能否利(li)用微形外置功率器件。以至于(yu),在(zai)由小載荷(he)至大效果電流大小的大體載荷(he)範圍里面(mian),萬代(dai)高達(da)速度高率。
XC6365品類的智能控制器軟啟用時有,在里(li)面的配(pei)置(zhi)為10ms的規格尺寸(A,B型),以及常用外置(zhi)熱敏電(dian)阻(zu)和電(dian)阻(zu)器開展改善的樣式(C,D型)。
主要包(bao)括(kuo)待機(ji)穩定性,可止(zhi)住程序(xu)運行(xing)使直(zhi)流電耗率更(geng)是高達(da)0.5μA下面的(CE端"L")。
XC6365系(xi)列產品把握(wo)器(qi)嵌入式UVLO特性(xing),當鍵入電(dian)流交流電(dian)壓在同一個電(dian)流交流電(dian)壓情形時,會(hui)直接性(xing)把外置結晶體管上(shang)斷。
因素
發送額定(ding)電(dian)壓使用范圍(wei):2.2V~10V
所(suo)在工作電壓區間:1.5V~6.0V(0.1V間隔距離),±2.5%
任務頻段:300kHz±15%,潛(qian)在客戶開發180,500kHz
轉換電流值:1.0A(VIN=5.0V,VOUT=3.0V)
高切(qie)換速率:92%(TYP.)
待(dai)機電設備流(liu):ISTB=0.5μA(MAX.)
TOREX半導體設(she)備具體提(ti)拱(gong)COMS、感知(zhi)器、肖特基二極管等元(yuan)電子元(yuan)件,軟件以小密度、耐磨性優勝而(er)世界(jie)聞(wen)名。
廣(guang)州(zhou) 市立維(wei)創展科枝有限的品牌(pai),競(jing)爭優勢分(fen)銷商(shang)城TOREX開關電源元器件,非(fei)常(chang)多期貨庫存盤點,青睞戰略(lve)合作。
情況認識TOREX請彈框://dev.www.zhixianguangzhou.com.cn/brand/62.html

規格型(xing)號 | Type | Output Voltage | Oscillation Frequency | Packages |
XC6365A152ER-G | VOUT type: internally set-up, Soft-start internally set-up | 1.5V | 180kHz | USP-6C |
XC6365A152MR-G | VOUT type: internally set-up, Soft-start internally set-up | 1.5V | 180kHz | SOT-25 |
XC6365A153ER-G | VOUT type: internally set-up, Soft-start internally set-up | 1.5V | 300kHz | USP-6C |
XC6365A153MR-G | VOUT type: internally set-up, Soft-start internally set-up | 1.5V | 300kHz | SOT-25 |
XC6365A155ER-G | VOUT type: internally set-up, Soft-start internally set-up | 1.5V | 500kHz | USP-6C |
XC6365A155MR-G | VOUT type: internally set-up, Soft-start internally set-up | 1.5V | 500kHz | SOT-25 |
XC6365A162ER-G | VOUT type: internally set-up, Soft-start internally set-up | 1.6V | 180kHz | USP-6C |
XC6365A162MR-G | VOUT type: internally set-up, Soft-start internally set-up | 1.6V | 180kHz | SOT-25 |
XC6365A163ER-G | VOUT type: internally set-up, Soft-start internally set-up | 1.6V | 300kHz | USP-6C |
XC6365A163MR-G | VOUT type: internally set-up, Soft-start internally set-up | 1.6V | 300kHz | SOT-25 |
XC6365A165ER-G | VOUT type: internally set-up, Soft-start internally set-up | 1.6V | 500kHz | USP-6C |
XC6365A165MR-G | VOUT type: internally set-up, Soft-start internally set-up | 1.6V | 500kHz | SOT-25 |
XC6365A172ER-G | VOUT type: internally set-up, Soft-start internally set-up | 1.7V | 180kHz | USP-6C |
XC6365A172MR-G | VOUT type: internally set-up, Soft-start internally set-up | 1.7V | 180kHz | SOT-25 |
XC6365A173ER-G | VOUT type: internally set-up, Soft-start internally set-up | 1.7V | 300kHz | USP-6C |
XC6365A173MR-G | VOUT type: internally set-up, Soft-start internally set-up | 1.7V | 300kHz | SOT-25 |
XC6365A175ER-G | VOUT type: internally set-up, Soft-start internally set-up | 1.7V | 500kHz | USP-6C |
XC6365A175MR-G | VOUT type: internally set-up, Soft-start internally set-up | 1.7V | 500kHz | SOT-25 |
XC6365A182ER-G | VOUT type: internally set-up, Soft-start internally set-up | 1.8V | 180kHz | USP-6C |
XC6365A182MR-G | VOUT type: internally set-up, Soft-start internally set-up | 1.8V | 180kHz | SOT-25 |
XC6365A183ER-G | VOUT type: internally set-up, Soft-start internally set-up | 1.8V | 300kHz | USP-6C |
XC6365A183MR-G | VOUT type: internally set-up, Soft-start internally set-up | 1.8V | 300kHz | SOT-25 |
XC6365A185ER-G | VOUT type: internally set-up, Soft-start internally set-up | 1.8V | 500kHz | USP-6C |
XC6365A185MR-G | VOUT type: internally set-up, Soft-start internally set-up | 1.8V | 500kHz | SOT-25 |
XC6365A192ER-G | VOUT type: internally set-up, Soft-start internally set-up | 1.9V | 180kHz | USP-6C |
XC6365A192MR-G | VOUT type: internally set-up, Soft-start internally set-up | 1.9V | 180kHz | SOT-25 |
XC6365A193ER-G | VOUT type: internally set-up, Soft-start internally set-up | 1.9V | 300kHz | USP-6C |
XC6365A193MR-G | VOUT type: internally set-up, Soft-start internally set-up | 1.9V | 300kHz | SOT-25 |
XC6365A195ER-G | VOUT type: internally set-up, Soft-start internally set-up | 1.9V | 500kHz | USP-6C |
XC6365A195MR-G | VOUT type: internally set-up, Soft-start internally set-up | 1.9V | 500kHz | SOT-25 |
XC6365A202ER-G | VOUT type: internally set-up, Soft-start internally set-up | 2.0V | 180kHz | USP-6C |
XC6365A202MR-G | VOUT type: internally set-up, Soft-start internally set-up | 2.0V | 180kHz | SOT-25 |
XC6365A203ER-G | VOUT type: internally set-up, Soft-start internally set-up | 2.0V | 300kHz | USP-6C |
XC6365A203MR-G | VOUT type: internally set-up, Soft-start internally set-up | 2.0V | 300kHz | SOT-25 |
XC6365A205ER-G | VOUT type: internally set-up, Soft-start internally set-up | 2.0V | 500kHz | USP-6C |
XC6365A205MR-G | VOUT type: internally set-up, Soft-start internally set-up | 2.0V | 500kHz | SOT-25 |
XC6365A212ER-G | VOUT type: internally set-up, Soft-start internally set-up | 2.1V | 180kHz | USP-6C |
XC6365A212MR-G | VOUT type: internally set-up, Soft-start internally set-up | 2.1V | 180kHz | SOT-25 |
XC6365A213ER-G | VOUT type: internally set-up, Soft-start internally set-up | 2.1V | 300kHz | USP-6C |
XC6365A213MR-G | VOUT type: internally set-up, Soft-start internally set-up | 2.1V | 300kHz | SOT-25 |
XC6365A215ER-G | VOUT type: internally set-up, Soft-start internally set-up | 2.1V | 500kHz | USP-6C |
XC6365A215MR-G | VOUT type: internally set-up, Soft-start internally set-up | 2.1V | 500kHz | SOT-25 |
XC6365A222ER-G | VOUT type: internally set-up, Soft-start internally set-up | 2.2V | 180kHz | USP-6C |
XC6365A222MR-G | VOUT type: internally set-up, Soft-start internally set-up | 2.2V | 180kHz | SOT-25 |
XC6365A223ER-G | VOUT type: internally set-up, Soft-start internally set-up | 2.2V | 300kHz | USP-6C |
XC6365A223MR-G | VOUT type: internally set-up, Soft-start internally set-up | 2.2V | 300kHz | SOT-25 |
XC6365A225ER-G | VOUT type: internally set-up, Soft-start internally set-up | 2.2V | 500kHz | USP-6C |
XC6365A225MR-G | VOUT type: internally set-up, Soft-start internally set-up | 2.2V | 500kHz | SOT-25 |
XC6365A232ER-G | VOUT type: internally set-up, Soft-start internally set-up | 2.3V | 180kHz | USP-6C |
XC6365A232MR-G | VOUT type: internally set-up, Soft-start internally set-up | 2.3V | 180kHz | SOT-25 |