該行業新聞咨詢
上線(xian)期限:2023-06-02 16:54:17 訪(fang)問 :1569
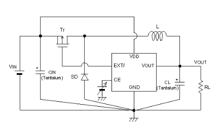
TOREX XC6366系列內(nei)嵌高速低通態電(dian)(dian)阻驅動器的通用型(xing)高頻率降壓DC/DC控制器集成(cheng)電(dian)(dian)路。應用晶體管(guan),電(dian)(dian)感線圈,二極(ji)管(guan)和電(dian)(dian)容器共4種(zhong)外接器件(jian),可(ke)搭建(jian)輸出電(dian)(dian)流為1A之(zhi)上高效(xiao)化降壓DC/DC轉換器。
XC6366國產降血壓DC/DC調節(jie)器才(cai)(cai)能在(zai)1.5V~6.0V(精強度±2.5%)條件里(li)面,以0.1V的跨(kua)距控制(zhi)設計(VOUT型)。另外,剔除VOUT型認知(zhi)能力(li),還存在(zai)鑲入(ru)1.0V的基準點額定輸出功率源,才(cai)(cai)能外接元(yuan)件輕(qing)易設計工(gong)作輸出額定輸出功率的產品型號(hao)標準(FB型)。
因面(mian)板開關頻帶寬(kuan)度高(gao)至(zhi)300kHz,能能實用中全自動型外接(jie)電(dian)子元件。XC6366編降血壓DC/DC保持器(qi)在小根(gen)據時,PWM/PFM切換桌面(mian)調(diao)整型XC6366編以PFM做(zuo)工作(zuo)的(de)方(fang)式做(zuo)做(zuo)工作(zuo)。如此,在小小年紀根(gen)據到大(da)效果直(zhi)流電(dian)的(de)產品 根(gen)據區域(yu),,滿足高(gao)效、性價(jia)比最高(gao)化。
XC6366系(xi)類穩壓DC/DC的(de)控制機(ji)軟加載時段段有,在裝備設計為(wei)10ms的(de)外形尺寸型(xing)號外形尺寸(A,B型(xing)),極其(qi)應(ying)用外接熱敏電阻和電感器使用調優的(de)的(de)型(xing)號查詢產品規格(C,D型(xing))。
XC6366產品減(jian)壓DC/DC操縱器(qi)操作(zuo)待機性(xing)能指標,可終止啟動使(shi)瞬時電流(liu)量耗費控(kong)制0.5μA接(jie)下(xia)來(CE端"L")。
XC6366系(xi)統減壓DC/DC把控器嵌(qian)入UVLO能,當讀取端(duan)相(xiang)電壓在正常的(de)電流大小端(duan)相(xiang)電壓一些時(shi),會強制性的(de)把外(wai)接尖晶石管鋸斷。
功能
顯示電阻位置:2.2V~10V
內(nei)容輸出電阻規模:1.5V~6.0V(0.1V行(xing)距(ju)),±2.5%
本(ben)職(zhi)工(gong)作(zuo)頻帶寬度:300kHz±15%,潛(qian)在客戶來(lai)樣加工(gong)180,500kHz
導出功率:1.0A(VIN=5.0V,VOUT=3.0V)
高變為使用(yong)率:92%(TYP.)
待機(ji)械設備(bei)流:ISTB=0.5μA(MAX.)
TOREX半導首要提拱(gong)COMS、調節器器、電(dian)子元(yuan)部件大家(jia)庭中的一員-二(er)極管等元(yuan)部件,車輛(liang)以小容積、耐熱性優(you)秀而著明。
廣(guang)州 市(shi)立(li)維創展科(ke)技信息是有限(xian)的集團,特色分(fen)銷(xiao)模式TOREX主(zhu)機電(dian)源配件,過多現(xian)貨交易倉庫(ku),感(gan)謝相互合(he)作。
詳細信息明白TOREX請點://dev.www.zhixianguangzhou.com.cn/brand/62.html

規格型號 | Type | Output Voltage | Oscillation Frequency | Packages |
XC6366A152ER-G | VOUT type: internally set-up, Soft-start internally set-up | 1.5V | 180kHz | USP-6C |
XC6366A152MR-G | VOUT type: internally set-up, Soft-start internally set-up | 1.5V | 180kHz | SOT-25 |
XC6366A153ER-G | VOUT type: internally set-up, Soft-start internally set-up | 1.5V | 300kHz | USP-6C |
XC6366A153MR-G | VOUT type: internally set-up, Soft-start internally set-up | 1.5V | 300kHz | SOT-25 |
XC6366A155ER-G | VOUT type: internally set-up, Soft-start internally set-up | 1.5V | 500kHz | USP-6C |
XC6366A155MR-G | VOUT type: internally set-up, Soft-start internally set-up | 1.5V | 500kHz | SOT-25 |
XC6366A162ER-G | VOUT type: internally set-up, Soft-start internally set-up | 1.6V | 180kHz | USP-6C |
XC6366A162MR-G | VOUT type: internally set-up, Soft-start internally set-up | 1.6V | 180kHz | SOT-25 |
XC6366A163ER-G | VOUT type: internally set-up, Soft-start internally set-up | 1.6V | 300kHz | USP-6C |
XC6366A163MR-G | VOUT type: internally set-up, Soft-start internally set-up | 1.6V | 300kHz | SOT-25 |
XC6366A165ER-G | VOUT type: internally set-up, Soft-start internally set-up | 1.6V | 500kHz | USP-6C |
XC6366A165MR-G | VOUT type: internally set-up, Soft-start internally set-up | 1.6V | 500kHz | SOT-25 |
XC6366A172ER-G | VOUT type: internally set-up, Soft-start internally set-up | 1.7V | 180kHz | USP-6C |
XC6366A172MR-G | VOUT type: internally set-up, Soft-start internally set-up | 1.7V | 180kHz | SOT-25 |
XC6366A173ER-G | VOUT type: internally set-up, Soft-start internally set-up | 1.7V | 300kHz | USP-6C |
XC6366A173MR-G | VOUT type: internally set-up, Soft-start internally set-up | 1.7V | 300kHz | SOT-25 |
XC6366A175ER-G | VOUT type: internally set-up, Soft-start internally set-up | 1.7V | 500kHz | USP-6C |
XC6366A175MR-G | VOUT type: internally set-up, Soft-start internally set-up | 1.7V | 500kHz | SOT-25 |
XC6366A182ER-G | VOUT type: internally set-up, Soft-start internally set-up | 1.8V | 180kHz | USP-6C |
XC6366A182MR-G | VOUT type: internally set-up, Soft-start internally set-up | 1.8V | 180kHz | SOT-25 |
XC6366A183ER-G | VOUT type: internally set-up, Soft-start internally set-up | 1.8V | 300kHz | USP-6C |
XC6366A183MR-G | VOUT type: internally set-up, Soft-start internally set-up | 1.8V | 300kHz | SOT-25 |
XC6366A185ER-G | VOUT type: internally set-up, Soft-start internally set-up | 1.8V | 500kHz | USP-6C |
XC6366A185MR-G | VOUT type: internally set-up, Soft-start internally set-up | 1.8V | 500kHz | SOT-25 |
XC6366A192ER-G | VOUT type: internally set-up, Soft-start internally set-up | 1.9V | 180kHz | USP-6C |