行業內快訊
發布新聞時間段:2023-07-20 17:01:44 瀏覽(lan)器:1530
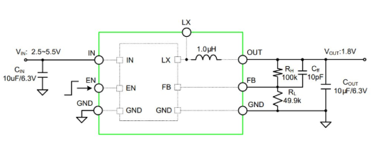
SILERGY(矽力杰)SQ76001RCC是款3MHz、1.2A此次減壓三相調壓器,SQ76001RCC在其它縣域型二極管封裝(2.5mm×2.0mm,H=1.1mm)中一體化化工率電感和一體化電子器件。SQ76001RCC高效性化,3MHz,1.2A嵌到輸出功率電感關聯降血壓三相調壓器。

特色
內部的操(cao)作電源(yuan)開關(guan)(頂上/尾(wei)部)低(di)RDS(ON):230mΩ/150mΩ
集成(cheng)式化電感(gan)以最多程(cheng)度減低外表電子器(qi)件(jian)和PCB總(zong)體(ti)設置
2.5~5.5V線電壓面積
1.2A連繼性模擬輸出電(dian)壓性能(neng)參數
3MHz高運轉(zhuan)次數比較大(da)最(zui)大(da)大(da)幅度降(jiang)低了其他(ta)功能(neng)
的內部軟開始調節(jie)浪涌電(dian)流(liu)值
100%Dropout選用(yong)
滿意RoHS標準單位且無鹵素燈泡
打出智能化充自放電工作(zuo)
密集(ji)型打包封裝(zhuang):QFN2.5×2-8
SILERGY(矽力杰)重要生產24v交流電源集成塊、24v交流電源控制器等模仿集成電路芯片。因此SQ76001RCC價位高,貨期長,的市場安利pin to pin原位替換SQ76001RCC,代(dai)用(yong)款式為:MUN3CAD01-SB,MUN3CAD01-SB快速DC/DC電(dian)源摸(mo)塊(kuai)(kuai)摸(mo)塊(kuai)(kuai)。在(zai)2.5V和5.5V鍵(jian)盤輸入交流電(dian)壓范圍之(zhi)內(nei)內(nei)的(de)感應電(dian)流感應電(dian)流高至1.2A時(shi)生(sheng)成+1.8V輸出(chu)工作(zuo)電(dian)壓工作(zuo)電(dian)壓。MUN3CAD01-SB觸點(dian)開關(guan)頻率(lv)為3.0MHz,采用(yong)了所提拱的(de)電(dian)源模(mo)塊(kuai)(kuai)可實現了高至90%的(de)的(de)效率(lv)。外盤強勢單價,迎接(jie)網(wang)絡咨詢(xun)。
情況了解一下MUN3CAD01-SB請超鏈接://dev.www.zhixianguangzhou.com.cn/article/2669.html