領域咨詢
上傳(chuan)耗(hao)時:2023-08-03 16:49:46 網頁瀏(liu)覽:6290
與離散工作效率板塊相對來說較,SILERGY矽力杰電原版塊的體積計算縮短了90%。SQ76002AQNC并能極大減少生存電感/電阻,提高自己操作熱效率,減低信息失幀。SQ76002AQNC必備較為強烈的導熱抗干涉能和立體二極管封裝的方式能,必備好的的抗干涉功能。高頻振功和壞境轉變性強。
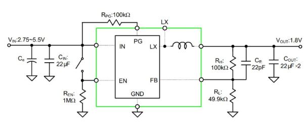
SQ76002AQNC選(xuan)用以1款3MHz、2A發(fa)送到(dao)(dao)減壓穩壓電源,SQ76002AQNC來(lai)到(dao)(dao)個中小(xiao)款封裝(3.0mm×3.0mm,H=1.1mmmax)中一(yi)體化(hua)化(hua)電感(gan)和操縱集成塊。SQ76002AQNC成功率高(gao)率,3MHz,2A內(nei)嵌式電感(gan)同樣降(jiang)血壓交流穩壓器。

的特征
內壁按鈕(殼(ke)體(ti)/下端)的低RDS(ON):40mΩ/20mΩ
2.75~5.5V設置(zhi)工作電壓時間范圍
3MHz電源開關幀(zhen)率最好裝(zhuang)量減低了(le)冗(rong)余集成電路(lu)芯(xin)片
里(li)面(mian)軟(ruan)通電制約浪涌電流大小(xiao)
2A持續(xu)打印輸出瞬時電流耐磨(mo)性
關機模型耗電量<0.1μA電電壓電流
100%Dropout操(cao)控
主機電源比較好提示燈
過電(dian)壓保護措施/欠壓修改/過溫保證(zheng)
能(neng)夠(gou)滿足RoHS標(biao)且無鹵(lu)化
緊奏型suv型二極(ji)管(guan)封裝:QFN3×3-10
SILERGY(矽力杰)包括生產銷售電原集成塊、電原方案等模擬系統電子元件。伴隨SQ76002AQNC價錢高,交貨時間長,行業網友推薦pin to pin原位代替品SQ76002AQNC,代換應用為:MUN3CAD03-SF,MUN3CAD03-SF提高效率DC/DC電原模快。在2.75V和5.5V鍵入電壓值條件內的過載工作電流高至3A。MUN3CAD03-SF控制開關頻(pin)率(lv)為3.0MHz,分為所出具的輸出模塊可改變高至(zhi)90%的率(lv)。現貨黃金優越價額(e),迎接咨(zi)詢了解。。
商品詳情頁掌握MUN3CAD03-SF請彈窗(chuang)://dev.www.zhixianguangzhou.com.cn/article/3099.html