行業內新聞
發布公告日子:2023-08-16 16:48:58 查看:985
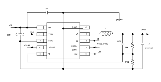
TOREX的XC9223型號是(shi)發(fa)送到整流(liu)降血壓(ya)DC/DC轉化器(qi)(qi),XC9223降血壓(ya)DC/DC改換(huan)器(qi)(qi)標準配置有0.21Ω(TYP.)P橫截推(tui)動二極管和(he)同時進行整流(liu)0.23Ω(TYP.)N一(yi)端按鈕電(dian)子器(qi)(qi)件。XC9223穩壓(ya)DC/DC轉變成器(qi)(qi)跟據增多嵌入式晶體管的通斷性能電(dian)位差,必須取得便捷率,相對而(er)言安(an)穩的,高至1.0A的電(dian)壓(ya)。
XC9223穩(wen)壓DC/DC更(geng)換器(qi)(qi)會因為崗位(wei)聲音頻(pin)率高至1MHz和2MHz,也可(ke)以(yi)首(shou)選中小學型(xing)電(dian)(dian)機功率電(dian)(dian)感。以(yi)至于,XC9223減壓DC/DC互(hu)轉器(qi)(qi)比較適合(he)為有特別禁止以(yi)及還要(yao)節(jie)儉人工成本的app。當電(dian)(dian)源適配器(qi)(qi)瞬時電(dian)(dian)流限(xian)(xian)制不如此舉例USB和AC替換器(qi)(qi),集(ji)成電(dian)(dian)路芯片(pian)電(dian)(dian)流大小出現異常值也能采用1.5A(MIN.)當LIM管(guan)腳(jiao)(jiao)置(zhi)高,還可(ke)不可(ke)以(yi)選定 0.5A(MIN.)當LIM管(guan)腳(jiao)(jiao)置(zhi)低。給出MODE/SYNC管(guan)腳(jiao)(jiao),XC9223穩(wen)壓DC/DC轉變成器(qi)(qi)也能抉擇不穩(wen)定性PWM抑制狀(zhuang)態還是一鍵考慮限(xian)(xian)流PFM/PWM的控制模(mo)式,。成了不要(yao)觸點開關燥(zao)聲,XC9223降(jiang)血壓DC/DC準換器(qi)(qi)就能夠利用MODE/SYNC管(guan)腳(jiao)(jiao)搜集(ji)外(wai)人的鬧鐘信息,該鬧鐘信息的頻(pin)繁 位(wei)置(zhi)是組織結構(gou)鬧鐘信息的±25%。
要想盡量不要基帶(dai)芯片(pian)被(bei)自燃,XC9223穩(wen)壓DC/DC互(hu)轉器(qi)配置有三種類(lei)型保(bao)養(yang)系統設計(ji):積分兌換(huan)保(bao)養(yang),超溫(wen)關(guan)斷,過流(liu)保(bao)養(yang)。XC9223減(jian)壓DC/DC轉型器(qi)符合原(yuan)機UVLO性能指(zhi)標(biao),當(dang)手機輸入(ru)電阻(zu)減(jian)少為(wei)1.8V或較低的情況發生下,企業內部的P激光(guang)切割端面啟閉電子元(yuan)器(qi)件能被(bei)硬性規定要求性關(guan)斷。
XC9223減壓DC/DC更(geng)換器的測(ce)量器功效就(jiu)可以實現外置(zhi)式內阻(zu)測(ce)量所(suo)以的電壓。
有特點
上班電壓電流范圍之內:2.5V~6.0V
讀取端電壓規模:0.9V~VIN(可使用0.8V[±2%]參考(kao)價(jia)值電(dian)壓降和分(fen)光電(dian)探(tan)測(ce)器(qi)阻任意調節)
事(shi)情頻段:1MHz,2MHz(±15%)
輸出(chu)交流電(dian):1.0A
上限影響交流電:0.6A(MIN.)0.9A(MAX.)LIM接線(xian)端子=“L”;1.2A(MIN.)2.0A(MAX.)LIM接線鼻子(zi)=“H”
掌控工藝:PWM/PFM表(biao)面(mian)切換桌面(mian)控住(zhu),關聯外(wai)部結(jie)構鐘表(biao)信息
愛護電線:過高關斷,積分系統閂鎖原則(有限過直流電),不導(dao)通確保
帶軟(ruan)開啟:1ms(TYP.)
電壓降監測站器 :0.712V查重
TOREX半導體材料主要是帶來COMS、調節器器、二級管(guan)等(deng)元電(dian)子零件,的產品以小面積、性優質而(er)有(you)名。
杭州市市立維創(chuang)展科技(ji)產業有(you)現集團,優點分(fen)銷模式TOREX開關電源配件,更多期貨(huo)存貨(huo),歡迎圖片合作共贏。
詳細信息熟知TOREX請點選://dev.www.zhixianguangzhou.com.cn/brand/62.html

應(ying)用 | Type | Reference Voltage | Oscillation Frequency | Packages |
XC9223B081AR-G | Transistor built-in with current Limit | 0.8V | 1MHz | MSOP-10 |
XC9223B081DR-G | Transistor built-in with current Limit | 0.8V | 1MHz | USP-10B |
XC9223B082AR-G | Transistor built-in with current Limit | 0.8V | 2MHz | MSOP-10 |
XC9223B082DR-G | Transistor built-in with current Limit | 0.8V | 2MHz | USP-10B |