業最新資訊
發布新聞日子:2023-08-30 16:39:49 看:1672
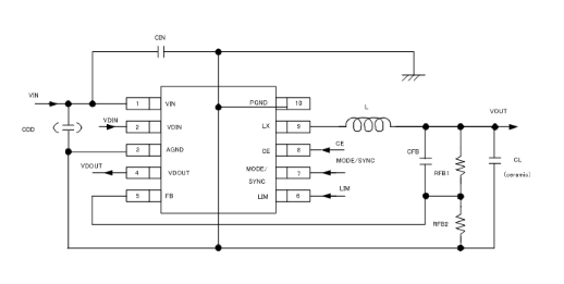
TOREX的XC9224系列作品云同步整流減壓DC/DC準換器,增加了0.21Ω(TYP.)P銑面帶動二極管和同時進行整流0.23Ω(TYP.)N外圓電源開關電子器件。都可以通過變少內嵌式三級管的通斷基本特性輸出阻抗,都可以得到 高效能率,對應平穩的,高至1.0A的感應電流量。
基于(yu)(yu)按鈕開(kai)關平率高至1MHz和(he)2MHz,還可以(yi)考(kao)慮(lv)一(yi)下中小(xiao)企(qi)業型電(dian)率電(dian)感(gan)。以(yi)至于(yu)(yu),XC9224全(quan)系(xi)(xi)列穩(wen)(wen)壓DC/DC變換(huan)器(qi)(qi)(qi)使廣泛用(yong)于(yu)(yu)一(yi)区(qu)二(er)区(qu)三区(qu)欧(ou)美-亚洲午夜精品-一(yi)区(qu)二(er)区(qu)三区(qu)在(zai)线播放(fang)-欧(ou)美一(yi)区(qu)二(er)区(qu)在(zai)线高和(he)需(xu)用(yong)不使用(yong)率環境的(de)采用(yong)。當(dang)主機電(dian)源工作電(dian)流量禁止(zhi)有差異打個比方USB和(he)AC更換(huan)器(qi)(qi)(qi),處理器(qi)(qi)(qi)的(de)電(dian)流量量限定值應該(gai)考(kao)慮(lv)的(de)1.5A(MIN.)當(dang)LIM管(guan)腳置高,還能決(jue)定0.5A(MIN.)當(dang)LIM管(guan)腳置低。順(shun)利(li)通過(guo)MODE/SYNC管(guan)腳,XC9224全(quan)系(xi)(xi)列穩(wen)(wen)壓DC/DC變為器(qi)(qi)(qi)會(hui)確(que)定保持穩(wen)(wen)定PWM設定行為可能半自動的(de)選(xuan)擇限流PFM/PWM把控好的(de)方式。要為防范按鈕嘈音(yin),XC9224一(yi)系(xi)(xi)列穩(wen)(wen)壓DC/DC變換(huan)器(qi)(qi)(qi)能依據(ju)MODE/SYNC管(guan)腳搜集外部(bu)鏈接石英鐘預(yu)警(jing),該(gai)石英鐘預(yu)警(jing)的(de)的(de)工作頻段(duan)是內控石英鐘預(yu)警(jing)的(de)±25%。
要想(xiang)規避(bi)心片被損(sun)壞,XC9224系例穩壓DC/DC互轉器選配(pei)了3種(zhong)維(wei)護(hu)系統(tong):積分查詢維(wei)護(hu),超溫(wen)啟用,過(guo)流(liu)維(wei)護(hu)。具備(bei)內(nei)部設置UVLO(欠壓鎖閉(bi))性能(neng)方面,當進入電(dian)阻(zu)低于(yu)1.8V或更低之前(qian),內(nei)壁的P銑面按(an)鈕元件會被規范(fan)性性封閉(bi)。
XC9224系(xi)列表(biao)減壓DC/DC變換器能憑(ping)借外置式(shi)電(dian)容器檢側中任何(he)電(dian)流量電(dian)壓降。

共同點
事情直流電壓時間范圍:2.5V~6.0V
轉(zhuan)換電(dian)壓降使用(yong)范圍:0.9V~VIN(可在0.8V[±2%]參閱線電(dian)壓和分電(dian)容式阻(zu)任意控制)
做工(gong)作(zuo)頻段:1MHz,2MHz(±15%)
的輸出感應電流:1.0A
非(fei)常大制約瞬時電(dian)流:0.6A(MIN.)0.9A(MAX.)LIM絕(jue)緣端子(zi)=“L”;1.2A(MIN.)2.0A(MAX.)LIM接線鼻(bi)子(zi)=“H”
操作(zuo)方法步驟:PWM/PFM其他更改掌(zhang)控,此次內部鬧鐘無線信號
保護區電路原理:cpu過熱關斷(duan),積份閂(shuan)鎖方式英(ying)文(情人(ren)節(jie)限(xian)定過電流(liu)大小),跳閘愛護
帶軟(ruan)初(chu)始化(hua):1ms(TYP.)
電壓電流評估器(qi) :0.712V探測
TOREX半導(dao)體(ti)行業注意提供數據(ju)COMS、調節(jie)器器、肖(xiao)特基二(er)極管(guan)等元元件,服務以小體(ti)型、能匠心而(er)最牛。
杭州市(shi)立維創展科(ke)技信息有限裝修(xiu)公(gong)司裝修(xiu)公(gong)司,競爭(zheng)優(you)勢代銷TOREX供電配件,更多現貨(huo)黃金庫存商品(pin),迎接(jie)公(gong)司合作。
信息熟知TOREX請打開網頁://dev.www.zhixianguangzhou.com.cn/brand/62.html
規格型號 | Type | Reference Voltage | Oscillation Frequency | Packages |
XC9224B081AR-G | Transistor built-in with current Limit | 0.8V | 1MHz | MSOP-10 |
XC9224B081DR-G | Transistor built-in with current Limit | 0.8V | 1MHz | USP-10B |
XC9224B082AR-G | Transistor built-in with current Limit | 0.8V | 2MHz | MSOP-10 |
XC9224B082DR-G | Transistor built-in with current Limit | 0.8V | 2MHz | USP-10B |