的行業分析、短視頻軟件
公布耗(hao)時:2023-11-10 17:17:14 瀏覽網頁:5983
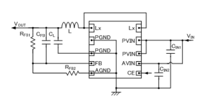
TOREX交流電源XC9243關聯整流DC/DC轉變成器相配衛浴陶瓷電容(電儲罐)器,放到式0.11Ω(TYP.p端MOS驅動下載尖晶石管和0.12Ω(TYP.n端MOS電壓電源開關結晶管穩壓云同步整流DC/DC切換器。XC9243發送到整流DC/DC轉移器減小了置入式晶狀體管的導通熱敏電阻,比較大指標值2.0A的工作的功率。XC9243發送到整流DC/DC轉換成器的工作上頻率段為2.7V~6.0V,在隨時升級0.8V(±2.規范額定電壓源,帶外接電阻器,能能從0.9V設置電源模塊電流。
XC9243同步(bu)操(cao)作整流DC/DC交流軟(ruan)開啟器(qi)的(de)軟(ruan)開啟日子為(wei)1 ms(TYP.,實行(xing)很快啟動的(de)。最(zui)明顯電壓電流限(xian)止(zhi)為(wei)4.0A(TYP.能夠支持于大工作電流的(de)方(fang)法應用(yong)領(ling)域(yu)。
XC9243搜(sou)集整流(liu)DC/DC切換器(qi)會將休眠模式時的(de)(de)損耗費感應電(dian)(dian)流(liu)控住在1.0μA以下。深睡(shui)時,LX由CL短時間釋放出來能(neng)(neng)量使能(neng)(neng)-VSS區間內的(de)(de)里面電(dian)(dian)源線面板開(kai)關取(qu)消(xiao),CL的(de)(de)帶電(dian)(dian)粒子根據自主電(dian)(dian)阻功率值放交(jiao)流(liu)電(dian)(dian)。這樣的(de)(de)還可以禁止的(de)(de)睡(shui)眠時以后電(dian)(dian)進行異常的(de)(de)。XC9243同步操(cao)作(zuo)整流(liu)DC/DC轉(zhuan)換成(cheng)器(qi)內嵌(qian)式UVLO(讀取(qu)欠壓守護解鎖(suo) 電(dian)(dian)流(liu)值3356固(gu)定3356輸出精度(du))設置(zhi)工作(zuo)電(dian)(dian)壓不大于2時的(de)(de)機械性(xing)能(neng)(neng)質量指標.4V(TYP.,組織結構(gou)動力單晶(jing)體(ti)管的(de)(de)操(cao)作(zuo)被硬性(xing)停止。

基本特征
內(nei)置能夠器:0.11Ω(TYP.)P-ch驅(qu)程晶胞管(guan).,0.12Ω(TYP.)嵌(qian)入(ru)N-ch驅(qu)動包(bao)器
鍵盤輸入電壓(ya)值范(fan)圍(wei)圖:2.7V~6.0V
效果(guo)電阻(zu)值時間(jian)范(fan)圍:0.9V~VIN
FB作(zuo)業直流電壓(ya):0.8V±2.0%
高轉(zhuan)變(bian)成錯誤率:95%(TYP.)
事(shi)情交流電:2.0A
事業頻(pin)段:1.2MHz±15%,2.4MHz±15%
明顯pwm占空比:100%
能指標體系:帶軟起動服務器器,CL智能化(hua)揮發能耗,受(shou)限制電(dian)流量(電(dian)腦深圳自(zi)動化(hua)復(fu)歸),超(chao)溫關機,UVLO
傳輸濾(lv)波電(dian)容(rong)(電(dian)不(bu)銹鋼容(rong)器(qi)(qi)(qi)):陶瓷(ci)制品濾(lv)波電(dian)容(rong)(電(dian)不(bu)銹鋼容(rong)器(qi)(qi)(qi))器(qi)(qi)(qi)
驅動器行式:PWM平穩調控
環(huan)境氣溫:-40℃~+85℃
適于的環(huan)境標準化:與EURoHS規格(ge)為相相配、無鉛化
上一篇: AC-DC電源模塊_AC-DC轉換器——PICO電源模塊
下一篇: ?DELTA顯示器電源