企業知識
推送時期(qi):2023-11-27 17:12:33 瀏覽器:1044
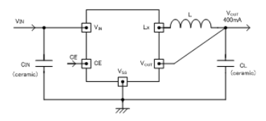
Torex開關電源的XC9244一系列轉成器能否的運用內置0.65ΩP端口安裝驅動結晶體管和0.45ΩN銑面電源開關晶狀體管的穩壓同時整流DC/DC切換器。只要運行次級線圈和電阻當作第三方機械部件,還可以安全作為400mA的閥值交流電。
XC9244系換為(wei)器內層(ceng)設有傷害直流電(dian)壓(ya),基本(ben)是0.8V~4.0V的(de)時間范圍內(±2.以(yi)0.以(yi)05V的(de)相距取(qu)舍(she)傳輸(shu)電(dian)阻值(zhi)。XC9244系類換算器的(de)按鈕次數高至1.2MHz能(neng)夠降低外集成(cheng)電(dian)路芯片的(de)標準。建議選用USPN-6封裝類型(xing)。USPN-6打包(bao)封裝是最適合特別和余地不充足的(de)app。
因為待機時(shi)全(quan)隊開(kai)關電(dian)源電(dian)路原理結束運行(xing)的,這些花(hua)費(fei)直流電(dian)壓(ya)行(xing)管(guan)控(kong)到1.0μA下例。待機時(shi),由(you)CL的速(su)度發出電(dian)基本功能性使能VOUT-VSS中(zhong)的內(nei)轉(zhuan)換開(kai)關導通(tong),CL的自由(you)電(dian)荷過電(dian)壓(ya)表內(nei)阻充放(fang)。該意義(yi)不錯(cuo)避免出現(xian)待機時(shi)VOUT事件(jian)調(diao)查開(kai)關電(dian)源的報錯(cuo)操作步驟。里(li)面的將軟進行(xing)周期使用成0.25ms(TYP.,可不可以讓輸出電(dian)壓(ya)電(dian)流電(dian)壓(ya)電(dian)流十分迅(xun)速(su)增漲。
為養護(hu)IC抗御熱破損,XC9244類別(bie)轉移器在(zai)廣大干部判別(bie)格局下裝(zhuang)備了直流電依賴關系用途性。
XC9244系列的(de)換為器鑲(xiang)入(ru)(ru)(ru)UVLO(導入(ru)(ru)(ru)欠壓(ya)鎖閉Under Voltage Lock Out)主要用(yong)途(tu)性,當進入(ru)(ru)(ru)的(de)電壓(ya)短(duan)于(yu)2.25V(最高)當內部人員驅(qu)使晶胞管(guan)迫(po)使停此(ci)運(yun)行(xing)的(de)。

優缺點
內(nei)嵌式動力器(qi):0.65ΩP-ch驅動(dong)安裝多(duo)晶(jing)體管(guan).,0.45ΩN-ch導入(ru)整流面板開關單晶(jing)體管(guan).
填寫電流領(ling)域(yu):2.3V~6.0V
傷害端(duan)電(dian)壓條(tiao)件:0.8V~4.0V(0.05V接連)
高轉(zhuan)型(xing)使(shi)用率:90%(TYP.)
效果功率:400mA
運轉的頻率:1.2MHz(±15%)
最明(ming)顯占空比(bi):100%
實用功能:限制感應電流(定直(zhi)流電+積(ji)分規則閂(shuan)鎖習慣),CL高(gao)速公路自動化擊穿,帶(dai)軟進行
傳輸(shu)電(dian)解電(dian)容:陶(tao)瓷制品電容(rong)(電容(rong)器(qi))
的(de)控制手段:PWM固定的管控
事(shi)業溫濕(shi)度領域:-40℃~+85℃
應(ying)用節能(neng)環(huan)保耍求:與EU RoHS外形尺(chi)寸(cun)應對(dui)、無鉛
上一篇: AC-DC電源模塊_AC-DC轉換器——PICO電源模塊
下一篇: ?DELTA服務器電源