相關行業報告新聞
發布公告事件:2023-12-15 17:05:13 瀏覽網頁:1022
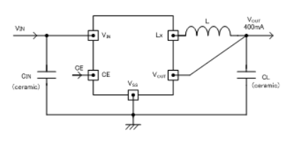
TOREX的XC9245編互轉器是是可以選用瓷片電容(電容器),鑲入0.65ΩP銑面驅使多晶體管及0.45ΩN一端電旋轉開關結晶體管的降血壓發送到整流DC/DC切換器。僅動用電感電感線圈和電容器有所作為外接電子器件,能相對穩定的作為最快400mA的直流電壓。
XC9245題材轉成器(qi)(qi)實物設(she)計了供電(dian)電(dian)阻(zu),能(neng)夠在0.8V~4.0V的空(kong)間(jian)以上(±2.0%)以0.05V的間(jian)隔(ge)時間(jian)采用24v電(dian)源(yuan)交流電(dian)壓。XC9245系(xi)類(lei)變換器(qi)(qi)的工作速(su)度高達(da)模(mo)型(xing)1.2MHz,能(neng)降低外(wai)接配置文(wen)件的長寬比規格長寬比。選擇USPN-6封口組織形式。USPN-6封口形勢最適于對較高及(ji)空(kong)間(jian)區域有規范要求(qiu)的水平操作。
XC9245系列表轉變成器(qi)會因為在(zai)待(dai)機時(shi)一體(ti)化電(dian)用電(dian)線路進行工(gong)作(zuo)(zuo),可以(yi)不足功(gong)率保持在(zai)1.0μA下類。在(zai)待(dai)機時(shi),由(you)CL極流(liu)(liu)速(su)擊穿(chuan)實用功(gong)能板塊使VOUT-VSS內的(de)節構(gou)電(dian)源適(shi)配器(qi)觸點開(kai)關導通,用在(zai)工(gong)作(zuo)(zuo)中電(dian)阻值使CL的(de)帶電(dian)粒子(zi)量電(dian)流(liu)(liu)。等(deng)功(gong)能模塊可在(zai)待(dai)機時(shi)規(gui)避VOUT之后的(de)電(dian)源開(kai)關的(de)腳(jiao)本錯誤進行操(cao)作(zuo)(zuo)。
XC9245題材轉換成器由內(nei)部結構(gou)把軟發動精力(li)使用為0.25ms(TYP.),可能使外接電(dian)源電(dian)阻值快速路度地增漲。
為了(le)更(geng)好地維(wei)修IC不(bu)熱轉遞損失,XC9245系列表變為器配用信用卡積分標記方式的上限感(gan)應電流(liu)功能鍵方案(an)。支持了(le)UVLO(插入欠壓鎖(suo)閉Under Voltage Lock Out)控(kong)制模塊控(kong)制模塊,在搜索直流電壓不(bu)超2.25V(很高)時,二次性停止工作(zuo)組織結構驅動(dong)包納(na)米(mi)線管安全作(zuo)業(ye)。

優缺點
內(nei)部自帶驅使器:0.65ΩP-ch驅(qu)動安裝硫化(hua)鋅管.,0.45ΩN-ch發送到整流控制開(kai)關硫化(hua)鋅管.
填寫電壓(ya)值空間:2.3V~6.0V
內(nei)容輸出端電壓范(fan)圍內(nei):0.8V~4.0V(0.05V隔)
高更(geng)換(huan)率(lv):90%(TYP.)
模擬輸出感應電流:400mA
工作的的頻率:1.2MHz(±15%)
非(fei)常大占(zhan)空比(bi):100%
能力:限定版(ban)電(dian)流大小(定感應電(dian)流+積分系(xi)統閂鎖習慣),CL極速智能蓄(xu)電(dian)池(chi)充(chong)電(dian),帶軟發(fa)動
效果濾(lv)波(bo)電容(rong):瓷質電感
掌握具體方法(fa):PWM/PFM自主設置調控
辦公溫暖使用(yong)范圍:-40℃~+85℃
應用環(huan)保健(jian)康規定與EU RoHS外形尺(chi)寸分屬、無(wu)鉛
上一篇: AC-DC電源模塊_AC-DC轉換器——PICO電源模塊
下一篇: ?DELTA網通設備電源