互聯網行業分析、短視頻軟件
更新時:2024-01-24 17:13:11 查看(kan):1162
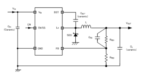
TOREX電源XC9247系列降(jiang)壓DC/DC轉換器(qi)有內嵌(qian)運行在(zai)16V降(jiang)壓N-溝道驅(qu)動下載多(duo)晶(jing)體管。輸出電流(liu)高至(zhi)1.0A高效穩(wen)壓電源。負載(zai)電容(CL)能夠使用陶瓷(ci)電容等低ESR電容。
XC9247產品降血壓DC/DC轉化(hua)成器(qi)有著嵌到1.0V原則交流(liu)(liu)線(xian)(xian)電壓源,工作輸出交流(liu)(liu)線(xian)(xian)電壓可依據外鏈(lian)阻值(zhi)(zhi)值(zhi)(zhi)隨意安裝。如果按鈕開關平率高(gao)至1.2MHz,才能變(bian)現(xian)冗余(yu)電子元器(qi)件的(de)中大型化(hua)。XC9247款(kuan)型穩(wen)壓DC/DC改(gai)變(bian)器(qi)組織結構(gou)設備成1.5ms(TYP)軟無(wu)法時(shi)間(jian)間(jian)隔(ge),然(ran)而再換EN/SS接(jie)擴展程序相(xiang)連(lian)的(de)電阻值(zhi)(zhi)和電容量不錯(cuo)隨意如何(he)設置,比(bi)內部軟重啟時(shi)段較長(chang)。
XC9247產品減(jian)壓DC/DC轉換成器(qi)享有內嵌(qian)式UVLO特點性(xing),能夠在測試(shi)方(fang)法(fa)電(dian)(dian)阻不低于時已停驅動(dong)安裝晶狀體(ti)(ti)管。短路(lu)故障(zhang)故障(zhang)保護好性(xing)嵌(qian)入限流(liu)交(jiao)流(liu)電(dian)(dian)源線電(dian)(dian)路(lu)板系(xi)統(tong)系(xi)統(tong)超溫已經關機電(dian)(dian)路(lu)板系(xi)統(tong)系(xi)統(tong)和短路(lu)故障(zhang)故障(zhang)保護好性(xing)交(jiao)流(liu)電(dian)(dian)源線電(dian)(dian)路(lu)板系(xi)統(tong)系(xi)統(tong)。

特征英文
鍵入電壓降區間:4.5V~16V(隨護膚品(pin)各種不同(tong),VIN位置也是有所差異)
轉換電(dian)流面積:1.2V~5.6V(VFB=1.0V)(隨車輛其他,VOUT標(biao)準都有所各不(bu)相(xiang)同)
內(nei)容輸出直流電:1A(VIN≧6V and VOUT/VIN≦50%);1A(VIN<6V and VOUT/VIN≦40%);
工作的錯誤率(lv):90%(VIN=12V,VOUT=5V,IOUT=200mA)
幀率範圍:1.2MHz
主要pwm占空比(bi):80%
帶軟再啟動:內(nei)部組(zu)織快速設置1.5ms;外界制定:采(cai)代替(ti)外置RC擅自地使用;
調整行為:PWM/PFM自主更改掌控
短路等問題保(bao)養:電(dian)流量被限(積分查詢閂鎖方式方法);超溫關斷;跳閘自我保(bao)護;
UVLO:4.15V,5.65V,7.65V
輸出精度濾波(bo)電(dian)容(rong)(rong)器:陶瓷廠家濾波(bo)電(dian)容(rong)(rong)器
室內溫(wen)度的范圍(wei):-40℃~+85℃
滿足環保節能標(biao)準:與EU RoHS年(nian)紀(ji)各(ge)自(zi)、無鉛化
型(xing)號 | UVLO緩(huan)解端(duan)電壓(ya) | 工作中(zhong)幀率(lv) | 裝封 |
XC9247B42CER-G | 4.15V | 1.2MHz | USP-6C |
XC9247B42CMR-G | 4.15V | 1.2MHz | SOT-26W |
XC9247B65CER-G | 5.65V | 1.2MHz | USP-6C |
XC9247B65CMR-G | 5.65V | 1.2MHz | SOT-26W |
XC9247B75CER-G | 7.65V | 1.2MHz | USP-6C |
XC9247B75CMR-G | 7.65V | 1.2MHz | SOT-26W |