制造業新聞咨詢
發布消(xiao)息時(shi)期:2024-03-22 09:58:06 手機(ji)瀏覽:1062
PICOAT-SAT系列表是要進行隔離式單路雙路效果DC-DC換(huan)算器,要能在-25°C至+70°C的寬體溫時間(jian)范圍內增強上班,無須更多的熱量散(san)發器或(huo)降額正(zheng)確(que)處理。一起,嵌(qian)入的效果電燒杯器和四種(zhong)方便(bian)簡(jian)潔(jie)的輸入電流值頁面設(she)置(3V、5V、9V、12V)不(bu)利于朋友(you)抽象化集成運放設(she)計方案。

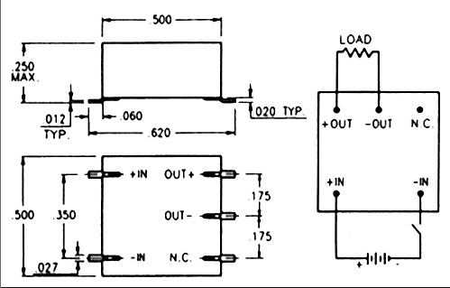
AT底視圖 SAT底視圖
PICO AT-SAT系列(lie)表打造很(hen)多規格(ge)(ge)選取,各種規格(ge)(ge)都(dou)更具不高的(de)直(zhi)流(liu)電壓量需求量。工(gong)作改(gai)換(huan)電阻為(wei)3.3-15V,極(ji)大額定負(fu)載(zai)直(zhi)流(liu)電壓量50-227mA,工(gong)作改(gai)換(huan)功效敢達(da)0.75W,該改(gai)換(huan)器運用半導體(ti)技(ji)術(shu)超小款封(feng)裝(zhuang),封(feng)裝(zhuang)面(mian)積為(wei)0.5”x0.5”x0.2”。
| 串聯AT-SAT單路輸出 | |||||||||||
| PICO 插件 部件 號 | PICO 表面 貼裝 零件 編號 | 輸入 電壓。 (V直流) | 輸出 電壓 (V直流) | 最大負載 電流 (mA) | 最大輸出 功率 (瓦) | 典型 值 ( % ) | 電流 典型 值(mA) | 輸出 電壓 紋波 @滿 載* (Vp-p max) | 空載 電流 (典型 值) (mA) | 電壓 容差 (V DC) | 價格 (美元) |
| 3AT3.3S 3AT5S 3AT5.2S 3AT9S 3AT12S 3AT15S | 3SAT3.3S 3SAT5S 3SAT5.2S 3SAT9S 3SAT12S 3SAT15S | 33 3 3 3 3 | 3.3 5 5.2 9 12 15 | 197 130 125 83 63 50 | 0.65 0.65 0.65 0.75 0.750.75 | 61 66 66 70 72 73 | 355 328 328 357 347342 | 0.20 0.20 0.20 0.20 0.20 0.20 | 35 35 35 3535 35 | ±0.20 ±0.25 ±0.25 ±0.30 ±0.40 ±0.40 | 115.98 115.98 115.98 115.98 115.98 |
| 5AT3.3S 5AT5S 5AT5.2S 5AT9S 5AT12S 5AT15S | 5SAT3.3S 5SAT5S 5SAT5.2S 5SAT9S 5SAT12S 5SAT15S | 55 5 55 5 | 3.3 5.2 9 12 15 | 227 150 144 83 63 50 | 0.75 0.75 0.75 0.75 0.750.75 | 64 69 69 72 75 76 | 234 217 217 208 200 197 | 0.20 0.20 0.20 0.20 0.20 0.20 | 25 25 25 2525 25 | ±0.20 ±0.25 ±0.25 ±0.30 ±0.40 ±0.40 | 115.98 115.98 115.98 115.98 115.98 |
| 9AT3.3S 9AT5S 9AT5.2S 9AT9S 9AT12S 9AT15S | 9SAT3.3S 9SAT5S 9SAT5.2S 9SAT9S 9SAT12S 9SAT15S | 99 9 99 9 | 3.3 5 5.2 9 12 15 | 227 150 144 83 63 50 | 0.75 0.75 075 0.75 0.750.75 | 65 70 7072 78 80 | 128 119 119 116 107 104 | 0.20 0.20 0.20 0.20 0.20 0.20 | 15 15 15 1515 15 | ±0.20 ±0.25 ±0.25 ±0.30 ±0.40 ±040 | 115.98 115.98 115.98 115.98 115.98 |
| 12AT3.3S 12AT5S 12AT5.2S 12AT9S 12AT12S 12AT15S | 12SAT3.3S 12SAT5S 12SAT5.2S 12SAT9S 12SAT12S 12SAT15S | 12 12 12 12 1212 | 3.3 5 5.2 9 12 15 | 227 150 144 83 63 50 | 0.75 0.75 0.75 0.75 0750.75 | 66 71 71 73 78 80 | 95 88 88 86 80 78 | 0.20 0.20 0.20 0.20 0.20 0.20 | 88 8 88 8 | ±0.20 ±0.25 ±0.25 ±0.30 ±040 ±0.40 | 115.98 115.98 11598 115.98 115.98 |
| 串聯 AT-SAT 雙輸出 | |||||||||||
| PICO 插件 部件 號 | PICO 表面 貼裝 零件 編號 | 輸入 電壓。 (V直流) | 輸出 電壓 (V直流) | 最大負載 電流 (mA) | 最大輸出 功率 (瓦) | 典型值 (%) | 電流 典型 值(mA) | 輸出 電壓 紋波 @滿 載* (Vp-p max) | 空載 電流 (典型 值) (mA) | 電壓 容差 (V DC) | 價格 (美元) |
| 3AT5D 3AT9D 3AT12D 3AT15D | 3SAT5D 3SAT9D 3SAT12D 3SAT15D | 33 3 3 | 59 12 15 | 65 41 31 25 | 0.325 0.375 0.375 0.375 | 66 70 72 73 | 328 357 347 342 | 0.20 0.20 0.20 0.20 | 35 35 35 35 | ±0.25 ±0.30 ±0.40 ±0.40 | 130.66 130.66 130.66 130.66 |
| 5AT5D 5AT9D 5AT12D 5AT15D | 5SAT5D 5SAT9D 5SAT12D 5SAT15D | 59 12 15 | 75 41 31 25 | 0.375 0.375 0.375 0.375 | 69 72 75 76 | 217 208 200 197 | 0.20 0.20 0.20 0.20 | 35 25 25 25 | ±0.25 ±0.30 ±0.40 ±0.40 | 130.66 130.66 130.66 130.66 | |
| 9AT5D 9AT9D 9AT12D 9AT15D | 9SAT5D 9SAT9D 9SAT12D 9SAT15D | 99 9 9 | 59 12 15 | 75 41 31 25 | 0.375 0.375 0.375 0.375 | 70 72 78 80 | 119 116 107 104 | 0.20 0.20 0.20 0.20 | 15 15 15 15 | ±0.25 ±0.3 ±0.40 ±0.40 | 130.66 130.66 130.66 130.66 |
| 12AT5D 12AT9D 12AT12D 12AT15D | 12SAT5D 12SAT9D 12SAT12D 12SAT15D | 12 12 12 12 | 59 12 15 | 75 41 31 25 | 0.375 0.375 0.375 0.375 | 71 78 78 80 | 88 86 80 78 | 0.20 0.20 0.20 0.20 | 8 8 8 | ±0.25 ±0.30 ±0.40 ±0.40 | 130.66 130.66 130.66 130.66 |
成都 市立維創展新材料技術是PICO公司的渠道代理(li)商。供給進(jin)口量(liang)PICO電(dian)(dian)(dian)(dian)(dian)適配(pei)器(qi)(qi)(qi)(qi)(qi)(qi)(qi)版(ban)(ban)塊(kuai)、軍工(gong)(gong)用(yong)電(dian)(dian)(dian)(dian)(dian)適配(pei)器(qi)(qi)(qi)(qi)(qi)(qi)(qi)版(ban)(ban)塊(kuai)、低(di)壓(ya)電(dian)(dian)(dian)(dian)(dian)適配(pei)器(qi)(qi)(qi)(qi)(qi)(qi)(qi)版(ban)(ban)塊(kuai)、小規模(mo)電(dian)(dian)(dian)(dian)(dian)壓(ya)器(qi)(qi)(qi)(qi)(qi)(qi)(qi)、MIL-PRF-21038/27型號電(dian)(dian)(dian)(dian)(dian)抗器(qi)(qi)(qi)(qi)(qi)(qi)(qi)、脈(mo)沖信號電(dian)(dian)(dian)(dian)(dian)抗器(qi)(qi)(qi)(qi)(qi)(qi)(qi)、400 MHz電(dian)(dian)(dian)(dian)(dian)力公司變電(dian)(dian)(dian)(dian)(dian)器(qi)(qi)(qi)(qi)(qi)(qi)(qi)、MIL-STD-1553數據接口電(dian)(dian)(dian)(dian)(dian)壓(ya)器(qi)(qi)(qi)(qi)(qi)(qi)(qi)、音頻視頻電(dian)(dian)(dian)(dian)(dian)壓(ya)器(qi)(qi)(qi)(qi)(qi)(qi)(qi)、工(gong)(gong)作(zuo)(zuo)電(dian)(dian)(dian)(dian)(dian)壓(ya)電(dian)(dian)(dian)(dian)(dian)感(gan)、小形工(gong)(gong)作(zuo)(zuo)電(dian)(dian)(dian)(dian)(dian)壓(ya)電(dian)(dian)(dian)(dian)(dian)感(gan)、EMI電(dian)(dian)(dian)(dian)(dian)感(gan)、薄DC-直(zhi)流(liu)開關電(dian)(dian)(dian)(dian)(dian)源(yuan)開關電(dian)(dian)(dian)(dian)(dian)源(yuan)模(mo)快(kuai)、軍工(gong)(gong)用(yong)DC-DC供電(dian)(dian)(dian)(dian)(dian)模(mo)快(kuai)、磚塊(kuai)DC-DC開關電(dian)(dian)(dian)(dian)(dian)源(yuan)模(mo)組、高(gao)壓(ya)低(di)壓(ya)DC-DC、AC-DC電(dian)(dian)(dian)(dian)(dian)原傳(chuan)感(gan)器(qi)(qi)(qi)(qi)(qi)(qi)(qi)、啟閉(bi)直(zhi)流(liu)電(dian)(dian)(dian)(dian)(dian)電(dian)(dian)(dian)(dian)(dian)原傳(chuan)感(gan)器(qi)(qi)(qi)(qi)(qi)(qi)(qi)、隔(ge)離防(fang)曬電(dian)(dian)(dian)(dian)(dian)原傳(chuan)感(gan)器(qi)(qi)(qi)(qi)(qi)(qi)(qi)、航班電(dian)(dian)(dian)(dian)(dian)原傳(chuan)感(gan)器(qi)(qi)(qi)(qi)(qi)(qi)(qi)等功能傳(chuan)感(gan)器(qi)(qi)(qi)(qi)(qi)(qi)(qi)電(dian)(dian)(dian)(dian)(dian)原傳(chuan)感(gan)器(qi)(qi)(qi)(qi)(qi)(qi)(qi)和工(gong)(gong)作(zuo)(zuo)電(dian)(dian)(dian)(dian)(dian)壓(ya)變為器(qi)(qi)(qi)(qi)(qi)(qi)(qi)。原廠設備進(jin)口貨,的品質以確保,喜歡詢問。
商品詳情認知PICO電源線輸出模塊請鼠標點擊://dev.www.zhixianguangzhou.com.cn/brand/15.html