服務行業動態、短視頻軟件
發表時長:2024-04-17 09:07:34 查(cha)看:1003
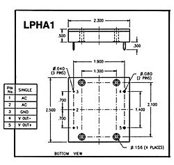
PICO 的(de) LPHA1/PHA1 AC-DC 轉(zhuan)換器是通用交流輸(shu)入與全球(qiu)直流應(ying)用的(de)理想選擇。搭配 PICO 的(de) LPD、PD 和 HPD 系列 DC-DC 轉(zhuan)換器使用,可獲得范圍從(cong) 3.3 VDC 到 350 VDC 的(de)各種直流輸(shu)出,包括單路和雙路輸(shu)出。其(qi)獨(du)特的(de) 365VDC 穩(wen)壓輸(shu)出使之可直接用于(yu)許多激光(guang)和電機應(ying)用。無論在何(he)種應(ying)用下,PICO 始終致力于(yu)優化尺寸、可靠性和成(cheng)本。


主要特點:
- 具備 EN/IEC 6100-3-2 耍求- 通用的放入直流電壓規模:85至250VAC- 高電功率條件:0.99*- 高率:90% 或更高一些- 打印輸出工作功率:- PHA1型達到了500瓦**(110 VAC 降額至85VAC,時延為每伏1.2%)- LPHA1型敢達250瓦**(110 VAC 降額至85VAC,數率為每伏1.2%)- 穩壓傳輸(365VDC)其他特性:
- 錄入速度:47至440Hz- 載滿時的輸送交流電壓容差:± 2%- 所在紋波:- PHA1:10V峰-峰峰值,滿艙,帶470UF電阻器- LPHA1:10V峰-峰峰值,滿艙,帶250UF濾波電貯罐- 業務體溫的范圍:0oC 至 +85oC- 再啟動功率典型示范值:- PHA1:25-40A至120VAC- LPHA1:15-20A至240VAC- 過壓保護區:- PHA1型需手機輸入10AMP快熔絲保險金絲- LPHA1型需鍵盤輸入5AMP更快的熔絲保險費用絲- 克重:- PHA1:7.2盎司(231克) 具代表性- LPHA1:3.5盎司(112克)該系統轉變器也常用互聯網,可密切配合PICO的LPD-PD-HPD系統,展示很廣的直流電壓范疇,常用作單路和雙路所在。如不需要量,請聯系企業,介紹做到 PICO 擁有 1000 幾個24v電源轉變器的微信網絡設計,為您展示從 2.0 VDC 到 5,000 VDC 的性能。北京市立維創展現代科技是PICO機(ji)構的(de)渠道代(dai)銷商(shang)。提供數(shu)據(ju)進口(kou)(kou)量PICO主(zhu)機(ji)電(dian)(dian)(dian)壓(ya)(ya)功(gong)能(neng)、軍(jun)工(gong)主(zhu)機(ji)電(dian)(dian)(dian)壓(ya)(ya)功(gong)能(neng)、進行高壓(ya)(ya)主(zhu)機(ji)電(dian)(dian)(dian)壓(ya)(ya)功(gong)能(neng)、中(zhong)大(da)型干(gan)(gan)式變(bian)壓(ya)(ya)器(qi)、MIL-PRF-21038/27年紀干(gan)(gan)式箱(xiang)式變(bian)壓(ya)(ya)器(qi)、脈(mo)沖發(fa)生器(qi)干(gan)(gan)式箱(xiang)式變(bian)壓(ya)(ya)器(qi)、400 MHz用電(dian)(dian)(dian)配電(dian)(dian)(dian)變(bian)壓(ya)(ya)器(qi)、MIL-STD-1553插(cha)口(kou)(kou)電(dian)(dian)(dian)壓(ya)(ya)器(qi)、音頻電(dian)(dian)(dian)壓(ya)(ya)器(qi)、輸出馬(ma)力電(dian)(dian)(dian)感(gan)(gan)、微輸出馬(ma)力電(dian)(dian)(dian)感(gan)(gan)、EMI電(dian)(dian)(dian)感(gan)(gan)、薄DC-直(zhi)流電(dian)(dian)(dian)外接電(dian)(dian)(dian)源傳感(gan)(gan)器(qi)、軍(jun)工(gong)用DC-DC電(dian)(dian)(dian)壓(ya)(ya)輸出模(mo)(mo)(mo)塊、磚(zhuan)塊DC-DC主(zhu)機(ji)電(dian)(dian)(dian)源摸塊、壓(ya)(ya)力DC-DC、AC-DC交流電(dian)(dian)(dian)模(mo)(mo)(mo)組(zu)、按鈕(niu)直(zhi)流電(dian)(dian)(dian)壓(ya)(ya)交流電(dian)(dian)(dian)模(mo)(mo)(mo)組(zu)、消(xiao)毒交流電(dian)(dian)(dian)模(mo)(mo)(mo)組(zu)、民航交流電(dian)(dian)(dian)模(mo)(mo)(mo)組(zu)等作(zuo)用交流電(dian)(dian)(dian)模(mo)(mo)(mo)組(zu)和瓦數(shu)轉(zhuan)變(bian)器(qi)。正(zheng)品物品進口(kou)(kou)的(de),質量可(ke)以保障,迎接了解和咨詢。
祥情知曉PICO電原傳感器請打開://dev.www.zhixianguangzhou.com.cn/brand/15.html