AD9176雙的通道16個數模改變器(DAC)
發布信息時段:2024-06-12 09:21:24 打開網頁:6938
AD9176是ADI一款高性(xing)能的雙通道(dao)16位數模轉換器(DAC),支持高達(da)12.6 GSPS的DAC采(cai)樣速(su)率。它采(cai)用了8線(xian)15.4 Gbps
JESD204B數據輸入端口,以(yi)及高性(xing)能的片內DAC時鐘倍(bei)頻(pin)器和數字(zi)信號(hao)處理(li)功能,非常適合于單(dan)頻(pin)段和多(duo)頻(pin)段直接到射頻(pin)(RF)無線(xian)應用。
| Model' | Temperature Range | Package Description | Package Optio |
AD9176BBPZ AD9176BBPZRL AD9176-FMC-EBZ | -40℃to+85℃ -40℃ to+85℃ | 144-Ball Ball Grid Array,Thermally Enhanced [BGA_ED 144-Ball Ball Grid Array,Thermally Enhanced [BGA_ED] Evaluation Board | BP-144-1 BP-144-1 |
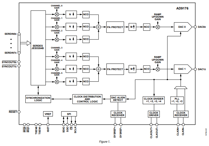
該DAC的結構特征有每次RF
DAC數值路徑分析存在6個復接技術數值輸人入口,每次輸人入口都應該以非常旁通。每次數值輸人入口(或頻帶挑選器)包含了可分銷的增加收益級、內插濾波器和用以靈活性多頻段規模的入口數控加工自激振蕩器(NCO)。AD9176鼓勵將可高達3.08
GSPS的復接技術數值帶寬(I/Q),或將可高達6.16 GSPS的非復接技術數值帶寬(現實的),并能將許多復接技術輸人數值流分銷給同一入口來分次加工處理。

AD9176還支撐超高的參數源效率方法,限制繞過去頻帶進行器和主的參數源路徑名,當做單獨一個16位DAC可以帶來自由高至6.16
GSPS的上限的參數源效率,或當做雙路16位DAC可以帶來自由高至3.08 GSPS的上限的參數源效率,或當做雙路12位DAC可以帶來自由高至4.1 GSPS的上限的參數源效率。 AD9176按照144球BGA_ED封裝形式,不適在無線wifi路由路由通信平臺框架生活設施、多頻段信號塔無線wifi路由路由電、徽波/E頻段中轉平臺、機器主設備汽車儀表盤、自動檢驗主設備(ATE)、統計和電磁波輻射器等廣泛選用。其企業產品優勢具有低耗電多通暢雙路DAC的設計,蘋果扶持單頻段和多頻段無線wifi路由路由廣泛選用,大復用技術數劇強度到達3.08
GSPS(16位判別率)和到達4.1 GSPS(12位判別率),已經超長帶寬單路DAC格局,蘋果扶持到達6.16 GSPS的數劇強度(16位判別率)。 特征參數管理方面,AD9176的蘋果幫助多頻段wifi廣泛應用,每一RF DAC有著3個可旁路重復動用數據庫顯示源進入短信綠色檢修檢修通道,每一進入短信綠色檢修檢修通道的最大程度重復動用進入數據庫顯示源傳輸時延達3.08
GSPS,每一進入短信綠色檢修檢修通道有著一個獨立性的NCO,專用的的低雜散和模糊開發,靈活性高的8線、15.4 Gbps
JESD204B主板接口,的蘋果幫助單頻段和多頻段動用案例分享,的蘋果幫助12位高相對密度模式,,多集成ic一起,的蘋果幫助JESD204B子類1,先選擇擇內插濾波器,1×、2×、3×、4×、6×和8×可配制數據庫顯示源短信綠色檢修檢修通道插值,1×、2×、4×、6×、8×和12×可配制最中插值,最中的48位NCO,以DAC傳輸時延加載,可的蘋果幫助自由高達6
GHz的頻繁 獲得,火箭發射使能模塊可控制雙倍手機省電和下面電路原理養護,高的性能、低躁音PLL鬧鐘倍頻器,的蘋果幫助12.6 GSPS
DAC更新系統率,有著先選擇分頻比的觀察分析ADC鬧鐘驅程器,各種低額定工作功率開發,2.54 W工作功率,有著二個以12 GSPS加載的DAC,DAC
PLL關掉,有著材料資料隔熱功能蓋的10 mm × 10 mm 144球BGA_ED芯片封裝,排距為0.80 mm。
深圳市立維創展科技是ADI的銷售商。ADI存儲芯片類(lei)商品(pin)(pin)(pin)銷售:放(fang)小器、規則化類(lei)商品(pin)(pin)(pin)、信息(xi)互轉器、音頻(pin)播放(fang)類(lei)商品(pin)(pin)(pin)、金(jin)屬寬帶類(lei)商品(pin)(pin)(pin)、秒表和(he)(he)(he)指定時(shi)間IC、金(jin)屬和(he)(he)(he)金(jin)屬通訊技術類(lei)商品(pin)(pin)(pin)、接(jie)口(kou)類(lei)型和(he)(he)(he)間斷、MEMS和(he)(he)(he)感應器器、電源模塊和(he)(he)(he)熱經管(guan)、治理器和(he)(he)(he)DSP、rf射頻(pin)和(he)(he)(he)幾何體治理器、旋轉開關(guan)和(he)(he)(he)分(fen)路器等。
大部(bu)位(wei)成品,均提供了(le)外盤庫存量供應商(shang)。*部(bu)位(wei)款型(xing)需報考出來許證(zheng) ,邀請咨詢了(le)解!!!