市場新聞
公布的日期(qi):2024-08-15 09:14:48 觀看:6079

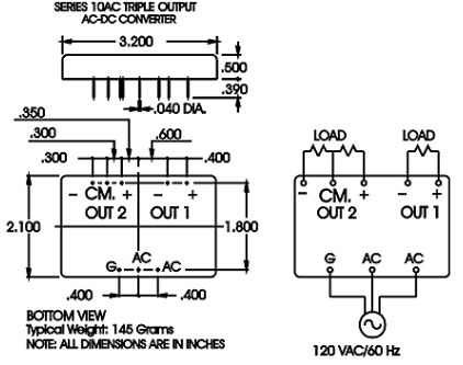
10AC12T5是一款三路輸出的AC-DC電源模塊,由PICO公司生產。這款電源模(mo)塊具有以(yi)下(xia)特點(dian)和技術(shu)參數:
1. 輸入電壓范圍:
90-130VAC (47-440Hz) 先選:170-240VAC (47-440Hz)2. 環境條件:
寬辦公溫度的范圍:-55°C至+85°C 過高低溫及光老化測試儀:-55°C至+125°C3. 型號與規格:
機型:10AC12T5 主工作輸出直流電壓:5 VDC 極限阻抗電流值:1400 mA 更大模擬輸出輸出最大功率:7 W 相電壓額定電動機扭矩上下調整超范圍:25%-100%額定電動機扭矩,±0.5% 打印輸出直流電壓紋波(1.1 MHz傳輸速率下):50 mV峰峰峰值4. 輔助輸出電壓和電流:
輔佐輸出直流電壓1:±12 VDC 最大化額定負載直流電1:125 mA 最好所在工作電壓1:1.5W 內容輸出直流電壓紋波1(1.1 MHz上行帶寬下):50 mV峰最高值 幫助讀取的電壓2:±12 VDC 最大的負債電流大小2:50 mA 較大轉換耗油率2:1.2W 傳輸電流值紋波2(1.1 MHz帶寬起步下):50 mV峰峰峰值5. 效率:
在滿負荷情況下,利用率為77% 此開關電源摸塊使代替不近人情的民品細則及航空工業應用,可在苛刻大環境下可以信賴執行。服務性狀其中包括寬鍵入電流端電壓范疇、安穩的傳輸電流端電壓、低紋波背景噪聲及高效化率。深圳市立維創展科技是PICO公司的代銷商城商。可以提供(gong)出口(kou)PICO電(dian)(dian)(dian)(dian)(dian)模快、軍工(gong)(gong)電(dian)(dian)(dian)(dian)(dian)模快、各類(lei)高(gao)壓(ya)電(dian)(dian)(dian)(dian)(dian)模快、超小(xiao)型電(dian)(dian)(dian)(dian)(dian)抗器(qi)(qi)、MIL-PRF-21038/27樣式電(dian)(dian)(dian)(dian)(dian)壓(ya)器(qi)(qi)、電(dian)(dian)(dian)(dian)(dian)磁電(dian)(dian)(dian)(dian)(dian)壓(ya)器(qi)(qi)、400 MHz電(dian)(dian)(dian)(dian)(dian)力能(neng)(neng)源干式變壓(ya)器(qi)(qi)、MIL-STD-1553音(yin)頻接(jie)(jie)口(kou)配(pei)(pei)電(dian)(dian)(dian)(dian)(dian)箱(xiang)式變壓(ya)器(qi)(qi)、音(yin)頻配(pei)(pei)電(dian)(dian)(dian)(dian)(dian)箱(xiang)式變壓(ya)器(qi)(qi)、工(gong)(gong)作額(e)(e)定功率(lv)(lv)電(dian)(dian)(dian)(dian)(dian)感(gan)、小(xiao)型空氣開關(guan)工(gong)(gong)作額(e)(e)定功率(lv)(lv)電(dian)(dian)(dian)(dian)(dian)感(gan)、EMI電(dian)(dian)(dian)(dian)(dian)感(gan)、薄DC-直流(liu)(liu)(liu)供(gong)電(dian)(dian)(dian)(dian)(dian)供(gong)電(dian)(dian)(dian)(dian)(dian)板塊、軍用裝備DC-DC電(dian)(dian)(dian)(dian)(dian)源接(jie)(jie)口(kou)接(jie)(jie)口(kou)、磚塊DC-DC電(dian)(dian)(dian)(dian)(dian)源適配(pei)(pei)器(qi)(qi)功能(neng)(neng)模塊、超高(gao)壓(ya)DC-DC、AC-DC交(jiao)流(liu)(liu)(liu)供(gong)電(dian)(dian)(dian)(dian)(dian)傳感(gan)器(qi)(qi)、按鈕開關(guan)直流(liu)(liu)(liu)電(dian)(dian)(dian)(dian)(dian)壓(ya)交(jiao)流(liu)(liu)(liu)供(gong)電(dian)(dian)(dian)(dian)(dian)傳感(gan)器(qi)(qi)、底部隔離交(jiao)流(liu)(liu)(liu)供(gong)電(dian)(dian)(dian)(dian)(dian)傳感(gan)器(qi)(qi)、飛機維修(xiu)交(jiao)流(liu)(liu)(liu)供(gong)電(dian)(dian)(dian)(dian)(dian)傳感(gan)器(qi)(qi)等功用交(jiao)流(liu)(liu)(liu)供(gong)電(dian)(dian)(dian)(dian)(dian)傳感(gan)器(qi)(qi)和最大(da)功率(lv)(lv)轉型器(qi)(qi)。原廠(chang)設備進品,性(xing)能(neng)(neng) 保障,熱情接(jie)(jie)待質詢。