行業中資訊、短視頻軟件
上傳用時:2024-08-28 09:34:49 瀏覽網頁:5834

主要特點
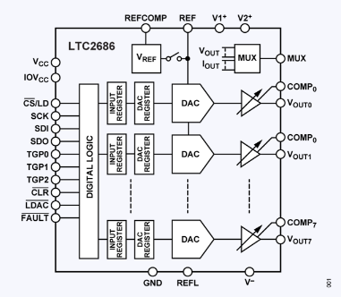
通路用量與甄別率:LTC2686帶來6個獨立性的DAC通路,每一位通路存在16位甄別率。 讀取位置:每項的通道的讀取位置行自主和程序編寫,扶持種讀取位置,涉及到0 V至5 V、0 V至10 V、±5 V、±10 V和±15 V。 單薄性:該DAC衡量單薄性,狠抓在整個實操環境下工作輸出端電壓的重復性和可預估性。 傷害緩解器:原機軌到軌傷害緩解器,就可以打造或吸收率獨角獸高達55 mA的電流大小。 基點額定相相電流電壓源:內外4.096 V精細基點額定相相電流電壓源,支持軟件高的精密度輸入輸出額定相相電流電壓設計。外基點額定相相電流電壓源也可以選擇于拓張範圍選項卡。 程序控制器學習失和聲小調收獲值:能夠程序控制器學習失和聲小調收獲值寄存器,進第一步提高了DAC輸出精確的精確。 音頻接頭:支持軟件SPI和MICROWIRE兼容的四線串行音頻接頭,可在低至1.71 V的形式邏輯電平靜到達50 MHz的鐘表頻段下工作任務。 封口:展示6 mm x 6 mm的40引腳LFCSP和4.5 mm × 4.5 mm的64引腳WLCSP多種封口界面。應用領域
LTC2686適合于很多高精確管控和測量方法采用,也包括: - 光仟互聯網 - 議器儀容儀表 - 的數據采樣 - 手動公測設備 - 具體步驟有效控制和工業園重新化其他特性
INL不確定度:最高積分換非平滑(INL)不確定度為±3 LSB(LTC2686-16)和±0.75 LSB(LTC2686-12)。 溫濕度平穩性:原則相電壓源的溫濕度平穩性為±10 ppm/°C(最多值)。 多路復接器:摸擬多路復接器要學會簡化了輸出電壓降、負荷電流大小和結溫的自動測量。 電壓模塊:支撐靈活機動的單電壓模塊或雙電壓模塊輸電。上一篇: 高速模數轉換器ADC時鐘極性與啟動時間
下一篇: AD8139低噪聲軌到軌差分ADC驅動器