業內新聞咨詢
頒布時(shi)候(hou):2024-10-28 16:57:56 觀看:738
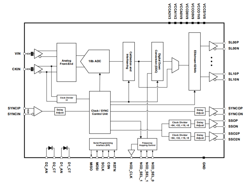
EV10AS940是款適宜10位Ka波長的單路法向齒轉變成器(ADC),抽樣率高至12.8GSps,功能模塊耗用為2.5W。是因為集成型化倆個NCO,具備著加數下調頻(DDC)和跳幀(FH)功效性,具備倆個金額渠道。EV10AS940選擇使用有機會基面材料封裝結構類型,可以保持極速和網絡帶寬檢測遠程控制。

特征描述
33GHz(-3dB)模仿服務器帶(dai)寬(kuan)
高至12.8GSp
10位辨別率
2.5W功用不足
500mVpp滿測量范圍內(nei)搜索高各(ge)式各(ge)樣范圍內(nei)
單(dan)端rf射(she)頻和數字時鐘輸進,帶板上直流電塊和50Ω響應的式
板上背上效正
自然(ran)數下直流變頻空調(DDC)
I/Q下變頻器,必備條件2到1024百分(fen)比
1個粗通道或最小(xiao)4個細檢(jian)修通道也可(ke)以首選
快速跳幀,具備條件多(duo)功能型確保性控制和3跳工具欄:
相位重設
相位陸續性
相位全部(bu)統一又多樣(每一個區域(yu)4個相位勾起器)
用來于波束演變成的號碼超時(shi)和(he)可(ke)編譯程(cheng)序增加收益(yi)值
11個一起HSSL
ESIstream 62/64b協議格式
多ADC數據同步功能性
3.3V/1.8V/1.2V/0.9V轉換開關外(wai)接電源
高效率的1.2V至1.8V SPI控制開(kai)關供電(dian)
16.0x17.6mm2生產(chan)FCBGA
間(jian)隙(xi)為(wei)0.8mm的350個集分(SAC305)
最(zui)多情(qing)況溫(wen):-55°C(Tcase)至125°C(Tj)
RoHS(無鉛)
應該用的領域
遙(yao)感(gan)衛星通訊網絡散發軟(ruan)件系(xi)統,
金屬流量(liang)火箭發射控(kong)制系統(tong),
機(ji)載汽車雷(lei)達(SAR)發程序
衛星信(xin)號網絡通訊、測控機(ji)系統(tong)、信(xin)息(xi)通道
電子廠(chang)戰(zhan)(監視(shi)/在線檢測)
軍事科學光纖通信裝置
航天(tian)軍(jun)工用商業樓應用軟件(jian)外盤遙測模式
數字式儲存示波器
穩定遙測系統化
射電天文
成都立維創展自動化是Teledyne E2V的經銷處商,核心(xin)提供了(le)Teledyne E2V數模(mo)裝換器(qi)和(he)半導體設備,Teledyne E2V的適(shi)用范(fan)圍其(qi)中包括(kuo)溝(gou)通(tong)、自己化(hua)、得知、醫(yi)學、綠色(se)等(deng)。價額競爭優勢,祝賀網絡咨詢。
上一篇: 高速模數轉換器ADC時鐘極性與啟動時間