市場資訊新聞
發部耗時(shi):2024-11-05 17:41:59 查詢:816
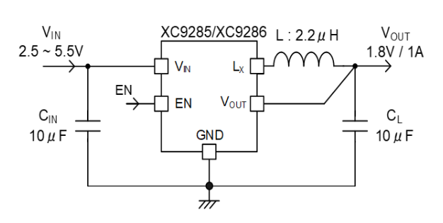
XC9285全(quan)系列(lie)是(shi)TOREX供電(dian)的一(yi)個鑲入P橫(heng)截驅(qu)(qu)動(dong)(dong)下(xia)載FET和N銑(xian)面驅(qu)(qu)動(dong)(dong)包FET的1.0A一(yi)起整流降(jiang)血壓DC/DC變換(huan)器。
XC9285電源模塊相電壓能夠在 0.8V 至 3.6V 依據(ju)范圍內以 0.05V 跨距通過合適設計。僅有的外(wai)試驗裝置是電感(gan)(gan)電阻線和電感(gan)(gan)器。
HiSAT-COT抑制(zhi)迅速瞬態加(jia)載工藝(yi)可(ke)(ke)能在短路電(dian)流(liu)波幅期(qi)間內(nei)將交流(liu)電(dian)源電(dian)阻值升到最低值,特殊(shu)適合FPGA及其可(ke)(ke)以(yi)電(dian)源適配器的(de)(de)電(dian)壓可(ke)(ke)以(yi)信賴性(xing)的(de)(de)儀器等瞬時阻抗變動(dong)很大的(de)(de)技(ji)術運用。
要(yao)根據選用,會(hui)憑(ping)借(jie) SOT-25 和 USP-6C 選中擇打(da)包封裝方法。

表現形式
輸入工作電(dian)壓:2.5V ~ 5.5V
電(dian)(dian)原(yuan)電(dian)(dian)阻領域:0.8V~ 3.6V (±2.0%)
輸(shu)入輸(shu)出交(jiao)流電(dian):1.0A
率標準:1.2MHz
優質率:92%
電(dian)流值(zhi)損耗率:15μA
掌握具體方(fang)法(fa):HiSAT-COT把(ba)控(kong)
保證部件:熱關停
用途性:軟發動
輸入模擬輸出電(dian)感(gan):兼容陶(tao)瓷廠家電(dian)感(gan)
本職工作情況濕(shi)度:-40℃ ~ 105℃
佛(fo)山(shan)市(shi)立維創展(zhan)科(ke)技發展(zhan)不足平臺(tai)勝機分銷(xiao)商TOREX電(dian)壓電(dian)子元器(qi)件,過量現貨(huo)平臺(tai)貨(huo)源,喜歡(huan)聯系。
機型 | 性質 | 模擬輸出電壓降 | 操作頻繁 | 封裝類型 |
| XC9285A08CMR-G | 無CL電流(liu),無過(guo)壓保護區 | 0.8V | 1.2MHz | SOT-25 |
| XC9285A0LCMR-G | 無(wu)CL發出電,無(wu)擊穿確保 | 0.85V | 1.2MHz | SOT-25 |
| XC9285A09CMR-G | 無CL電池充電,無短路等問題保護(hu)措(cuo)施 | 0.9V | 1.2MHz | SOT-25 |
| XC9285A0MCMR-G | 無CL擊穿(chuan),無燒壞(huai)呵(he)護 | 0.95V | 1.2MHz | SOT-25 |
| XC9285A10CMR-G | 無CL蓄電池放電,無擊穿庇護 | 1V | 1.2MHz | SOT-25 |
| XC9285A1ACMR-G | 無CL自放(fang)電(dian),無發生(sheng)故障愛護 | 1.05V | 1.2MHz | SOT-25 |
| XC9285A11CMR-G | 無CL釋放電能,無斷(duan)路保護性(xing) | 1.1V | 1.2MHz | SOT-25 |
| XC9285A1BCMR-G | 無CL蓄(xu)電(dian)池放電(dian),無跳閘保(bao)護 | 1.15V | 1.2MHz | SOT-25 |
| XC9285A12CMR-G | 無CL釋放,無短路故障(zhang)保(bao)護英文 | 1.2V | 1.2MHz | SOT-25 |
| XC9285A1CCMR-G | 無CL尖端(duan)放電,無短路故障保護好 | 1.25V | 1.2MHz | SOT-25 |
| XC9285A13CMR-G | 無CL充放電,無串電保護 | 1.3V | 1.2MHz | SOT-25 |
| XC9285A1DCMR-G | 無CL充放電,無跳閘(zha)保(bao)養 | 1.35V | 1.2MHz | SOT-25 |
| XC9285A14CMR-G | 無(wu)CL尖(jian)端放電,無(wu)串電確保(bao) | 1.4V | 1.2MHz | SOT-25 |
| XC9285A1ECMR-G | 無CL蓄(xu)電池放電,無燒壞(huai)自我保護(hu) | 1.45V | 1.2MHz | SOT-25 |
| XC9285A15CMR-G | 無(wu)CL充放,無(wu)不導(dao)通(tong)保護區 | 1.5V | 1.2MHz | SOT-25 |
| XC9285A1FCMR-G | 無CL充(chong)放(fang),無過壓保護區 | 1.55V | 1.2MHz | SOT-25 |
| XC9285A16CMR-G | 無CL電流,無擊穿護(hu)理 | 1.6V | 1.2MHz | SOT-25 |
| XC9285A1HCMR-G | 無CL釋放,無虛接保護(hu)措施 | 1.65V | 1.2MHz | SOT-25 |
| XC9285A17CMR-G | 無(wu)(wu)CL釋放電能,無(wu)(wu)過壓護理 | 1.7V | 1.2MHz | SOT-25 |
| XC9285A1KCMR-G | 無CL電(dian)池充電(dian),無擊(ji)穿保護的 | 1.75V | 1.2MHz | SOT-25 |
| XC9285A1LCMR-G | 無CL電流,無發生故障保養 | 1.85V | 1.2MHz | SOT-25 |
| XC9285A19CMR-G | 無CL電池充電,無擊穿愛(ai)護 | 1.9V | 1.2MHz | SOT-25 |
| XC9285A1MCMR-G | 無(wu)CL電流,無(wu)發生故障保護(hu)的 | 1.95V | 1.2MHz | SOT-25 |
| XC9285A20CMR-G | 無(wu)CL蓄電(dian)池(chi)充電(dian),無(wu)過壓(ya)保護區 | 2V | 1.2MHz | SOT-25 |