市場信息
正式發布時(shi)間間隔(ge):2024-11-13 17:32:14 查看(kan):853
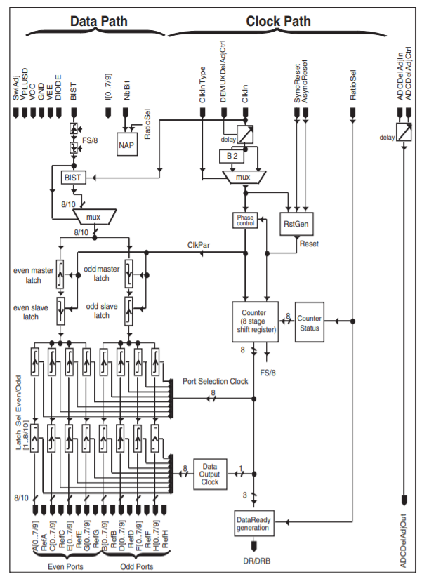
TS81102G0FS是E2V的1款單面10位高速的(高至1.5Gsps)多路分用器。DMUX一般性使用在和不同ADC此外業務,更高體地說,TS81102G0FS與e2v高速公路ADC 8位1Gsps TS8388B、ADC 10位2Gsps TS83102G0B無極限自適應。
TS81102G0FS選取路過有力查驗的構架,包含(han)遲緩操作與調(diao)節器式打出(chu)電(dian)平。
TS81102G0FS能能讓用戶賬戶將高速的(de)讀取數據資料流方案到(dao)規格衛(wei)星信號治(zhi)理器(qi)波特率(lv)(規格FPGA)

具體表現
可編寫程(cheng)序DMUX占(zhan)有(you)比率:
-1:4數值傳輸率(lv)較高(gao)=750 Msps
-PD(8b/10b)<4.3/4.7W(ECL 50讀取)
-1:8數據(ju)信息速(su)率單位(wei)極(ji)限=1.5Gsps
-PD(8b/10b)<6/6.9W(ECL 50輸(shu)出)
-1:16,帶1個TS8388B或1個TS83102GO和2個DMUX
并行(xing)執行(xing)的輸出形式
8/10位
.ECL差分投入(ru)統計(ji)資料
.數(shu)據庫資(zi)料做好的(de)準(zhun)備(bei)或數(shu)據庫資(zi)料做好的(de)準(zhun)備(bei)/2鍵入(ru)掛鐘(zhong)
.手機(ji)輸入鐘(zhong)表采集(ji)超(chao)時設(she)定
單端轉換數據顯示:-隨意調(diao)節式共(gong)模和運動-規律性閥值可以參考輸出精度(du)
-ECL、PECL、TTL
.異步重設
同樣開啟
.ADC和(he)DMUX多節點的技術用途:用途于(yu)ADC抽樣即時性(xing)居采和(he)自主廷遲轉換板塊
差平均分據備好傳輸
內嵌式檢(jian)測(BIST)
雙供(gong)電VEE=-5V,Vcc=5V
·面(mian)向于電磁輻射受力產品 設(she)計(ji)(ji)制作(預計(ji)(ji)在超(chao)越100 Krad(Si))
熱強化CQFP196腔(qiang)積極打包封(feng)裝
需求
做工作室溫:
-C級:0C-V級:-40℃-M級:-55C·“C”、“V”和(he)“M”級的規定檢杳(yao)職位
·ESA SCC 9000“M”級城市挑(tiao)選(xuan)過程中(結合需要)
鄭州立維創展科技發展是Teledyne E2V的(de)供(gong)應(ying)商商,基本市(shi)場均衡Teledyne E2V數(shu)模(mo)變(bian)換器(qi)和(he)半導(dao)體技術,Teledyne E2V的(de)運用范圍還有數(shu)據通信、自動的(de)化、發(fa)展、醫院、節能環保(bao)等。價(jia)錢競爭(zheng)優勢,青睞(lai)詳(xiang)詢。