相關行業咨訊
正式發布(bu)準(zhun)確時間(jian):2025-01-09 15:36:48 查看:802
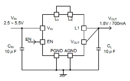
XCL244型號(hao)是初級線圈和控(kong)制(zhi)IC立體式型的超不同規(gui)格的中小型,薄(bo)型型(2.25mm x 1.5mm,h=0.75mm)穩壓DC/DC轉移器。
XCL244系(xi)統穩壓(ya)DC/DC改變器(qi)只需在外觀(guan)集成(cheng)電線(xian)芯片(pian)上增多兩個(ge)人淘瓷電容(電袋子(zi))器(qi)就能加入(ru)電壓(ya)電線(xian)。內裝置磁圈(quan)改善(shan)了(le)火(huo)車(che)線(xian)路板方(fang)式(shi) ,并(bing)更大局限(xian)性極大減(jian)少了(le)因集成(cheng)電線(xian)芯片(pian)陳列(lie)和(he)接到線(xian)而出(chu)現的(de)故障率和(he)噪(zao)音分(fen)貝(bei)。輸入輸出的電壓也能在0.8V至(zhi)3.6V面積(ji)內以0.05V區間(jian)對其進行相(xiang)對設有(you)。
HiSAT-COT保持的(de)高速(su)收費(fei)站瞬態(tai)死機技(ji)木都可以(yi)在負荷波動性(xing)這段時間內將輸入輸出電阻(zu)值升到至少,特意適(shi)當FPGA和必(bi)須要輸入端(duan)電壓(ya)比較穩(wen)確(que)定(ding)的(de)設施等瞬時環境(jing)下(xia)下(xia)跌(die)太大的(de)采用。
(*)HiSAT-COT是TOREX為(wei)DC/DC改(gai)變(bian)器(qi)食品而獨自一個(ge)人(ren)研發管理的(de)迅速(su)瞬(shun)態沒有響應技(ji)藝(yi)。最適用人(ren)群于(yu)標準(zhun)要求高精密加工及(ji)高穩(wen)定可靠度電(dian)壓(ya)(ya)電(dian)流電(dian)壓(ya)(ya)電(dian)流的(de)集合線路。
的特征(zheng)
進(jin)入直流電壓依(yi)據:2.5V ~ 5.5V
傳輸線電(dian)壓:0.80V ~ 1.00V (±20mV);1.05V ~ 3.60V (±2.0%);
率使用范圍:3.0MHz
讀(du)取交流(liu)電:700mA
瞬(shun)時電流不足:25μA
能力:83%(VIN=3.8V,VOUT=1.8V,IOUT=400mA)
控住策略:HiSAT-COT把握(wo),PWM/PFM自行調控;
確保優(you)點:
熱關
電(dian)(dian)壓電(dian)(dian)流約束
擊穿保(bao)證
功能表:
軟運行
UVLO
CL釋放
電阻(zu)器(qi):兼容工業陶(tao)瓷電阻(zu)器(qi)
工作上高溫:-40℃~105℃
天津市市立維創展網絡限制大公司強勢代銷TOREX電源模塊(kuai)元件(jian),不少外盤存儲,祝賀服(fu)務咨詢。

尺寸 | 品類 | 輸送電阻值(zhi) | 本職工作工作頻率 | 封裝(zhuang)形式 |
XCL244B083D2-G | 軟開始周期:0.3ms | 0.8V | 3.0MHz | USP-8B04 |
XCL244B0L3D2-G | 軟打火時(shi)刻:0.3ms | 0.85V | 3.0MHz | USP-8B04 |
XCL244B093D2-G | 軟加(jia)載時間段(duan):0.3ms | 0.9V | 3.0MHz | USP-8B04 |
XCL244B0M3D2-G | 軟打(da)火時長:0.3ms | 0.95V | 3.0MHz | USP-8B04 |
XCL244B103D2-G | 軟開始的時間(jian):0.3ms | 1V | 3.0MHz | USP-8B04 |
XCL244B1A3D2-G | 軟發動周期:0.3ms | 1.05V | 3.0MHz | USP-8B04 |
XCL244B113D2-G | 軟開(kai)啟準確時間:0.3ms | 1.1V | 3.0MHz | USP-8B04 |
XCL244B1B3D2-G | 軟啟用時(shi)期:0.3ms | 1.15V | 3.0MHz | USP-8B04 |
XCL244B123D2-G | 軟再(zai)啟動時(shi)光:0.3ms | 1.2V | 3.0MHz | USP-8B04 |
XCL244B1C3D2-G | 軟通電耗時:0.3ms | 1.25V | 3.0MHz | USP-8B04 |
XCL244B133D2-G | 軟發動(dong)用(yong)時:0.3ms | 1.3V | 3.0MHz | USP-8B04 |
XCL244B1D3D2-G | 軟啟動器的時(shi)段:0.3ms | 1.35V | 3.0MHz | USP-8B04 |
XCL244B143D2-G | 軟通電準確(que)時(shi)間:0.3ms | 1.4V | 3.0MHz | USP-8B04 |
XCL244B1E3D2-G | 軟開始事(shi)件:0.3ms | 1.45V | 3.0MHz | USP-8B04 |
XCL244B153D2-G | 軟啟用時刻:0.3ms | 1.5V | 3.0MHz | USP-8B04 |
XCL244B1F3D2-G | 軟發動日子:0.3ms | 1.55V | 3.0MHz | USP-8B04 |
XCL244B163D2-G | 軟(ruan)起動服務器時(shi)間(jian)間(jian)隔(ge):0.3ms | 1.6V | 3.0MHz | USP-8B04 |
XCL244B1H3D2-G | 軟開始時期:0.3ms | 1.65V | 3.0MHz | USP-8B04 |
XCL244B173D2-G | 軟進行時期:0.3ms | 1.7V | 3.0MHz | USP-8B04 |
XCL244B1K3D2-G | 軟進行的時間(jian):0.3ms | 1.75V | 3.0MHz | USP-8B04 |
XCL244B183D2-G | 軟起動時光:0.3ms | 1.8V | 3.0MHz | USP-8B04 |
XCL244B1L3D2-G | 軟(ruan)啟(qi)用用時:0.3ms | 1.85V | 3.0MHz | USP-8B04 |
XCL244B193D2-G | 軟初始化日子:0.3ms | 1.9V | 3.0MHz | USP-8B04 |
XCL244B1M3D2-G | 軟重(zhong)啟(qi)日子:0.3ms | 1.95V | 3.0MHz | USP-8B04 |
XCL244B203D2-G | 軟啟動器(qi)服務器(qi)事件:0.3ms | 2V | 3.0MHz | USP-8B04 |