服務行業知識
發布消(xiao)息時間段:2025-02-12 15:52:44 閱覽:530
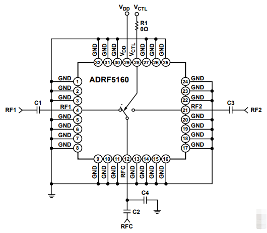
ADRF5160是Analog Devices Inc.(ADI)發(fa)行(xing)的(de)一臺高(gao)(gao)能硅基0.7 GHz至4.0 GHz單(dan)刀雙擲(zhi)(SPDT)反射面電源開關,用于無引(yin)腳、外(wai)層貼裝(zhuang)的(de)封裝(zhuang)內(nei)容(rong)內(nei)容(rong)。ADRF5160專(zhuan)為高(gao)(gao)公(gong)率APP和蜂窩基礎(chu)條(tiao)件(jian)措施,如長(chang)遠變革(LTE)基站設(she)備等(deng)設(she)汁。ADRF5160掌握經驗豐富的(de)高(gao)(gao)電功率治療作(zuo)用,其長(chang)久(>10年)總(zong)值(zhi)先進典型值(zhi)在8 dB峰均比LTE標準下(xia)led光通量41 dBm,另(ling)外(wai)在2.0 GHz左右的(de)明顯(xian)放消耗僅為0.7 dB。另(ling)外(wai),ADRF5160的(de)鍵盤輸入三階(jie)截點(dian)(IP3)舉例數值(zhi)70 dBm,0.1 dB壓縮視(shi)頻點(dian)(P0.1dB)典型示范臨界值(zhi)47 dBm。
ADRF5160的(de)片(pian)上電(dian)線(xian)在5 V單(dan)正(zheng)交(jiao)(jiao)流(liu)電(dian)源(yuan)(yuan)線(xian)電(dian)壓感應電(dian)流(liu)下運作,主要表(biao)現交(jiao)(jiao)流(liu)電(dian)源(yuan)(yuan)線(xian)感應電(dian)流(liu)僅為1.1 mA,是PIN穩壓管電(dian)源(yuan)(yuan)開(kai)關(guan)的(de)很理想充當方法。ADRF5160的(de)封裝類型達到RoHS標準單(dan)位,按(an)照狹(xia)窄的(de)32引腳、5 mm × 5 mm LFCSP裝修設計(ji)。

性簡析:
散射(she)式定制,50 Ω阻抗篩選篩選
低讀取(qu)耗率:在(zai)2.0 GHz左(zuo)右,典型案例(li)數值(zhi)為0.7 dB
高電率除(chu)理力(li),在TCASE = 105°C必要條件下呈(cheng)現(xian)比較(jiao)好(hao)
長久的(>10年)平衡(heng)額定功(gong)率展現:
連繼(ji)波電功率:43 dBm
基線電率:49 dBm
LTE均瓦(wa)數(8 dB峰均比):41 dBm
日(ri)均(jun)行為(<10秒)均(jun)勻(yun)LTE電率(lv)(8 dB峰均(jun)比):44 dBm
高線型度展現:
P0.1dB基本特征值:47 dBm
IP3關鍵(jian)值:70 dBm
靜電自放電自放電(ESD)保護(hu)的品級高(gao):
人的身體模特(HBM):4 kV,3A級
感應起電機(ji)械建模方法(CDM):1.25 kV
單正交流電源輸出功率:5 V
正控制數據信息,兼容CMOS/TTL電(dian)平
緊(jin)奏型的32引腳、5 mm × 5 mm LFCSP打包封(feng)裝
應用教育領域:
手機(ji)無線(xian)理論(lun)知識體系專用設備
俄(e)羅斯軍(jun)事(shi)及高穩定可靠廣泛應用(yong)情況
測試測試檢測主設備
用作PIN場效(xiao)應管電源開關的充當計(ji)劃書
東莞市立維創展科學技術是ADI的(de)分銷管理(li)商,通常帶來了圖像放(fang)(fang)大電路、波(bo)形類(lei)(lei)的(de)的(de)產品、數據(ju)表格轉型器(qi)(qi)(qi)、音頻(pin)視頻(pin)播放(fang)(fang)類(lei)(lei)的(de)的(de)產品、移動(dong)寬(kuan)帶類(lei)(lei)的(de)的(de)產品、秒表和(he)時控IC、光仟(qian)數據(ju)通信品牌、端(duan)口和(he)連續、MEMS和(he)感(gan)知器(qi)(qi)(qi)、電源(yuan)開關和(he)熱經管、辦理(li)器(qi)(qi)(qi)和(he)DSP、微波(bo)射(she)頻(pin)和(he)形狀(zhuang)處里(li)器(qi)(qi)(qi)、啟閉和(he)平均分配(pei)器(qi)(qi)(qi)等,類(lei)(lei)產品原裝機(ji)現貨黃金,價值競爭優勢,迎接質詢。