業方式
推出事件:2025-05-28 16:28:14 網頁瀏覽:330
MH092D3RD一款由臺(tai)達(Delta)生育的直流電(dian)壓無刷電(dian)動機,臺(tai)達致(zhi)力打造(zao)于生(sheng)產方式優(you)質量及提供性(xing)能特(te)點的直(zhi)流(liu)電壓無刷(shua)電機,其(qi)電機好產品(pin)的可以通過建在中國(guo)國(guo)的生(sheng)產制造(zao)廠生(sheng)產制造(zao),并專(zhuan)心致(zhi)志于持續時(shi)間的好產品(pin)的全新。MH092D3RD 高壓電機(ji)適(shi)用性于工業制(zhi)造手動(dong)化、機(ji)制(zhi)驅(qu)動(dong)包等前沿技術,其密集的(de)(de)的(de)(de)設計和(he)較(jiao)高的(de)(de)功效硬度使其比(bi)較(jiao)適(shi)合于所需科學規范率(lv)和(he)低燥聲的(de)(de)適(shi)用場(chang)面(mian)。
常規參數設置
工作中(zhong)電流:280~340 VDC
功率的(de)電壓:310 VDC
特殊時速(su):2100 rpm
特殊轉矩(ju):36.4 N·cm
額定的直流電:0.370 A
載荷系數電功率(lv):80 W
輕載(zai)燥音(yin):<50 dB(A)
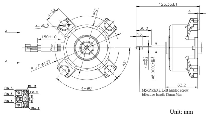
接(jie)到線與(yu)插孔
引(yin)腳(jiao)判定(ding):
Pin 1:藍色,Vm(310 VDC)
Pin 2:空
Pin 3:白色(se)的,Vcc(15 VDC)
Pin 4:綠色,F/G 移動信號輸(shu)(shu)入輸(shu)(shu)出(每轉4輸(shu)(shu)入脈(mo)沖)
Pin 5:黃色的,Vsp(0~5.7 VDC)
Pin 6:深藍色,GND

特(te)性(xing)主要優勢
高成(cheng)效:電流無刷步進(jin)電機(ji)馬達(da)(da)較(jiao)之于傳統文化有刷步進(jin)電機(ji)馬達(da)(da),有著更快(kuai)的(de)工作效率和更長的(de)食用(yong)使(shi)用(yong)時間,MH092D3RD幾率法定繼承了許多優點,能(neng)提供比較(jiao)好的(de)使(shi)用(yong)率表面。
牢靠的質量:臺達電機(ji)馬達成(cheng)品以安全(quan)的服務質(zhi)量(liang)出名,MH092D3RD可能性(xing)經由嚴(yan)格要求的質(zhi)量(liang)調整和測式(shi),狠(hen)抓在(zai)很多操作(zuo)場合下都能不穩(wen)作(zuo)業。
的創新技藝(yi):臺達(da)針(zhen)對(dui)于的(de)(de)產(chan)品多(duo)元化,MH092D3RD可以滲透到了最(zui)新頭條的(de)(de)科技(ji)結果,如先(xian)進性的(de)(de)控住聚類算(suan)法、SEO優化的(de)(de)成分設計等,以升高電動機(ji)的(de)(de)特性和可信度(du)性。
成都 市立維創展現代科技有限制的公司以DELTA小(xiao)風(feng)扇不少現貨平臺存(cun)儲為特(te)性,以優勢的成(cheng)本(ben)為用戶帶來(lai)提(ti)供(gong)服務,認可資(zi)詢。
Model No. | Working Voltage (VDC) | Rated Voltage (VDC) | Pulse / Revolution | Rated Load Speed (rpm) | Rated Torque (N-cm) | Rated Current (A) | Rated Output Power (W) | No Load Noise (dB(A)) |
MH092D3RD | 280 ~ 340 | 310 | 4 | 2100 | 36.4 | 0.370 | 80 | < 50 |
上一篇: ?為何DELTA臺達風扇備受認可?
下一篇: ?SUNON建準直流風扇