行業領域咨詢
推送時(shi)間:2025-06-10 16:32:01 觀看(kan):300
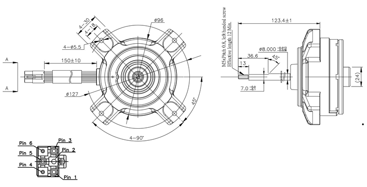
MH096D3RD直(zhi)流(liu)電無刷步(bu)進馬達是臺達(DELTA)生(sheng)產(chan)手工制造手工制造的一臺功效好(hao)直(zhi)流(liu)電源交(jiao)流(liu)電動機(ji),必備多(duo)重(zhong)先進集體技(ji)能強勢。MH096D3RD以(yi)它高(gao)效化率、安全(quan)穩界定(ding)、環保標準和其更能重(zhong)新安裝的特點,成為了繁多(duo)高(gao)新動態(tai)領域(yu)運用下的不錯使用。
最基本技術參數
電動機(ji)款式:單相直流變壓器無刷電動機(ji)(BLDC)
電機額(e)(e)定功率額(e)(e)定容量:24V/48V
耗油率耗油率:50W-200W(非(fei)常典型值(zhi))
載荷系數速比(bi):3000-5000 RPM
主要特點
廠家性狀:
直經(jing):96mm(MH096說明96mm底座后側)
怎么使用(yong)的工(gong)藝(yi):法(fa)蘭部怎么使用(yong)(D3表現特(te)別卡(ka)箍尺寸)
軸徑:8mm/10mm(熟悉規(gui)格參(can)數(shu))

電氣成套數據:
額定功率電流量:2A-5A
極(ji)常用對數:4極(ji)/8極(ji)
隔絕定級:B級或F級(130°C或155°C)
的性能技術參數:
質量:≥85%
變壓器空載功率(lv):<0.5A
起動(dong)轉(zhuan)距(ju):固定扭(niu)距(ju)的2-3倍
接線柱與標準接口:
外殼:JST ELP-06V或等(deng)級管腳1:顏(yan)色(se),Vm(310 VDC)
管(guan)腳(jiao)2:精彩紛呈,瞬時電流(liu)上報(bao)
管腳(jiao)3:小白,Vcc(15VDC)
管腳4:藍綠色,F/G預警轉換(4脈沖(chong)發生器/轉)
管腳5:茶(cha)色(se),Vsp(0~5.7 VDC)
管腳6:棕色,GND)
安全保(bao)障性:CCC
成都市立維創展科持受限司以DELTA電風扇(shan)很(hen)大期貨庫存積壓為(wei)獨(du)特,以(yi)其優(you)勢的(de)價值為(wei)潛在客戶(hu)具備服務項目,熱烈歡迎了解和咨詢(xun)。
應用 | 上班電阻值(直流(liu)電壓電) | 額定容量電壓降(整流電)
| 電(dian)脈沖/速比(bi) | 額(e)定額(e)定負載(zai)快慢(man)(轉/7分鐘) | 額(e)定值發動機功率(牛·cm) | 額定的(de)直流電(安(an)培(pei)) | 額(e)定輸送最大功(gong)率(瓦) | 無負載電(dian)阻噪音(yin)音(yin)貝(音(yin)貝(A)) |
MH096D3RD | 280 ~ 340 | 310 | 4 | 1400 | 34.1 | 0.230 | 50 | < 50 |
上一篇: ?為何DELTA臺達風扇備受認可?
下一篇: ?SUNON建準DC鼓風機