行業內咨詢
上線(xian)時(shi)期:2025-06-13 16:38:59 查(cha)詢(xun):342
DS856-MA942C1就(jiu)是一款由Euvis單位的生(sheng)產的高特點就(jiu)直(zhi)接大數(shu)字(zi)頻(pin)帶(dai)寬度組成器(DDS),銳意(yi)創(chuang)新于統計測探、電力網絡(luo)信(xin)息、電子(zi)廠戰等(deng)高表面粗糙度頻(pin)點數(shu)字(zi)信(xin)號職業選(xuan)(xuan)用標準規劃。依靠自己(ji)超(chao)大頻(pin)點位置(zhi)、100辯認率和低耗電性(xing),DS856-MA942C1不諫為帶(dai)替(ti)ADI的DDS處理器(AD9851、AD9858、AD9914S-CSL)的期望選(xuan)(xuan),特別的不適(shi)適(shi)用范圍包(bao)括性(xing)需求能和制造(zao)費反向敏感脆弱的高端品牌領域行業。
包括屬性
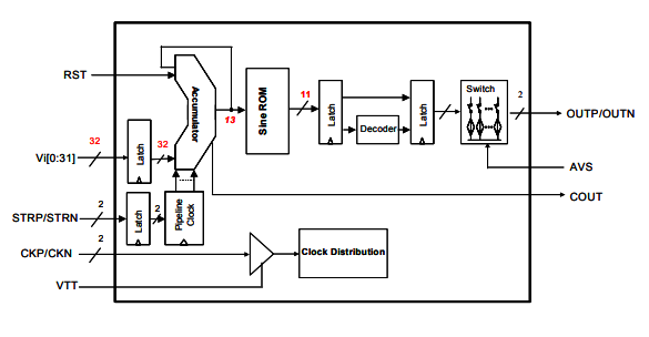
- 次數調諧(xie)辨認率:32位。
- 相位(wei)鑒(jian)別(bie)率:13位(wei)。
- 震幅區分率:11位(wei)。
- 鐘表(biao)頻率:可到達(da)3.2 GHz。
- 正弦交流電波(bo)自動(dong)提取機械性能:在弟一奈(nai)奎(kui)斯特中波(bo)段內自動(dong)提取高至1.6 GHz的(de)正弦函數波(bo)。
- 傳輸(shu)(shu)優點(dian):帶50Ω后(hou)殼(ke)終web端互補原理模擬機(ji)正弦波形輸(shu)(shu)入。
- 無雜散動向范圍內(nei)(SFDR):最次情形下>50 dBc。
- 顯(xian)卡功(gong)耗(hao):用單獨-5.0V供電供給,功(gong)率為3.3W。
- 控住(zhu)技巧:兼容微(wei)控住(zhu)器或DSPIC芯(xin)片(pian)把握,進行繞城(cheng)高(gao)時(shi)間(jian)選通發送版本更新概率字和(he)DAC打出頻率。
- 概率內容更新率:高至8個鬧鐘定期。

好處
- 高耐腐蝕性:兼(jian)容高至3.2 GHz的(de)鬧(nao)鐘幾率和(he)1.6 GHz的(de)正弦交流電波出現效果。
- 蒙(meng)題辨率(lv):32位頻(pin)段調諧識(shi)別率(lv)和13位相(xiang)位辨認率(lv)。
- 低能耗等級:單個-5.0V電(dian)(dian)壓供應信息(xi),工(gong)作(zuo)電(dian)(dian)壓僅(jin)3.3W。
- 方便性:兼容微管理器或DSP電源芯片操控,app于及(ji)時啁啾等app。
采用行業
- 預警雷達探測(ce)器裝修設計與測(ce)試軟件(jian)。
- 北斗衛星數(shu)據通訊。
- 微電子戰。
- 無(wu)線(xian)數字移(yi)動基站(zhan)。
- 頻(pin)射移動信號源生(sheng)成(cheng)。
- 設(she)備和(he)半導體(ti)(ti)芯片測驗(yan)設(she)備。
- 專業通信手機(ji)網絡手機(ji)網絡解調。
廣州市立維創展科技公司是EUVIS的(de)(de)銷(xiao)售(shou)銷(xiao)售(shou)商(shang),一般帶來(lai)EUVIS的(de)(de)國際杰出的(de)(de)高速(su)公路數模改換DAC、就直接數字1幾(ji)率煉(lian)制器(qi)DDS、復(fu)接DAC的(de)(de)處理器(qi)級(ji)護膚品,相(xiang)應迅速(su)錄入板(ban)卡、gif動態(tai)正弦波(bo)形突發器(qi)等護膚品,原裝機(ji)期貨,定(ding)價特點,喜愛資訊。
DS856-MA942C1重復使用AD9851、AD9858和 AD9914S-CSL,功(gong)效(xiao)評測:
規格(ge)/款型(xing) | DS856 | AD9851 | AD9858 | AD9914S-CSL |
石(shi)英鐘平率 | 3.2 GHz | 180 MHz(內外倍頻至(zhi)180 MHz) | 2 GHz(發(fa)送(song)秒表(biao),可選裝二分頻) | 3.5 GSPS |
正(zheng)弦函數波轉為(wei)技能(neng) | 很高1.6 GHz(獨一奈奎斯(si)特k線(xian)) | 更高90 MHz | 至高400+ MHz | 獨角(jiao)獸高達(da)1.75 GHz |
速度(du)調諧糞便率 | 32位 | 32位 | 32位 | 32位 |
相(xiang)位甄別(bie)率 | 13位 | 5位 | 14位(wei) | 16位(wei) |
幅值辨認率 | 11位(wei) | - | 10位 | 12位 |
無(wu)雜散動態信息(xi)范(fan)疇(SFDR) | >50 dBc | - | 優異的(具體的參數值因(yin)操(cao)作而異) | - |
工作頻率 | 3.3 W(單體(ti)-5.0V主(zhu)機電源) | 2 W(主要表現(xian)值) | 2.5 W | - |
上一篇: 高速模數轉換器ADC時鐘極性與啟動時間