2英文
LA302 Z–10GHz差分限制放大器
LA302 Z–10GHz差分限制放大器髙速數據表格通訊網絡16針塑膠QFN打包封裝抽樣率:限幅放縮器進入帶寬的配置:10 GHzSFDR:
LA310Z–8.3 GHz差分限制放大器
LA310Z–8.3 GHz差分控制變小器采集率:限幅變成器輸出帶寬的配置:10 GHzSFDR:
10 Gbps跨阻放大器 TA205C
10 Gbps跨阻擴大器 TA205C功能性:10 Gbps跨阻變小器(5V)
LD162D? 差分激光二極管驅動器
OC-192/STM-64/10GbELD162DZ\U_G0 差分皮秒激光二級管驅使器32針QFN打包封裝效果:差分TOSA驅動軟件器(5V)
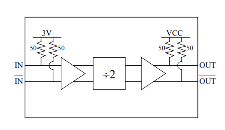
14GHz Divide-by-2 DV002
14GHz Divide-by-2 DV002分頻比:2鐘表頻率:14 GHz癥狀:低充電
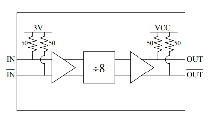
14GHz Divide-by-8 DV008
14GHz Divide-by-8 DV008分頻比:8鬧鐘速度:14 GHz特征:低電量
特征:低電量
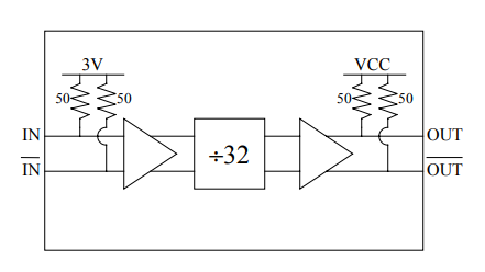
14GHz Divide-by-32 DV032
14GHz Divide-by-32 DV032分頻比:32數字時鐘概率:14 GHz特征描述:低電能
12GHz Dual-Modulus Divide-by-4/5 DV45D
12GHz Dual-Modulus Divide-by-4/5 DV45D分頻比:4/5秒表頻繁:12 GHz癥狀:雙模量4/5
10GHz Programmable Divide-by-2 to 31 DV31P
10GHz Programmable Divide-by-2 to 31 DV31P分頻比:2?31鐘表次數:10 GHz顯著特點:可程序編程法向齒2?31
8GHz Programmable Divide-by-128 to 255 DV255N
8GHz Programmable Divide-by-128 to 255 DV255N分頻比:128?255鬧鐘頻點:8 GHz顯著特點:可和程序編寫變位系數128?255
共2頁40條數據