API Tech品牌產品
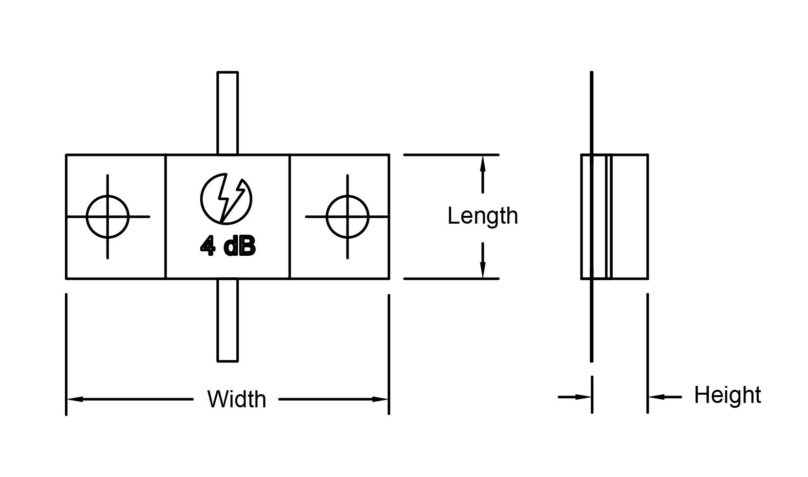
Model | Power | Frequency | Ceramic | Resistor | Width | Length | Height | Figure |
1ANA250 | 250 | 1 | AlN | Thick | 1.250 | 0.500 | 0.170 | 4 |
2ANA100 | 100 | 2.3 | AlN | Thick | 0.800 | 0.230 | 0.105 | 4 |
2ANA150 | 150 | 1.9 | AlN | Thick | 1.250 | 0.500 | 0.105 | 4 |
2ANA250 | 250 | 2.3 | AlN | Thick | 1.250 | 0.500 | 0.170 | 4 |
3ANA100 | 100 | 3 | AlN | Thin | 0.820 | 0.225 | 0.105 | 4 |
3ANA100A | 100 | 3 | AlN | Thin | 0.975 | 0.250 | 0.105 | 4 |
HPA100 | 100 | 0.5 | BeO | Thick | 1.250 | 0.500 | 0.170 | 3 |
PPA10 | 10 | 4 | BeO | Thin | 0.300 | 0.200 | 0.105 | 1 |
PPA100 | 100 | 0.5 | BeO | Thin | 1.250 | 0.500 | 0.170 | 3 |
PPA20 | 20 | 4 | BeO | Thin | 0.515 | 0.250 | 0.105 | 2 |
PPA50 | 50 | 1 | BeO | Thin | 0.975 | 0.375 | 0.170 | 3 |

中文版
微波通信元集成電路芯片