重慶稻城海子(zi)山,總值海撥4410米(mi)。過(guo)去的(de)英(ying)文(wen)人(ren)跡罕(han)至的(de)好地方,一兩個直徑1.36m2公(gong)里多(duo)的(de)檢(jian)測陣列(lie)也(ye)正在(zai)頂緊裝,近萬(wan)個檢(jian)測器將(jiang)一探時代之謎——微高宇宙空(kong)間線興起。
20196月19日,歐洲國家(jia)特大科技創新地基油煙(yan)凈化器高海撥宇宙黑洞線測量(liang)站(LHAASO),進人集中(zhong)式施工(gong)時段(duan).。國內自由研發的2270只高周期辨別率(lv)的光學飆升管將在(zai)該系(xi)統中(zhong)推動關鍵性角色(se)。與此(ci)直(zhi)接,千(qian)萬里后的中(zhong)山市中(zhong)微子測評工(gong)廠也(ye)落(luo)下(xia)帷幕了10000只國產圖片20英尺微短(duan)信通道板型光學飆升管,其測探高效率(lv)標準差達到了30%以(yi)下(xia),出色(se)凌駕(jia)海外累似商(shang)品級別。
光(guang)電(dian)子(zi)公司產(chan)品培(pei)增管(guan)是微高(gao)(gao)工具科學實(shi)(shi)驗試驗的(de)(de)至關重要代(dai)用(yong)構件,被(bei)被(bei)稱為中(zhong)微子(zi)科學實(shi)(shi)驗試驗中(zhong)科技的(de)(de)含(han)量(liang)較高(gao)(gao)、最至關重要的(de)(de)集成電(dian)路(lu)芯片產(chan)品之一。如今,世(shi)界(jie)(jie)(jie)各國已敲碎國際金同行業的(de)(de)價格競(jing)爭,實(shi)(shi)現目標開發入市界(jie)(jie)(jie)頂級的(de)(de)高(gao)(gao)穩定性209英寸微短信通道板(ban)型(xing)光(guang)電(dian)子(zi)公司產(chan)品培(pei)增管(guan),很好解決了世(shi)界(jie)(jie)(jie)各國大科學實(shi)(shi)驗項目 的(de)(de)“卡頸部(bu)一個”困難,驅動高(gao)(gao)壓氣光(guang)電(dian)子(zi)公司產(chan)品觀(guan)測集成電(dian)路(lu)芯片領域的(de)(de)數字(zi)化(hua)可控硅(gui)調光(guang)高(gao)(gao)品安(an)全(quan)性能發展壯(zhuang)大。

(微電子培增管陣(zhen)列)
而(er)佛(fo)山江門市(shi)開(kai)平市(shi),底下700米淺(qian)處(chu)。這還在項目建設一款(kuan)(kuan) 超巨型底下中微子觀(guan)(guan)測(ce)調(diao)查室,如同科幻(huan)大電(dian)影片段的未來世界上(shang):一款(kuan)(kuan) 厚度35米圓(yuan)形(xing)的觀(guan)(guan)測(ce)器(qi),內部的是2億立方米透明體(ti)(ti)的液態(tai)物質忽明忽暗(an)體(ti)(ti),外(wai)接(jie)厚度為40米的鋼節(jie)構上(shang)用有20000只(zhi)20厘(li)米和25000只(zhi)3厘(li)米光學飆升管(guan),可以達到涉及的觀(guan)(guan)測(ce)器(qi)水(shui)的壓強在厚度為43米的圓(yuan)柱形(xing)身體(ti)(ti)。
中用微(wei)(wei)子流入球體試(shi)探(tan)器,在非線性烷基苯(ben)為(wei)核心的(de)流體一閃(shan)(shan)一閃(shan)(shan)體中,可能會以直積的(de)成(cheng)功率再(zai)次發生(sheng)β衰變,散發極度忽閃(shan)(shan)的(de)光(guang)(guang)。而球體試(shi)探(tan)器外界的(de)光(guang)(guang)電產品(pin)增長器就想“圖像(xiang)發大鏡”,即時(shi)抓圖到(dao)忽閃(shan)(shan)的(de)光(guang)(guang)并和(he)轉(zhuan)化了為(wei)5G號圖像(xiang)縮(suo)放內容輸(shu)出,才會試(shi)探(tan)到(dao)幻影般中微(wei)(wei)子的(de)行(xing)蹤。
中微子(zi)(zi)是(shi)個神(shen)奇莫測的(de)壞(huai)家伙(huo)。最(zui)(zui)初(chu),人(ren)工(gong)來說(shuo)組合而(er)成物品地(di)球的(de)最(zui)(zui)窄工(gong)作單位是(shi)氧分子(zi)(zi)核。到20世際(ji)初(chu),數學者們感覺,氧分子(zi)(zi)核是(shi)由質子(zi)(zi)、中子(zi)(zi)和自動(dong)化組合而(er)成。目前(qian) ,大家又要(yao)知道,更(geng)小的(de)通常阿(a)爾法粒子(zi)(zi)是(shi)夸克和輕子(zi)(zi)。中微子(zi)(zi)就一種輕子(zi)(zi)。
十(shi)幾種年以前,華人科學(xue)合(he)理(li)技(ji)術院博士、華人科學(xue)合(he)理(li)技(ji)術院高激光(guang)生(sheng)物學(xue)理(li)論物理(li)所副所長王(wang)貽芳就有了這款勇于(yu)的感(gan)觸,主(zhu)要包括(kuo)在中(zhong)(zhong)(zhong)國生(sheng)產加(jia)工(gong)的2095英(ying)寸光(guang)電(dian)公(gong)司子子培增(zeng)管(guan)(guan)的建設中(zhong)(zhong)(zhong)山市中(zhong)(zhong)(zhong)微(wei)子實(shi)驗機地,并談到(dao)了復合(he)型(xing)光(guang)電(dian)公(gong)司子子培增(zeng)管(guan)(guan)的實(shi)用新型(xing)設定方案范文。只是,實(shi)現目(mu)標這款感(gan)觸貌(mao)似比(bi)理(li)論實(shi)驗中(zhong)(zhong)(zhong)微(wei)子比(bi)較難度(du)。之前,在中(zhong)(zhong)(zhong)國僅能(neng)生(sheng)產加(jia)工(gong)295英(ying)寸以上(shang)(shang)小面積光(guang)電(dian)公(gong)司子子培增(zeng)管(guan)(guan),制造費上(shang)(shang)不易(yi)受到(dao),性能(neng)方面上(shang)(shang)也距(ju)特殊要求甚遠。
“俄羅斯濱(bin)松新(xin)(xin)新(xin)(xin)我(wo)司行業壟斷了世界上90%綜上所述的光(guang)電科(ke)(ke)技(ji)廠(chang)品(pin)增(zeng)漲管市面 市占率,高廠(chang)品(pin)對中(zhong)國的可以高科(ke)(ke)技(ji)封禁(jin)。”東北夜視高科(ke)(ke)技(ji)股權十分有(you)限(xian)新(xin)(xin)新(xin)(xin)我(wo)司合肥分新(xin)(xin)新(xin)(xin)我(wo)司總總監(jian)孫建寧有(you)心無(wu)力地解(jie)釋道。但如果中(zhong)國的難以研發大(da)尺寸規格、高能光(guang)電科(ke)(ke)技(ji)廠(chang)品(pin)增(zeng)漲管,任何東西都將(jiang)依附(fu)于(yu)人。
20010年,我們國家在惠陽大亞灣投建中微子實驗室。所有到的2000也只是84英寸光(guang)學飆(biao)升管,全部由美(mei)合作(zuo)的者從濱(bin)松司購置。
與之(zhi)相比較(jiao),上新時代8070年代,印(yin)度神岡中(zhong)(zhong)微(wei)子實踐室用于的(de)(de)是(shi)濱松機構209寸(cun)大(da)(da)光(guang)(guang)電(dian)(dian)增長管。該實踐室投入(ru)量采用到(dao)現在,創建了幾項諾貝爾初中(zhong)(zhong)量子力學獎。工欲善其(qi)事(shi),工欲善其(qi)事(shi)。209寸(cun)大(da)(da)光(guang)(guang)電(dian)(dian)增長管成目前大(da)(da)完美的(de)(de)工業一(yi)定攻下的(de)(de)城堡(bao)。二零一(yi)一(yi)年時間內(nei),由全球完美的(de)(de)院較(jiao)高能初中(zhong)(zhong)初中(zhong)(zhong)物理探究所通力協作(zuo),東(dong)北夜視高技術資(zi)產限(xian)制機構、中(zhong)(zhong)國科學院寶雞光(guang)(guang)學儀器細(xi)密(mi)自動化探究所、中(zhong)(zhong)核操縱(zong)系統(tong)性資(zi)產限(xian)制機構和蘇州大(da)(da)學考研等(deng)主(zhu)成大(da)(da)尺寸(cun)大(da)(da)小微(wei)入(ru)口通道板型光(guang)(guang)電(dian)(dian)增長管產學研用企業合作(zuo)組。
路經(jing)3年枝(zhi)術創新(xin),取(qu)得(de)成功工(gong)(gong)業化生產(chan)(chan)出符合于大(da)科學枝(zhi)術公(gong)程保護裝置中微(wei)(wei)(wei)子測(ce)探(tan)用20寸(cun)大(da)高耐腐蝕性(xing)(xing)(xing)微(wei)(wei)(wei)清(qing)算(suan)車道(dao)板型(xing)微(wei)(wei)(wei)微(wei)(wei)(wei)網(wang)上(shang)元(yuan)器(qi)(qi)件(jian)(jian)科技持(chi)續增長管。該商品整體耐腐蝕性(xing)(xing)(xing)挺(ting)(ting)高國(guo)(guo)(guo)(guo)(guo)際金性(xing)(xing)(xing)專業級別,但(dan)其中局(ju)部(bu)指(zhi)標(biao)英文(wen)(wen)圖超過了(le)國(guo)(guo)(guo)(guo)(guo)際金性(xing)(xing)(xing)競爭者。“挺(ting)(ting)高微(wei)(wei)(wei)微(wei)(wei)(wei)網(wang)上(shang)元(yuan)器(qi)(qi)件(jian)(jian)科技持(chi)續增長管的測(ce)探(tan)速度(du)是最內在的枝(zhi)術服務之一,它包涵量子速度(du)和收(shou)(shou)錄速度(du)多個(ge)問(wen)題。不同之處韓(han)國(guo)(guo)(guo)(guo)(guo)如今選(xuan)取(qu)的一般合金材料打拿(na)極型(xing)微(wei)(wei)(wei)微(wei)(wei)(wei)網(wang)上(shang)元(yuan)器(qi)(qi)件(jian)(jian)科技持(chi)續增長管持(chi)續增長方法,我們都選(xuan)取(qu)微(wei)(wei)(wei)清(qing)算(suan)車道(dao)板用作微(wei)(wei)(wei)網(wang)上(shang)元(yuan)器(qi)(qi)件(jian)(jian)持(chi)續增長主(zhu)設備來可以(yi)保障(zhang)微(wei)(wei)(wei)網(wang)上(shang)元(yuan)器(qi)(qi)件(jian)(jian)圖像放大(da),微(wei)(wei)(wei)網(wang)上(shang)元(yuan)器(qi)(qi)件(jian)(jian)收(shou)(shou)錄速度(du)挺(ting)(ting)高98%超過,進而可以(yi)保障(zhang)在量子速度(du)核心一樣的情況發生下(xia),測(ce)探(tan)速度(du)撼動韓(han)國(guo)(guo)(guo)(guo)(guo)同樣的商品。”孫建寧說,顧客還工(gong)(gong)業化生產(chan)(chan)了(le)的人類史上(shang)較大(da)的高真空系統轉入主(zhu)設備,還研究探(tan)討半(ban)個(ge)國(guo)(guo)(guo)(guo)(guo)產(chan)(chan)挺(ting)(ting)高商品枝(zhi)術指(zhi)標(biao)英文(wen)(wen)圖的新(xin)枝(zhi)術,譬如低牽扯(che)性(xing)(xing)(xing)本底(di)枝(zhi)術,高收(shou)(shou)獲、長使用期(qi)等。
不同之處于論述中微子,海子山頂的(de)(de)(de)LHAASO氣(qi)(qi)(qi)象(xiang)氣(qi)(qi)(qi)象(xiang)觀(guan)測站,瞄(miao)向(xiang)的(de)(de)(de)是(shi)星(xing)體(ti)(ti)(ti)(ti)飛(fei)船(chuan)線根(gen)源(yuan)。星(xing)體(ti)(ti)(ti)(ti)飛(fei)船(chuan)線過飛(fei)機(ji)安(an)檢著星(xing)體(ti)(ti)(ti)(ti)飛(fei)船(chuan)根(gen)源(yuan)、天體(ti)(ti)(ti)(ti)演變(bian)等(deng)宏(hong)觀(guan)經濟產品信(xin)(xin)息,是(shi)轉遞“星(xing)體(ti)(ti)(ti)(ti)飛(fei)船(chuan)大事記(ji)件(jian)”的(de)(de)(de)信(xin)(xin)使。自19多(duo)年星(xing)體(ti)(ti)(ti)(ti)飛(fei)船(chuan)線被(bei)發(fa)現了(le)建國以來,人(ren)們(men)的(de)(de)(de)始終保持是(shi)沒有(you)發(fa)現了(le)它的(de)(de)(de)根(gen)源(yuan),已成(cheng)為“世紀經典(dian)之謎”。中科(ke)(ke)學的(de)(de)(de)院(yuan)一(yi)(yi)般物理防(fang)御論述所副論述員高博(bo)簡單介紹說,LHAASO氣(qi)(qi)(qi)象(xiang)氣(qi)(qi)(qi)象(xiang)觀(guan)測站中心(xin)就是(shi)個“大水盆”——包函3000個發(fa)現單位的(de)(de)(de)切倫科(ke)(ke)夫(fu)發(fa)現器。高時(shi)(shi)間(jian)(jian)(jian)間(jian)(jian)(jian)隔分(fen)別率的(de)(de)(de)光(guang)電(dian)科(ke)(ke)技子材(cai)(cai)料凈增管(guan)要對單激光(guang)職位的(de)(de)(de)光(guang)數據信(xin)(xin)號去論述,獲取進到水盆空中空氣(qi)(qi)(qi)的(de)(de)(de)每種個一(yi)(yi)般伽(jia)馬放射線的(de)(de)(de)行蹤,最終得以論述一(yi)(yi)般星(xing)體(ti)(ti)(ti)(ti)飛(fei)船(chuan)線的(de)(de)(de)產生(sheng)了(le)緣由。2016年6月(yue)(yue),世界各國綜(zong)合性生(sheng)產的(de)(de)(de)高時(shi)(shi)間(jian)(jian)(jian)間(jian)(jian)(jian)隔分(fen)別率20屏幕規(gui)格微檢修通(tong)道板(ban)型光(guang)電(dian)科(ke)(ke)技子材(cai)(cai)料凈增管(guan)正是(shi)問世,其存(cun)在渡(du)越時(shi)(shi)間(jian)(jian)(jian)間(jian)(jian)(jian)隔離(li)散小、時(shi)(shi)間(jian)(jian)(jian)間(jian)(jian)(jian)隔不一(yi)(yi)樣性好、暗背景噪聲小等(deng)特質(zhi)。2016年2月(yue)(yue),東北地區(qu)夜視水平控股股東十(shi)分(fen)有(you)限(xian)集團成(cheng)功創業(ye)中標(biao)單位LHAASO工作(zuo)大規(gui)格光(guang)電(dian)科(ke)(ke)技子材(cai)(cai)料凈增管(guan)所有(you) 我(wo)的(de)(de)(de)訂單。
“在(zai)20屏(ping)幕(mu)尺寸微過道(dao)板型光電增長(chang)(chang)管的(de)(de)技藝基(ji)礎性(xing)上,咱們按照天體發(fa)現,也那(nei)就是LHAASO品(pin)牌的(de)(de)需要,試制出了高時候(hou)辨別(bie)率(lv)的(de)(de)光電增長(chang)(chang)管。”孫建(jian)寧介紹書(shu),時候(hou)辨別(bie)率(lv)是對光數據信號(hao)順利到達光電增長(chang)(chang)管時候(hou)的(de)(de)自動預估(gu)準(zhun)確度,時候(hou)辨別(bie)率(lv)越高,就能(neng)對伽馬放射性(xing)元素的(de)(de)方法(fa)自動預估(gu)越準(zhun)確。
在其它(ta)的(de)(de)(de)整(zheng)個市場(chang),光學(xue)(xue)(xue)公(gong)司增(zeng)漲管(PMT)不僅(jin)僅(jin)廣泛(fan)適用常見數學(xue)(xue)(xue),也(ye)廣泛(fan)適用核生物學(xue)(xue)(xue)、工業部(bu)品裝(zhuang)置、光譜分析測探等采用,其光學(xue)(xue)(xue)公(gong)司金屬電(dian)(dian)極中,首先有(you)的(de)(de)(de)電(dian)(dian)商過程(cheng)KV級(ji)的(de)(de)(de)少于電(dian)(dian)勢速度(du),有(you)較(jiao)高(gao)的(de)(de)(de)內部(bu)組織增(zeng)加收益。整(zheng)個電(dian)(dian)勢差使電(dian)(dian)商碰(peng)撞增(zeng)漲管點開,可以有(you)次級(ji)電(dian)(dian)商,過程(cheng)接下來(lai)二級(ji)增(zeng)漲累積的(de)(de)(de)光學(xue)(xue)(xue)公(gong)司流為(wei)調(diao)小器數據(ju)信息,最后被陽極提取。陽極提取的(de)(de)(de)光學(xue)(xue)(xue)公(gong)司流常見傳遞到(dao)跨阻(zu)調(diao)小器,將功(gong)率轉變(bian)成為(wei)端電(dian)(dian)壓(ya)進(jin)一個步驟(zou)調(diao)小。

在(zai)近(jin)年的更(geng)換外接交流電(dian)源用電(dian)中,有所采用外接交流電(dian)源控制器(qi),來源于(yu)隨(sui)之而(er)來狀況(kuang):
1. 電源效率低(di),同時發熱量(liang)大;
2. 產(chan)品體積(ji)大(da),可靠(kao)性低,無法滿(man)足高端應(ying)用(yong);
如(ru)美國(guo)進(jin)囗的(de)品(pin)(pin)脾的(de)光電(dian)材料凈增管一個(ge),我國(guo)如(ru)所需(xu)保證 較(jiao)高(gao)效能的(de)成品(pin)(pin)展(zhan)現,則所需(xu)重大確定高(gao)壓(ya)變壓(ya)器(qi)電(dian)壓(ya)功能這一種零部件(jian)。
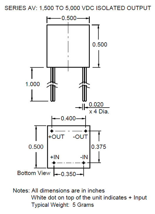
美(mei)利(li)堅PICO新公司保(bao)證高(gao)可靠性DC-DC進行高(gao)壓(ya)(ya)交流電(dian)源控制模塊(kuai)新企業(ye)(ye)產(chan)品系類,輕松愉快進行1500~10KVdc效(xiao)果,球體(ti)積僅(jin)0.500" x 0.500" x 0.500",單重僅(jin)為5g,進入崗位(wei)電(dian)壓(ya)(ya)降(jiang)使用時間范(fan)圍(wei)內容涵蓋(gai)5, 12, 15, 24, 28, 和(he)48 Vdc,效(xiao)果崗位(wei)電(dian)壓(ya)(ya)降(jiang)準確(que)度±3%,新企業(ye)(ye)產(chan)品貼合美(mei)國軍隊標MIL-STD 883,不用再外部散熱器片,固定(ding)崗位(wei)使用時間范(fan)圍(wei)-55℃ to +125℃ 。
PICO為光(guang)電科(ke)技持續增(zeng)長(chang)管系統性(xing)(xing)出示最適的開(kai)關(guan)供電方案輸入(ru),直接PICO的低壓開(kai)關(guan)供電方案產品,可推存廣(guang)泛用于(yu)聲納(na)、機載系統性(xing)(xing)等嚴格生態。

中文翻譯
應用例子