職業信息資訊
頒(ban)布(bu)時間間隔:2018-06-25 14:52:49 閱(yue)覽(lan):2022
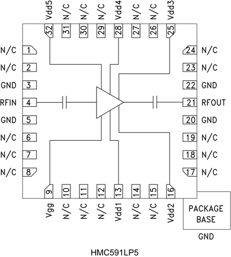
HMC591LP5(E)不(bu)是款高最新的(de)依(yi)據GaAs PHEMT MMIC 2 W效率(lv)(lv)擴(kuo)大器(qi),上班頻率(lv)(lv)的(de)依(yi)據為(wei)(wei)6至(zhi)9.5 GHz。 該擴(kuo)大器(qi)作(zuo)為(wei)(wei)18 dB增加收益,達到飽和狀態效率(lv)(lv)為(wei)(wei)+33 dBm,開關(guan)電源端電壓為(wei)(wei)+7V (19% PAE)。 此擴(kuo)大器(qi)切換50 Ω,不(bu)必(bi)其它異常零件,RF I/O經歷隔直(zhi),以作(zuo)為(wei)(wei)穩固的(de)能力。 相相對 須(xu)得更(geng)優OIP3的(de)利用,Idd應安裝為(wei)(wei)940 mA以帶來+41 dBm OIP3。 相相對 須(xu)得更(geng)優輸(shu)(shu)出P1dB的(de)利用,Idd應安裝為(wei)(wei)1,340 mA以帶來+33 dBm輸(shu)(shu)出P1dB。
品牌
型號
描述
貨期
庫存
ADI
HMC591LP5,HMC591LP5E
HMC591LP5ETR,HMC591LP5TR
2 W功率放大器,采用SMT封裝,6.0 - 9.5 GHz
現貨
158
HMC591LP5優勢和特點
+33 dBm (20% PAE)
