HMC515LP5E/HMC515LP5ETR雙旋光性晶胞管 ADI代理加盟外盤
發部的時間(jian):2019-01-23 09:49:37 閱覽:2075
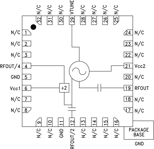
HMC515LP5E有的是款GaAs InGaP異質結雙正負單晶體管(HBT) MMIC VCO。 HMC515LP5(E)集變為了諧振器、負耗油率電阻耗油率器件和變容電感,可輸入半頻,并展示 四分頻輸入。 猶豫諧振器的單單片機芯片結構設計,VCO的相位躁音機械性能在體溫、沖擊性和施工工藝能力下均更加好品質。 選擇+5V電原直流電值時,輸入耗油率為+10 dBm(主要值)。 若是不都要,應該不可用預分頻器功能表以控住成本直流電。 該直流電值控住諧振器選擇無引腳QFN 5x5 mm表貼封裝形式,不需第三方配對電子器件。
|
品牌
|
型號
|
貨期
|
|
ADI
|
HMC515LP5E
HMC515LP5ETR
|
1周
|
|
如若您需要購買HMC515LP5E/HMC515LP5ETR,請點擊右側客服聯系我們!!!
|
APP
-
VSAT無線電
-
點對點/多點無線電
-
測試設備和工業控制
優勢和特點
-
雙路輸出: Fo = 11.5 - 12.5 GHz
Fo/2 = 5.75 - 6.25 GHz
-
Pout: +10 dBm
-
相位噪聲: 典型值為-110 dBc/Hz(100 kHz)
-
無需外部諧振器
-
QFN無引腳SMT封裝,25 mm2
架構圖
