HMC487LP5E/HMC487LP5ETR使用SMT封口2瓦特熱效率放小器 ADI外盤
披(pi)露時(shi)長:2018-06-25 15:48:33 訪(fang)問:2521
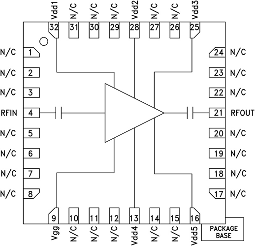
HMC487LP5(E)就是一款高新動態標準GaAs PHEMT MMIC 2瓦特電率變成器,所采用無引腳5x5 mm界面貼裝芯片封裝。 該變成器在9至12 GHz的頻率下事情,展示20 dB的增加收益、+33 dBm的飽合電率和20%的PAE,電源線額定電壓為+7V。 轉換IP3為+36 dBm(先進典型值)。 RF I/O為隔直服務器端口,并識別至50Ω,實用快捷。 HMC487LP5(E)免線焊,限制實用界面貼裝創造工藝。
|
品牌
|
型號
|
描述
|
貨期
|
庫存
|
|
ADI
|
HMC487LP5E
HMC487LP5ETR
|
2瓦特功率放大器,采用SMT封裝,9 - 12 GHz
|
現貨
|
223
|
HMC487LP5應用
-
點對點無線電
-
點對多點無線電
-
測試設備和傳感器
-
軍事最終用途
HMC487LP5優勢和特點
-
飽和功率: +33 dBm(PAE為20%時)
-
輸出IP3為+36 dBm
-
增益為20 dB
-
+7V、1300 mA電源
-
50 Ω匹配輸入/輸出
-
25 mm2無引腳SMT封裝
HMC487LP5結構圖
