互聯網行業咨詢
分享時段:2019-02-14 10:45:43 查看:1720
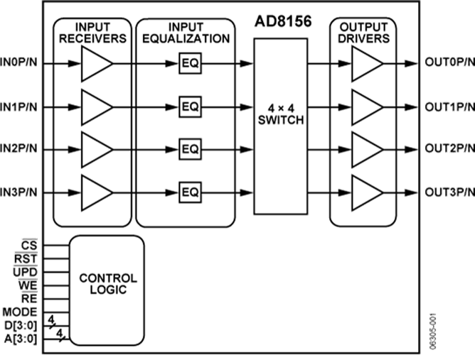
AD8156ABCZ類屬(shu)Xstream品類的(de)產(chan)品,一款快速(su)、充分差成(cheng)績字(zi)相互(hu)點(dian)(dian)把控(kong)好轉換(huan)按(an)鈕(niu)開(kai)(kai)關。該(gai)配件行當作(zuo)(zuo)4 × 4相互(hu)點(dian)(dian)把控(kong)好轉換(huan)按(an)鈕(niu)開(kai)(kai)關,包(bao)括雙鎖(suo)存式(shi)統(tong)(tong)計(ji)(ji)資料存儲器(qi),準許時候更(geng)新軟件;或許當作(zuo)(zuo)雙區域(yu)2 × 2相互(hu)點(dian)(dian)把控(kong)好轉換(huan)按(an)鈕(niu)開(kai)(kai)關,并出(chu)具之間打(da)印(yin)打(da)印(yin)輸出(chu)把控(kong)好系統(tong)(tong)。不(bu)僅如此還包(bao)括低能(neng)(neng)耗測試(shi)功能(neng)(neng);以(yi)3.3 V電壓供電公司(si),同時每個(ge)打(da)印(yin)打(da)印(yin)輸出(chu)和填(tian)寫平衡器(qi)均(jun)穩(wen)定的(de)活動辦公狀態時,明顯能(neng)(neng)耗測試(shi)為(wei)700 mW。它(ta)能(neng)(neng)以(yi)DC至(zhi)6.25 Gbps(每端口號)標準內的(de)一點(dian)(dian)統(tong)(tong)計(ji)(ji)資料數率辦公。
AD8156的每種顯示過道均內部自帶一些可代碼顯示均衡化器,把他們拿來應對背板電磁波消耗的資金。 AD8156的髙速輸進可兼容交談交叉藕合和直流電壓交叉藕合3.3 V、2.5 V或1.8 V CML,各類3.3 V LVPECL的數據電平。有效控制標準接口為LVTTL和LVCMOS兼容型(3.3 V)。成細化構造、盡機會降低特性阻抗不配對問題,該電子器件還集成很多需要的輸進和傳輸的端接電容。輸進教育均衡發展器和不需要的傳輸的能夠 專門處理禁止使用,得以使能耗調至最低標準。 AD8156ABCZ用于49引腳、8 mm × 8 mm、BGA芯片封裝,引腳高度為1 mm;事情環境平均溫度區間為?40°C至85°C工農業環境平均溫度區間。
| 品牌 | 型號 | 貨期 | 庫存 |
| ADI | AD8156ABCZ | 1周 | 50 |
采用
AD8156ABCZ結構圖
