業介紹
發布(bu)了時期:2019-02-15 10:36:27 網頁(ye)瀏覽:1839
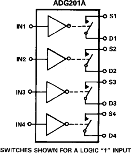
ADG201AKNZ/ADG201AKPZ就是款(kuan)單心片CMOS集(ji)成電路芯片,原(yuan)帶十二個孤立(li)先選的按鈕開(kai)關。同旁內角用強化型LC 2 MOS生產技術開發,可打造±15 V的最高網絡信號治理能力素質。那些按鈕還有著高按鈕速度慢和低R ON。
ADG201A掌(zhang)(zhang)握開關(guan)在以及(ji)的掌(zhang)(zhang)握填寫上無法接通(tong)思維模式低(di)電(dian)平(ping)。當ON時,任何(he)啟(qi)閉(bi)(bi)在兩人方往上走導電(dian)耐磨性相同之處(chu),然而任何(he)啟(qi)閉(bi)(bi)都享有(you)拓(tuo)寬(kuan)到開關(guan)電(dian)源的鍵入數據信號(hao)超(chao)范圍。每(mei)個啟(qi)閉(bi)(bi)都含(han)有(you)先(xian)開后合的啟(qi)閉(bi)(bi)運(yun)動(dong),能用于多路(lu)復接器APP。設計方案之前的是低(di)電(dian)勢(shi)植入,便于在設置(zhi)數字8輸出(chu)時達成輕柔的瞬態(tai)。
倘若您需購ADG201AKNZ,ADG201AKPZ,請點開右面售后認識你們!!!
品牌
型號
貨期
庫存
ADI
ADG201AKNZ
ADG201AKPZ
1周
100
資(zi)源優勢(shi)和特性
ADG201A-EP能(neng)夠國家安全和航空空間科(ke)學(xue)(xue)空間科(ke)學(xue)(xue)適用(yong)(AQEC規則(ze))
結構圖

深圳市立維創展科技代理銷售ADI現貨產品,致力于為廣大客戶提供低價格、高質量、有保障的產品,提供優質的售前與售后服務技術。如您有任何產品需求以及服務請聯系我們客服人員,我們會再第一時間內為您解決問題。