HMC437MS8GE低噪音靜態數據分頻器 原廠外盤
分(fen)享的時間(jian):2019-02-18 10:22:56 搜索:2185
HMC437MS8GE有的是款低燥聲8分頻靜態式的分頻器,實用InGaP GaAs HBT能力,應用低人工成本8引腳表貼可塑料芯片封裝。 此元器件封裝在DC(實用方波輸人)至7 GHz的輸人規律下本職工作,實用+5V DC單電源適配器。 100 kHz偏置時的低加性SSB相位燥聲為-153 dBc/Hz,有助客戶做到不錯的模式燥聲性能參數。
|
品牌
|
型號
|
貨期
|
庫存
|
|
ADI
|
HMC437MS8GE
|
1周
|
30
|
如果您需用購HMC437MS8GE,請選擇左下網上客服取得聯系我國!!!
HMC437MS8GE使用
-
UNII、點對點和VSAT無線電
-
802.11a和HiperLAN WLAN
-
光纖產品
HMC437MS8GE優勢和特點
-
SSB相位噪聲: -153 dBc/Hz(100KHz)
-
寬帶寬
-
輸出功率: -1 dBm
-
單直流電源: +5V (69 mA)
-
MS8G SMT封裝
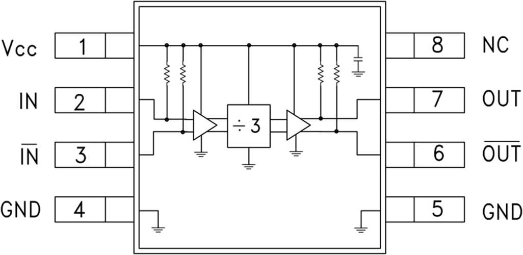
HMC437MS8GE結構圖

深圳市立維創展科技代理銷售ADI現貨產品,致力于為廣大客戶提供低價格、高質量、有保障的產品,提供優質的售前與售后服務技術。如您有任何產品需求以及服務請聯系我們客服人員,我們會再第一時間內為您解決問題。