AD7980ARMZ系數準換器(ADC) 代理加盟現貨黃金
上(shang)架時間間隔:2019-02-18 14:00:32 網(wang)頁瀏覽:1883
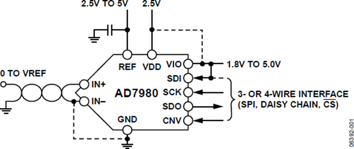
AD7980ARMZ就是款16位、逐次邁進型齒條參數更換器(ADC),選用單開關交流電源(VDD)配電。它內置式某個低額定功率、高速收費站、16位監測ADC和某個多特點串行交流電源接口端口設置。在CNV下降沿,該功率器件對IN+與IN-彼此的虛擬顯示電流電流差做出監測,空間從0 V至REF。基準點電流電流(REF)由外鏈保證,但是能夠孤立于開關交流電源電流電流(VDD)。額定功率和吞吐效率呈線型變遷相互影響。
SPI兼容串行接口方式還要充分利用SDI設置,將這些ADC以大菊花鏈結構類型銜接到一件二線式系統總線上,并提供數據自選的煩忙顯示。主要采用獨力電源適配器VIO時,它與1.8V、2.5V、3V和5V邏輯性兼容。
AD7980ARMZ應用10引腳MSOP二極管封裝類型或10引腳QFN (LFCSP)二極管封裝類型,運轉水溫比率為?40°C至+125°C。
|
品牌
|
型號
|
貨期
|
庫存
|
|
ADI
|
AD7980ARMZ
|
1周
|
50
|
倘若您應該購AD7980ARMZ,請鼠標單擊右邊客戶服務熱線連接各位!!!
AD7980ARMZ操作(zuo)
AD7980ARMZ優勢和特點
-
16位分辨率、無失碼
-
呑吐速率:1 MSPS
-
低功耗
4 mW(1 MSPS,僅VDD)
7 mW(1 MSPS,總功耗)
70 μW (10 kSPS)
-
INL:典型值±0.6 LSB,最大值±1.25 LSB
-
信納比(SINAD):91.25 dB(10 kHz時)
-
THD:-110 dB(10 kHz時)
-
欲了解更多特性,請參考數據手冊
AD7980ARMZ搭載防務和中國航空航天工程操作(AQEC基準)
-
下載AD7980-EP數據手冊(pdf)
-
受控制造基線
-
唯一封裝/測試廠
-
唯一制造廠
-
增強型產品變更通知
-
認證數據可應要求提供
-
軍用溫度范圍(?55℃至+125℃)
-
V62/12640 DSCC圖紙號
AD7980ARMZ示意圖
