AD7980BRMZ齒條參數換為器ADC 選擇現貨平臺
正式發布時(shi)間(jian):2019-02-18 14:46:26 看:2021
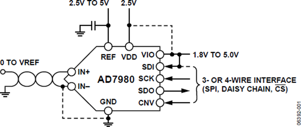
AD7980BRMZ有的是款16位、逐次直逼型法向齒轉化器(ADC),使用單電源適配器開關(VDD)配電。它原機一低額定功率、公路、16位采集系統ADC和一多功能性串行usb接口網口。在CNV上升的沿,該電子元器件對IN+與IN-之間的模以搜索額定輸出功率差對其進行采集系統,使用范圍從0 V至REF。基準點額定輸出功率(REF)由外表作為,還有會經濟獨立于電源適配器開關額定輸出功率(VDD)。額定功率和吞吐速度呈直線波動原因。
SPI兼容串行接口類型還能應用SDI填寫,將三個ADC以金絲菊鏈形態接連到一道3線式系統總線上,并具備能選的崩潰提示。進行獨立的電源模塊VIO時,它與1.8V、2.5V、3V和5V邏輯思維兼容。
AD7980BRMZ選取10引腳MSOP封裝形式或10引腳QFN (LFCSP)封裝形式,業務攝氏度比率為?40°C至+125°C。
|
品牌
|
型號
|
貨期
|
庫存
|
|
ADI
|
AD7980BRMZ
|
1周
|
20
|
倘若您需購AD7980BRMZ,請單擊右邊售后結合我門!!!
AD7980BRMZ用途
AD7980BRMZ優勢和特點
-
16位分辨率、無失碼
-
呑吐速率:1 MSPS
-
低功耗
4 mW(1 MSPS,僅VDD)
7 mW(1 MSPS,總功耗)
70 μW (10 kSPS)
-
INL:典型值±0.6 LSB,最大值±1.25 LSB
-
信納比(SINAD):91.25 dB(10 kHz時)
-
THD:-110 dB(10 kHz時)
-
欲了解更多特性,請參考數據手冊
AD7980-EP支持軟件防務和南航航空軟件應用(AQEC要求)
-
下載AD7980-EP數據手冊(pdf)
-
受控制造基線
-
唯一封裝/測試廠
-
唯一制造廠
-
增強型產品變更通知
-
認證數據可應要求提供
-
軍用溫度范圍(?55℃至+125℃)
-
V62/12640 DSCC圖紙號
AD7980BRMZ示意圖
