HMC-AUH256衛星信號通信網英語四級動力變成器 ADI外盤
發布公告(gao)時間間隔:2019-02-20 15:38:45 搜素:1815
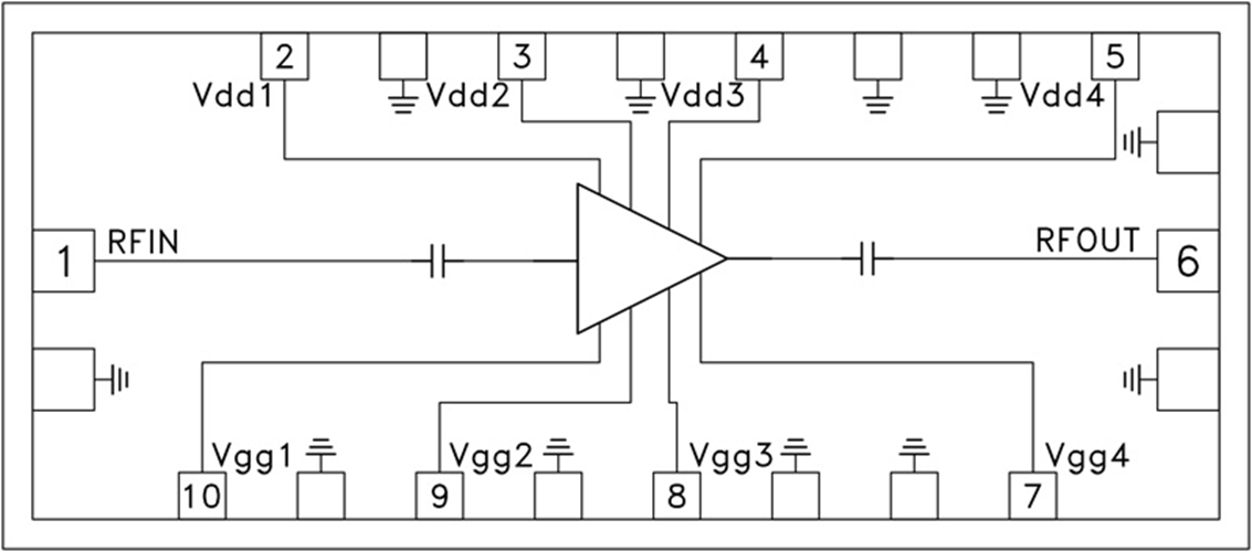
HMC-AUH256有的是款GaAs MMIC HEMT4級驅程圖像放大儀,操作幀率比率17.5至41 GHz。 猶豫的尺寸較小(1.93 mm2),該基帶集成電路芯片可簡單融合到多基帶集成電路芯片引擎(MCM)中。 HMC-AUH256在1 dB縮減點提供了21 dB的增益值和+20 dBm的效果馬力,采用+5V的偏置電壓(295 mA)。 HMC-AUH256還用于作倍頻器。 達到倍頻器操作的詳情偏置的條件。
|
品牌
|
型號
|
貨期
|
庫存
|
|
ADI
|
HMC-AUH256
|
1周
|
100
|
假如您還要售賣HMC-AUH256,請點擊量左測人工客服聯系起來我們都!!!
運用
優勢和特點
-
增益: 21 dB
-
P1dB輸出功率: +20 dBm
-
寬帶性能:
17.5至41 GHz
-
電源電壓:
+5V (295 mA)
-
小尺寸芯片:
2.1 x 0.92 x 0.1 mm
示意圖
