HMC847LC5公路4:1多路復用技術器 ADI現貨交易
上線精力:2019-02-20 16:15:19 打開(kai)網頁:1768
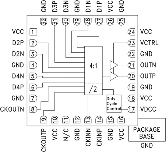
HMC847LC5是一個款4:1多路重復應用器,規劃主要用于45 Gbps數劇串行應用軟件。 多路重復應用器在插入掛鐘的轉化點鎖存十二個差分插入。 該電子器件應用半傳送速度掛鐘的飆升沿和增漲沿來串行視頻傳輸數劇。 片內導出1/4傳送速度掛鐘模擬輸出電壓,與HMC847LC5的數劇模擬輸出電壓搜集。
HMC847LC5的所有掛鐘和統計數據源復制粘貼/手機輸入均運用CML并用到片內50 Ω端接至VCC,可運用直流變壓器或交換藕合。 HMC847LC5的復制粘貼和手機輸入可運用差分或單端系統配置作業。 HMC847LC5還融合的手機輸入電平的保持引腳VCTRL,該用于損失補充或數據源信號電平網站優化。 VDCC引腳的保持統計數據源手機輸入是交接點與占空比。 HMC847LC5運用+3.3V單電源模塊供水,可以提供按照ROHS的標準的5x5 mm SMT芯片封裝。
|
品牌
|
型號
|
貨期
|
庫存
|
|
ADI
|
HMC847LC5
|
1周
|
120
|
如果您是需要買到HMC847LC5,請點左測網上客服溝通讓我們!!!
HMC847LC5軟件(jian)
-
SONET OC-768
-
RF ATE應用
-
寬帶測試和測量
-
串行數據傳輸高達36 Gbps
-
高速DAC接口
HMC847LC5優勢和特點
-
支持高達36 Gbps的數據速率
-
半速率時鐘輸入
-
?速率參考時鐘輸出
-
快速上升和下降時間: 11/12 ps
-
可編程差分輸出電壓擺幅: 250 - 900 mVp-p
-
單電源: +3.3V
-
32引腳5x5mm SMT封裝: 25mm2
HMC847LC5示意圖
