HMC499LC4/HMC499LC4TR一般工作電壓圖像放大儀無引腳 ADI外盤
披露周期:2018-06-26 11:11:34 訪問(wen) :2173
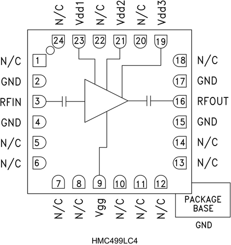
HMC499LC4一款高靜態規模GaAs PHEMT MMIC中等偏上耗油率放小器,選用復合RoHS要求的無引腳“無鉛”SMT二極管封裝。 該放小器具備有21至32 GHz的做工作規模,展示 16 dB增加收益、+24 dBm過飽和耗油率和16% PAE(+5V外接電源交流電壓)。 隔直RF I/O篩選至50 Ω,在應用有利。 HMC499LC4不須線焊,能能在應用表貼生產制造技術。
|
品牌
|
型號
|
描述
|
貨期
|
庫存
|
|
ADI
|
HMC499LC4
HMC499LC4TR
|
中等功率放大器,采用SMT封裝,21 - 32 GHz
|
現貨
|
215
|
廣泛應用
-
點對點無線電
-
點對多點無線電和VSAT
-
測試設備和傳感器
資源優(you)勢和(he)特質
-
輸出IP3: +34 dBm
-
飽和功率: +24 dBm (16% PAE)
-
增益: 16 dB
-
+5V(200 mA)電源
-
50 Ω匹配輸入/輸出
-
符合RoHS標準的4x4 mm SMT封裝
的結(jie)構圖
