產業訊息
發布的時間間隔(ge):2019-02-25 11:12:58 閱讀:2176
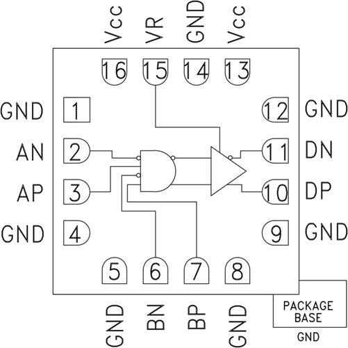
HMC746一(yi)種(zhong)AND / NAND / OR / NOR職能(neng),重在可以自由(you)敢(gan)(gan)達(da)13 Gbps的數據顯示高速傳(chuan)輸(shu)速率單位和自由(you)敢(gan)(gan)達(da)13 GHz的鬧鐘頻率。HMC746不錯很最易地增加為保證有以下一(yi)些邏輯思維技能(neng):AND,NAND,OR和NOR。HMC746還具備著轉(zhuan)換電平的控制引腳VR,可建立衰減賠償(chang)或警報(bao)電平優化方案(an)。
HMC746的各種手機輸入和輸出信息均以50歐姆至V cc片內端(duan)接,都可以(yi)是交換或直(zhi)流電源交叉耦合。進入和輸出的也可以(yi)間(jian)接拼(pin)接到50歐(ou)姆至V cc端接體(ti)統,而假(jia)如端接體(ti)統一定接地50歐姆(mu),則(ze)能否(fou)的使用隔直電感。HMC746進行(xing)+ 3.3V單開關電源配電,進行(xing)符合(he)要求RoHS細則(ze)的陶瓷廠家3x3 mm SMT打(da)包封裝(zhuang)。
要是您是需要買到HMC746LC3C,請點右面電話客服溝通他們!!!
品牌
型號
貨期
庫存
ADI
HMC746LC3C
1周
90
操作
優勢和特征
22/21 ps
打印輸出的電壓擺幅:600 - 1100 mV
SMT芯片封裝:9mm2
示意圖
