HMC447LC3低嗓聲6分頻機體再生分頻器 外盤
上架時(shi)期:2019-02-26 14:07:37 預覽:1720
HMC447LC3是一種款低燥音6分頻機體再生分頻器,用于InGaP GaAs HBT科技。 這輛帶寬分頻器的的工作輸入工作速度為10到26 GHz,可配受極寬時間范圍的輸入工作電壓標準。 HMC447LC3都具有-150 dBc/Hz的越來越低SSB相位燥音(100 kHz偏置時),越來越符合在高頻鎖相環(PLL)中用,及其中一個控制系統中要有基波和分頻LO工作速度的本振(LO)都分配好操作。
這個作用著力的分頻器食用獨立+5V正電源模塊,輸送熱效率僅為96 mA,在固定速率狀態下提供了比較平緩的輸送熱效率。 HMC447LC3使用適用RoHS規范標準的3x3 mm的無引腳SMT二極管封裝,兼具露外的接地線焊盤。
|
品牌
|
型號
|
貨期
|
庫存
|
|
ADI
|
HMC447LC3
|
1周
|
100
|
倘若您所需訂購HMC447LC3,請點擊進入左下客服在線連續我們的!!!
HMC447LC3應用
-
點對點/多點無線電
-
VSAT無線電
-
光纖產品
-
測試設備
HMC447LC3優勢和特征
-
很寬的帶寬
-
超低SSB相位噪聲: -150 dBc/Hz
-
輸出功率: -4 dBm
-
單直流電源: +5V
-
符合RoHS標準的3x3 mm SMT封裝
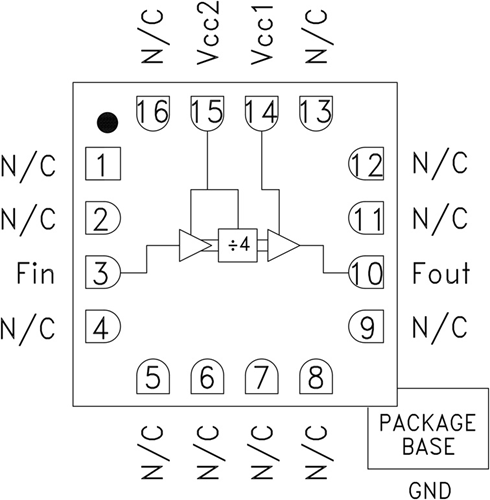
HMC447LC3示意圖

深圳市立維創展科技代理銷售ADI現貨產品,致力于為廣大客戶提供低價格、高質量、有保障的產品,提供優質的售前與售后服務技術。如您有任何產品需求以及服務請聯系我們客服人員,我們會再第一時間內為您解決問題。