HMC394LP4低嘈音GaAs HBT可代碼5位篩選器 外盤
發布新聞(wen)期(qi)限:2019-02-26 17:20:32 看:1781
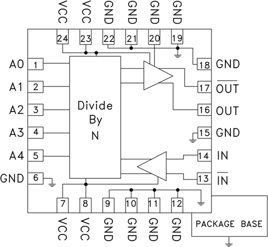
HMC394LP4(E)有的是款低噪音污染GaAs HBT可代碼5位篩選器,用到4x4 mm無鉛外面貼裝芯片封裝。 在顯示率超過2.2 GHz時,該元件可在N為2至32的范圍做間斷性分頻。 所在相電壓擺幅為800 mV,占空比與N關系不大。100 kHz失衡時,該篩選器的加性SSB相位噪音污染低至?153 dBc/Hz,如此適當低噪音污染率合出器應用軟件。
|
品牌
|
型號
|
貨期
|
庫存
|
|
ADI
|
HMC394LP4
|
1周
|
90
|
如果您必須消費HMC394LP4,請點擊事件一側售后客服找話題大家!!!
應用
優勢和特征
-
SSB相位噪聲: -153 dBc/Hz(100 kHz)
-
可選分頻:2至32
-
并行5位控制
-
寬輸入功率范圍: -20至+10 dBm
-
4x4 mm無鉛SMT封裝
示意圖

深圳市立維創展科技代理銷售ADI現貨產品,致力于為廣大客戶提供低價格、高質量、有保障的產品,提供優質的售前與售后服務技術。如您有任何產品需求以及服務請聯系我們客服人員,我們會再第一時間內為您解決問題。