HMC408LP3E/HMC408LP3ETR高效、性價比最高率瓦數變大器5.1 - 5.9 GHz ADI現貨交易
發布(bu)的時光(guang):2018-06-26 13:39:38 訪問 :7338
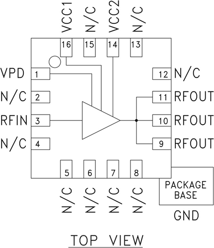
HMC408LP3(E)是款5.1 - 5.9 GHz高效應的率GaAs InGaP異質結雙電性晶狀體管(HBT)電效率縮放器MMIC,展示+30 dBm P1dB。 該縮放器展示20 dB增加收益,達到飽和狀態電效率為+32.5 dBm,電源適配器電阻為+5V (27% PAE)。 顯示內控適配至50 Ohms,效果需不多的 外部組件。 Vpd也可以于全空調省電方法或RF效果電效率/直流電壓調控。 該縮放器使用低料工費、3x3 mm無鉛外觀貼裝二極管封裝,會有爆露支撐柱以改善效果RF和熱管散熱效能。
|
品牌
|
型號
|
描述
|
貨期
|
庫存
|
|
ADI
|
HMC408LP3E
HMC408LP3ETR
|
1 W功率放大器SMT,5.1 - 5.9 GHz
|
現貨
|
275
|
HMC408LP3應用
-
802.11a & HiperLAN WLAN
-
UNII和點對點/多點無線電
HMC408LP3優勢和特點
-
增益: 20 dB
-
飽和功率: +32.5 dBm (27% PAE)
-
單電源電壓: +5V
-
省電功能
-
3x3 mm無鉛SMT封裝
HMC408LP3結構圖
