HMC-AUH249/HMC-AUH249-SX布置式能夠縮放器裸片 ADI現貨交易
頒布時(shi):2018-06-26 15:41:03 挑選:2330
HMC-AUH249是一種款GaAs MMIC HEMT數據分布式系統驅動器增加器裸片,在DC至43 GHz的的頻率下事業,常見3 dB上行寬帶為35 GHz。 該增加器提拱15 dB收獲,供大于求工作輸出額定功率為+23 dBm,并且通過+5V相電壓電壓耗電僅200 mA。
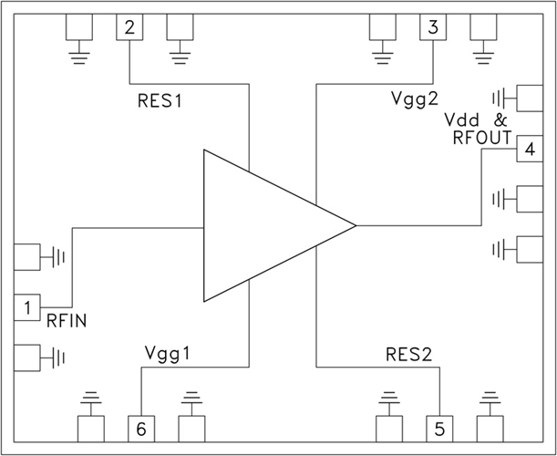
HMC-AUH249具備優異的收獲,相位紋波不在25 GHz,就可以輸出大于等于8V的峰基線,所以十分的特別適合寬帶網絡無線網絡、網絡光纖流量和試驗裝備利用。 該調大器裸片占據戶型問題4 mm2,以便于輕輕松松集成化到多存儲芯片模快(MCM)中。 對整流24v電源線,HMC-AUH249必須偏置器和片外隔直功率器件及旁路電解電容。 Vgg1隨意緩解節功率器件的偏置直流電,Vgg2則緩解輸出收獲。
|
品牌
|
型號
|
描述
|
貨期
|
庫存
|
|
ADI
|
HMC-AUH249
HMC-AUH249-SX
|
調制器驅動放大器芯片,DC - 35 GHz
|
現貨
|
156
|
HMC-AUH249應用
-
光纖調制器驅動器
-
適用于測試和測量設備的增益模塊
-
點對點和點對多點無線電
-
寬帶通信和監控系統
-
雷達警報系統
HMC-AUH249優勢和特點
-
小信號增益: 15 dB
-
輸出電壓: 最高8V pk-pk
-
Psat輸出功率: +23 dBm
-
高速性能: 大于35 GHz的3 dB帶寬
-
電源電壓:
+5V (200 mA)
-
S小尺寸裸片:
2.2 x 1.80 x 0.1 mm
HMC-AUH249結構圖
