HMC-AUH320/HMC-AUH320-SX四個維度中等水平最大功率放小器 ADI期貨
發(fa)表期限:2018-06-27 11:44:10 查看:2725
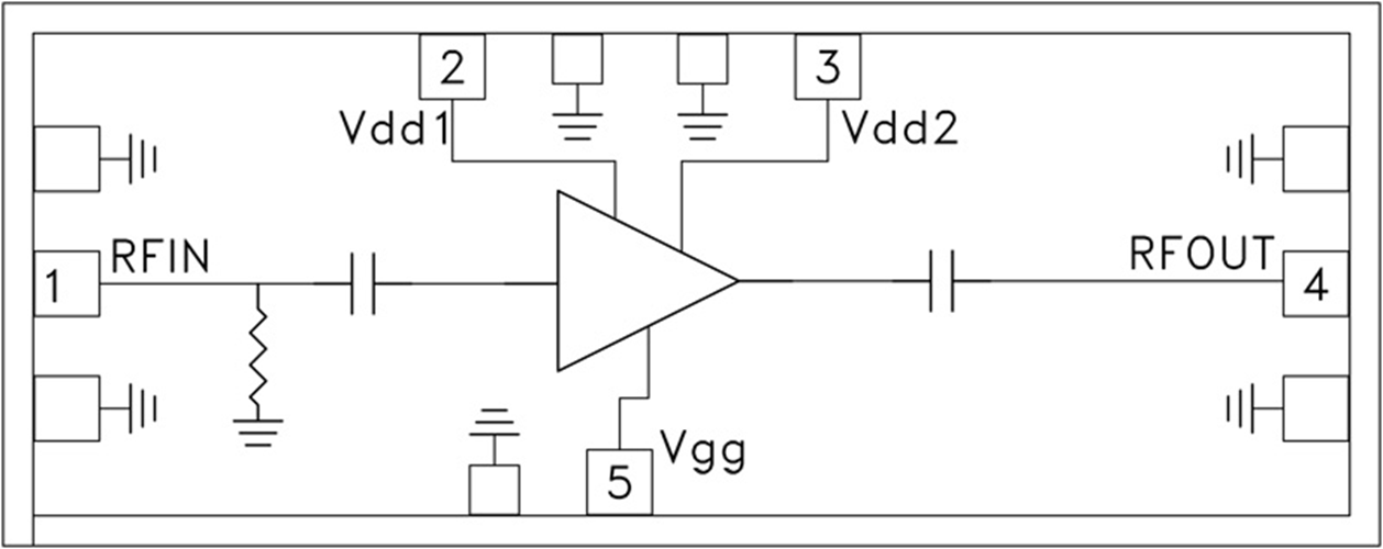
HMC-AUH320是一個款高動向使用范圍的4個等級GaAs HEMT MMIC適中電瓦數拖動器,在71至86 GHz的幀率下做工作。 HMC-AUH320在74 GHz幀率下出具16 dB的增益控制,在1 dB收縮點出具+15 dBm的效果電瓦數,利用+4V開關電源輸出功率。 各個焊盤和心片后殼都經Ti/Au廢金屬化,拖動器配件已壓根鈍化以完成能信使用。
HMC-AUH320 GaAs HEMT MMIC中級電率放小器可兼容傳統的心片貼裝做法,、熱壓縮視頻和熱超聲波線焊,至關好MCM和混合著微控制電路應運。 此頁現示的因此大數據均是心片在50 Ohm生態環境下用到RF溫度探頭接觸測是。
|
品牌
|
型號
|
描述
|
貨期
|
庫存
|
|
ADI
|
HMC-AUH320
HMC-AUH320-SX
|
中等功率放大器芯片,71 - 86 GHz
|
現貨
|
233
|
HMC-AUH320應用
-
短程/高容量鏈路
-
無線LAN網橋
-
汽車雷達
-
軍事和太空
-
E波段通信系統
HMC-AUH320優勢和特點
-
增益: 16 dB (76 GHz)
-
P1dB: +15 dBm
-
電源電壓: +4V
-
50 Ω匹配輸入/輸出
-
裸片尺寸:
2.20 x 0.87 x 0.1 mm
HMC-AUH320結構圖
