HMC442LM1/HMC442LM1TR工作效率變小器 ADI現貨交易
推送準確時間:2018-06-27 16:42:54 訪(fang)問:1958
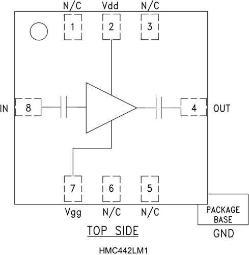
HMC442LM1有的是款聯通寬帶網絡17.5至24 GHz GaAs PHEMT MMIC中上工率拖動器,使用SMT無引腳單片機處理器質粒二極管封口。 LM1使用實打實的表貼聯通寬帶網絡亳米波二極管封口,供應低衰減和出眾的I/O適合,并確保MMIC單片機處理器性能參數。 該拖動器供應14 dB增益值,過飽和工率為+23 dBm(27% PAE時),24v電源電阻值為+5V。
50 Ω配比增加器在RF輸入和打出端上整合隔直,極為適充當直線收獲模塊圖片、衛星發射鏈帶動安裝器或HMC SMT混頻器LO帶動安裝器。 當做存儲芯片和家用電線混合式構件的取代元器件封裝,HMC442LM1必須線焊,而使為客服能提供相一致的電源接口。
|
品牌
|
型號
|
描述
|
貨期
|
庫存
|
|
ADI
|
HMC442LM1
HMC442LM1TR
|
中等功率放大器,采用SMT封裝,17.5 - 24.0 GHz
|
現貨
|
212
|
HMC442LM1應(ying)用
HMC442LM1優勢和特點
-
飽和功率: +23 dBm (27% PAE)
-
增益: 14 dB
-
電源電壓: +5V
-
50 Ω匹配輸入/輸出
HMC442LM1結構圖
