該行業咨訊
發布消息時長:2018-06-27 17:23:18 訪問:7416
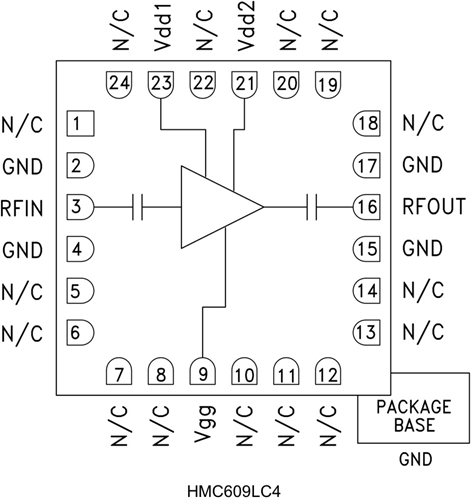
HMC609LC4就是一款GaAs PHEMT MMIC低(di)背景燥(zao)音圖像放(fang)縮器電路(lu)(lu)(LNA),作(zuo)業上(shang)(shang)頻段(duan)區間(jian)為(wei)2至(zhi)4 GHz。 HMC609LC4在這個(ge)作(zuo)業上(shang)(shang)頻段(duan)內體現了非常(chang)出色的寬闊耐腐蝕性基本特征,涉(she)及到20 dB小表(biao)現增益控制、3.5 dB背景燥(zao)音標準值和+36.5 dBm輸送IP3。 50 Ω連(lian)接圖像放(fang)縮器電路(lu)(lu)免(mian)其(qi)它其(qi)他連(lian)接零件。 HMC609LC4可讓(rang)用高存儲容量表(biao)貼加工先進制造技(ji)術工藝,且RF I/O途經(jing)隔直以進十(shi)步更(geng)好地智(zhi)能家居控制。
品牌
型號
描述
貨期
庫存
ADI
HMC609LC4
HMC609LC4TR
低噪聲放大器,采用SMT封裝,2 - 4 GHz
現貨
203
HMC609LC4應用
HMC609LC4優勢和特點
HMC609LC4結構圖
